.es
Cesta
vacia
Mi cuenta
Registrarse
Iniciar sesión
Home
Contacto
Nuestra empresa
Álbum de visitantes
Envío
Condiciones y Privacidad
Datos identificativos
Piezas de repuesto
Búsqueda por nº de artículo
Listas de piezas de repuesto y dibujos
Cadenas de sierra
Espadas
Piñones
Antiguedades
Catálogo
Jardín
Industria
Artículos eléctricos
Filtro
Correas trapezoidales / poleas de correa
Artículos de invierno
Trabajos forestales
Piezas de máquinas
Taller
Piezas del motor
Cortar, desbrozar
Juguetería
Lo más vendido
Servicios
Servicio de búsqueda
Determinar cadena de sierra
DE
EN
FR
ES
IT
Versión móvil de la página
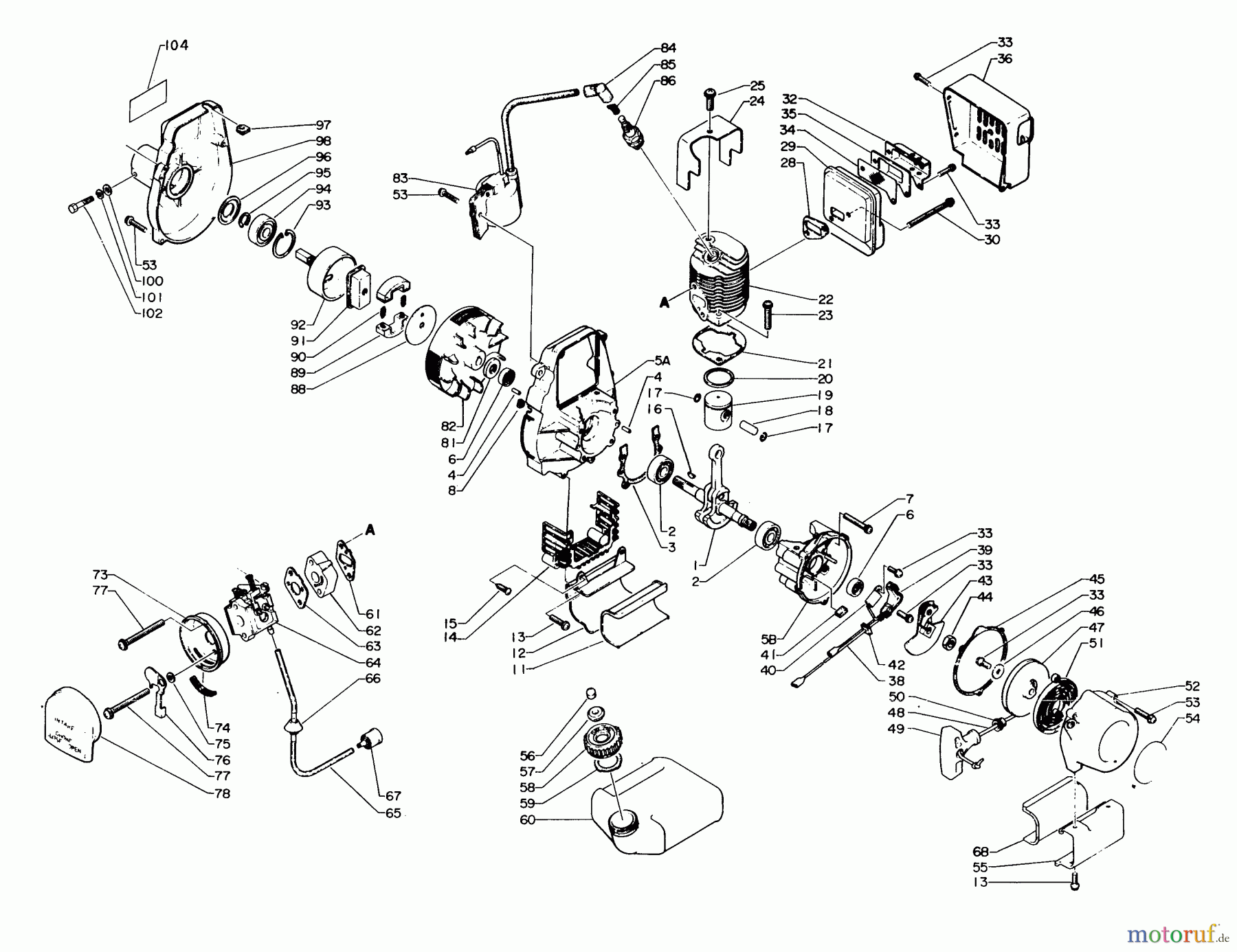
Echo GT-140B - String Trimmer Engine, Crankcase, Ignition Listas de piezas de repuesto y dibujos
Start
Echo
Trimmer, Faden / Bürste
GT-140B - Echo String Trimmer
Engine, Crankcase, Ignition
Engine, Crankcase, Ignition GT-140B - Echo String Trimmer
Pos
Número de artículo
Descripción
1
1699999999999
2
16-900810-36200
Kugellager
3
16-100242-04920
Kurbelgeh.-Dichtung(Papier)
5
16-100200-04921
ZSB.Kurbelw.Gehäuse Produktion
5A
16-100200-04920
Kurbelgehäuse
5B
16-100200-04920
Kurbelgehäuse
4
16-V622-000020
Stift
6
16-100213-05930
Simmerring PAS-2400 mit
7
16-900242-05030
Schraube
8
16-156114-04920
Muffe CS-4500/HCR-1500/RM-/
11
1613192006320
12
1613191006321
13
16-900242-04014
Schraube 4x14(Eisen)
14
16-100616-06320
Abdeckung Produktion
15
16-900245-04014
Schraube 4x14 (10)
16
16-100142-00330
Polradkeil
17
16-100015-04630
Sicherungsring(Eisen) CS-2600/
18
16-100013-04920
Kolbenbolzen Produktion
19
16-100010-07330
Kolben Produktion eingestellt
20
16-100011-05930
Kolbenring Produktion
21
16-101010-04921
Fussdichtung(Papier)
22
16-101011-04920
Zylinder Produktion
23
16-900242-06022
Schraube Produktion
24
16-101514-04920
Zyl.-Abdeckung Produktion
25
16-900242-05010
Schraube PPT-300ES
1614580321930
28
16-145510-21930
Auspuffdichtung Produktion
29
16-145806-06320
Auspuff Produktion eingestellt
32
1614580921930
33
16-900242-04010
Schraube EA-410
34
1614586206321
35
16-145863-06320
Halter Produktion eingestellt
36
1614562106320
30
16-900242-05040
Schraube(Eisen)
33
16-900242-04010
Schraube EA-410
38
16-150505-06320
Leitung Produktion eingestellt
39
16-150101-04920
Unterbrecherkont. Produktion
40
16-150127-04920
Kondensator Produktion
41
16-156134-03730
Ölfilz Produktion eingestellt
42
16-150114-04920
Tülle
43
16-177305-04920
Klaue SRM-200BE
44
16-900502-00008
Mutter EA-410
45
16-100615-04921
Dichtung Produktion
16-177200-06321
Starter KPL. Produktion
46
16-177214-04630
Scheibe CS-270/3000/3400/3500
47
16-177215-04920
Seilscheibe SRM-200AE, SRM-
48
16-177226-06530
Starterseil CS-280EG/330EVL,
49
16-177228-06530
Startergriff ES-2100/2400/HC-
50
16-177227-05330
Seilführung CS-280EG/330EVL/
51
16-177220-06530
Starterfeder PB-46LN, PB-6000
52
16-177209-06320
Startegehäuse Produktion
53
16-900242-04020
Schraube
54
1689015111231
55
1613191806320
16-131004-06320
Tankdeckel(Kunstst.)
56
16-131315-05020
Filter CS-4500, SRM-200AE
57
16-131314-06320
Ventil PB-24LN/-500/SRM-200AE
58
16-131004-06320
Tankdeckel(Kunstst.)
59
16-131016-04920
Dichtung Produktion
60
1613101006320
61
16-130010-04922
Dichtung Produktion
62
1613001704921
63
16-130016-04922
Dichtung Produktion
64
16-123000-06320
Vergaser Produktion
65
16-132010-07530
Benzinleitung(Gummi)
66
16-132115-04920
Dichtring(Gummi) CS-3500,3700,
67
16-131205-07321
Benzinfilter CS-3500/2600,SRM-
68
1613192406320
73
16-130301-04920
Gehäuse Produktion eingestellt
74
16-178810-04920
Gummitülle Produktion
75
16-178516-00830
Distanzring GT-2150, HCA-2500,
76
16-178515-04920
Chokeklappe Produktion
77
16-900242-05057
Schraube PB/HC
78
16-130310-03060
Luftfilter
81
16-100132-06530
Scheibe Produktion eingestellt
82
16-150200-04920
Lüfterrad Produktion
83
16-150126-04920
Zündspule Produktion
84
16-159012-01620
Zündkerzenkappe SRM-2010, CS-
85
16-159011-03432
Kontaktfeder CS-2600/4200/PB-
86
16CJ8
88
16-175019-04920
Kupplungsplatte
89
16-175017-04631
Kupplungsbacken HC-1500
90
16-175018-06530
Kupplungsfeder HC-1500
91
16-175016-04920
Nabe
92
16-175010-04920
Kupplungstrommel Produktion
93
16-900702-00032
Seegerring, innen, 32mm
94
16-900812-06201
Kugellager HT230/HT230-CE
95
16-900701-00012
Seegerring außen 12mm
96
16-175053-04920
Ring
97
16-156110-04920
Buchse CS-2600/PB-250
98
16-101511-06320
Lüftergehäuse Produktion
100
16-900600-00005
Scheibe PB-500/452GS/DH2200ST
101
16-900605-00005
Scheibe PB-250/EC-7600
102
16-900151-05020
Schraube Produktion
104
1689011509630
Gestión de calidad
Ayúdenos a mejorar esta página. Infórmenos de los errores que haya encontrado.