.es
Home
Contacto
Nuestra empresa
Álbum de visitantes
Envío
Condiciones y Privacidad
Datos identificativos
Piezas de repuesto
Búsqueda por nº de artículo
Listas de piezas de repuesto y dibujos
Cadenas de sierra
Espadas
Piñones
Antiguedades
Catálogo
Jardín
Industria
Artículos eléctricos
Filtro
Correas trapezoidales / poleas de correa
Artículos de invierno
Trabajos forestales
Piezas de máquinas
Taller
Piezas del motor
Cortar, desbrozar
Juguetería
Lo más vendido
Servicios
Servicio de búsqueda
Determinar cadena de sierra
Mi cuenta
Registrarse
Iniciar sesión
Configuración
DE
EN
FR
ES
IT
Escritorio
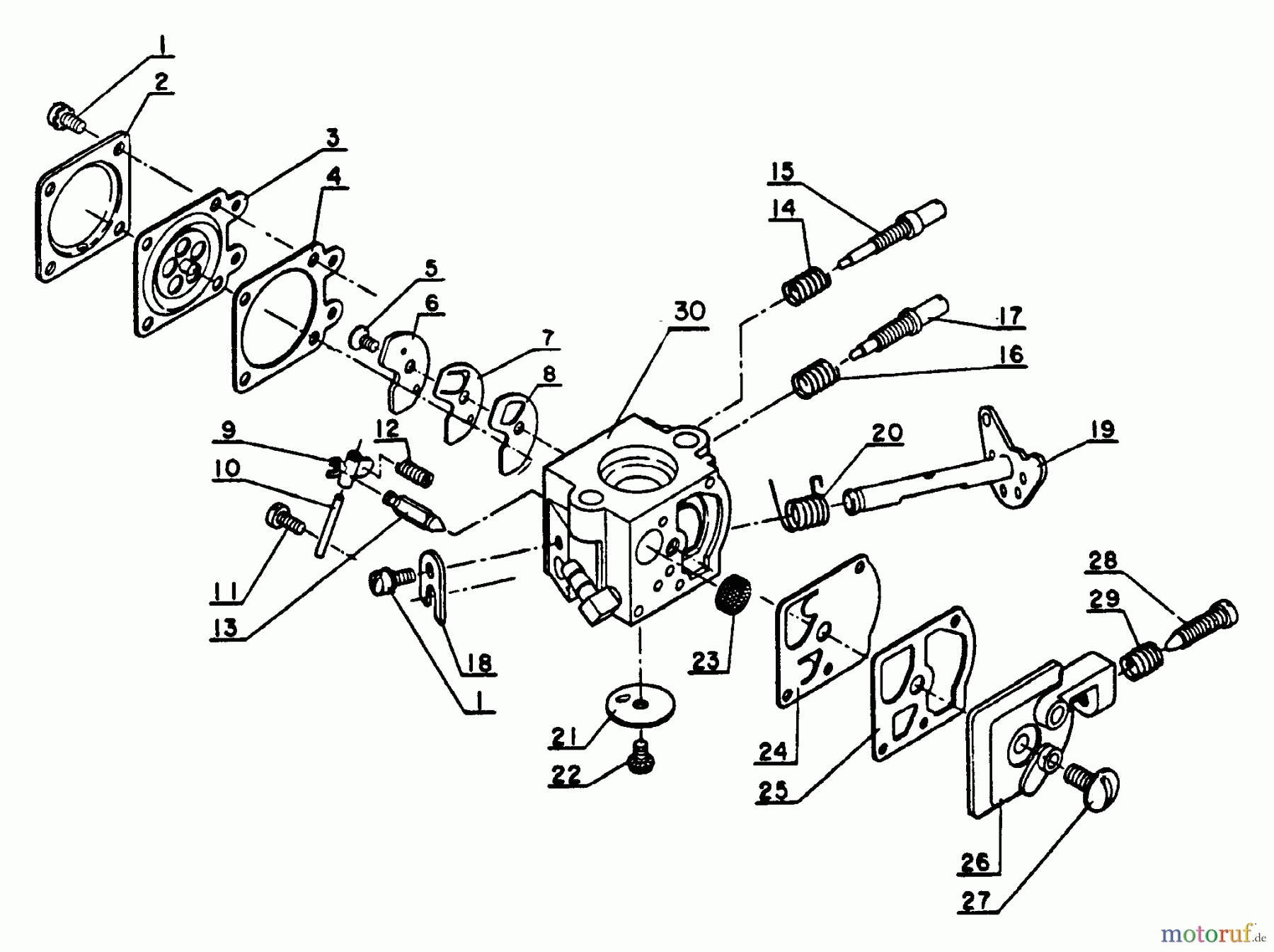
Echo CS-315 - Chainsaw, S/N: 058001 - 090010 Carburetor Listas de piezas de repuesto y dibujos
Start
Echo
Sägen, Kettensägen
CS-315 - Echo Chainsaw, S/N: 058001 - 090010
Carburetor
Carburetor CS-315 - Echo Chainsaw, S/N: 058001 - 090010
Pos
Número de artículo
Descripción
1699999999999
1
16-123144-03930
Schraube
2
16-123142-03930
Deckel CS-2600/3700/SRM-320/
3
16-123141-03930
Membrane CS-2600,3500,3700/HC-
4
16-123140-03930
Dichtung CS-3700, GT-2150
5
16-123167-05230
Schraube Produktion
6
16-123166-03930
Platte, PB-400E
7
16-123165-03930
Membrane
8
16-123164-03930
Dichtung(Papier)
9
16-123123-38330
Ventilhebel CS-3700/4200/
10
16-123138-03930
Stift, Ventilhalter, Vergaser
11
16-123139-03930
Schraube CS-2600/3700/452GS/
12
16-123122-03930
Feder CS-3450, CSG-6700, SRM-
13
16-123137-03930
Einlassventil
14
16-123119-03930
Feder,PB-210E,PB-300E,PB-400E
15
16-123120-11230
Einstellschraube PB-300E
16
16-123121-03930
Feder
17
16-123118-10530
Einstellschraube Produktion
18
16-123127-03930
Klipp CS-3700
19
16-123117-11230
Gasgestänge HC-1600 Produktion
20
16-123113-09660
Feder
21
16-123116-03930
Drosselklappe CS-350/350T
22
16-123114-03930
Schraube
23
16-123126-10631
Sieb, Vergaser, Einlass PPT-
24
16-123112-03930
Membrane SRM-200AE
25
16-123125-03930
Dichtung, PB-400E
26
16-123124-11130
Deckel Produktion eingestellt
27
16-123110-03930
Schraube CS-2600/3700/452GS/
28
16-123134-11130
Einstellschraube, PB-210E
29
16-123133-11130
Feder
30
16
16
Gestión de calidad
Ayúdenos a mejorar esta página. Infórmenos de los errores que haya encontrado.