.es
Cesta
vacia
Mi cuenta
Registrarse
Iniciar sesión
Home
Contacto
Nuestra empresa
Álbum de visitantes
Envío
Condiciones y Privacidad
Datos identificativos
Piezas de repuesto
Búsqueda por nº de artículo
Listas de piezas de repuesto y dibujos
Cadenas de sierra
Espadas
Piñones
Antiguedades
Catálogo
Jardín
Industria
Artículos eléctricos
Filtro
Correas trapezoidales / poleas de correa
Artículos de invierno
Trabajos forestales
Piezas de máquinas
Taller
Piezas del motor
Cortar, desbrozar
Juguetería
Lo más vendido
Servicios
Servicio de búsqueda
Determinar cadena de sierra
DE
EN
FR
ES
IT
Versión móvil de la página
Echo CS-302 - Chainsaw Oiler, Auto Listas de piezas de repuesto y dibujos
Start
Echo
Sägen, Kettensägen
CS-302 - Echo Chainsaw
Oiler, Auto
Oiler, Auto CS-302 - Echo Chainsaw
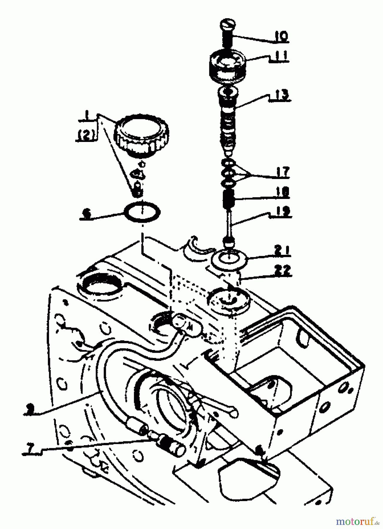
Pos
Número de artículo
Descripción
1
16-436002-11431
Öltankdeckel Produktion
2
16-890153-11430
Aufkleber
6
16-900720-00016
O-Ring CS-280EG
7
16-436205-02832
Ölfilter CS-2600/PPT-300ES
9
16-437211-03932
Leitung Produktion eingestellt
10
16-900220-05014
Schraube(Eisen)
11
16-437039-03430
Einstellrad Produktion
12
16-890022-03430
Aufkleber
13
16-437000-03430
ZSB: ÖLPUMPE
19
16-437000-03430
ZSB: ÖLPUMPE
17
16-437020-02830
O-Ring CS-330EVL/400EVL
18
16-437019-02830
Feder
21
16-437036-03430
Feder Produktion eingestellt
22
16-900330-15098
Bolzen Produktion eingestellt
Gestión de calidad
Ayúdenos a mejorar esta página. Infórmenos de los errores que haya encontrado.