.es
Cesta
vacia
Mi cuenta
Registrarse
Iniciar sesión
Home
Contacto
Nuestra empresa
Álbum de visitantes
Envío
Condiciones y Privacidad
Datos identificativos
Piezas de repuesto
Búsqueda por nº de artículo
Listas de piezas de repuesto y dibujos
Cadenas de sierra
Espadas
Piñones
Antiguedades
Catálogo
Jardín
Industria
Artículos eléctricos
Filtro
Correas trapezoidales / poleas de correa
Artículos de invierno
Trabajos forestales
Piezas de máquinas
Taller
Piezas del motor
Cortar, desbrozar
Juguetería
Lo más vendido
Servicios
Servicio de búsqueda
Determinar cadena de sierra
DE
EN
FR
ES
IT
Versión móvil de la página
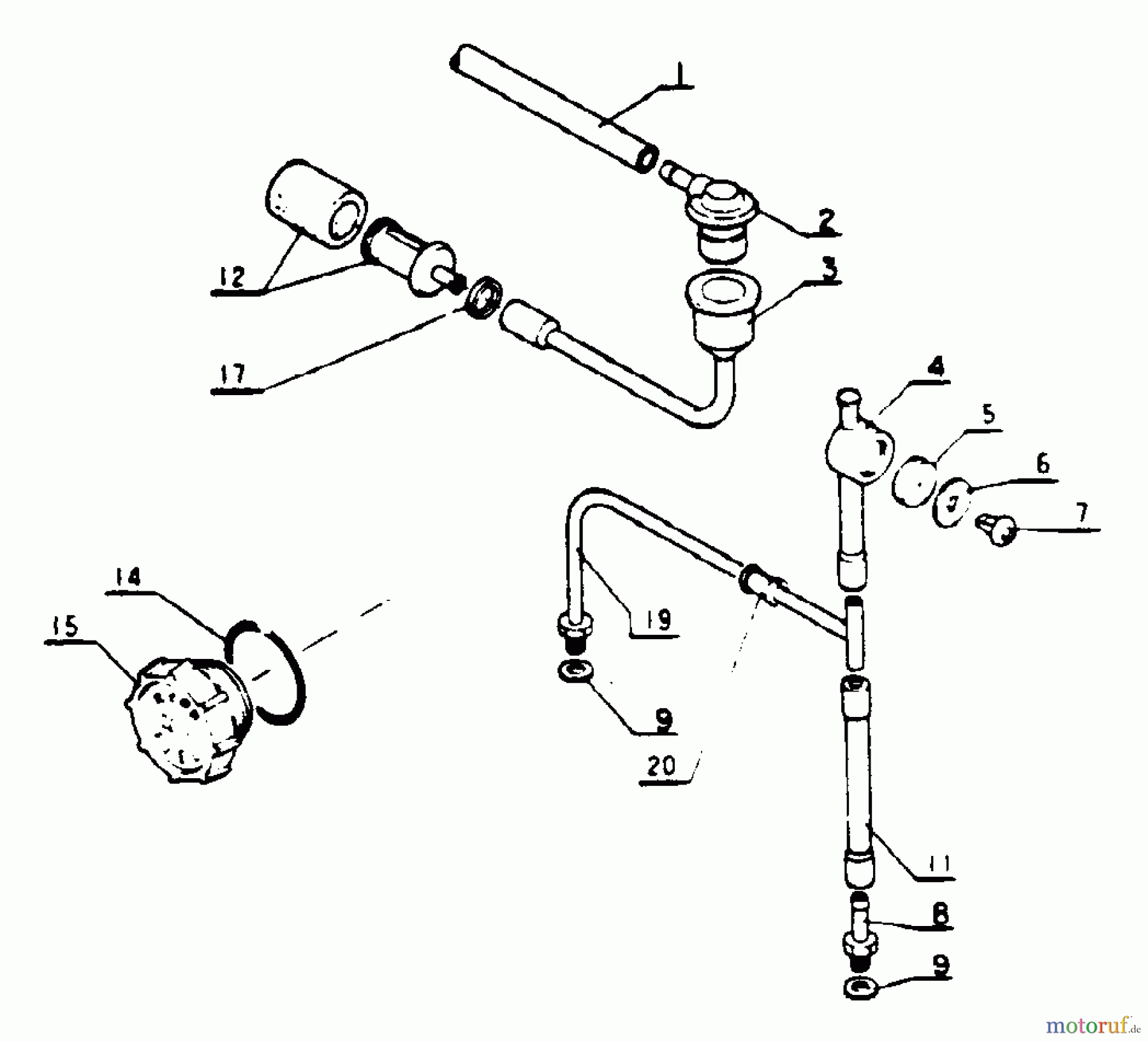
Echo CS-100 - Chainsaw Fuel System Listas de piezas de repuesto y dibujos
Start
Echo
Sägen, Kettensägen
CS-100 - Echo Chainsaw
Fuel System
Fuel System CS-100 - Echo Chainsaw
Pos
Número de artículo
Descripción
1
1699999999999
2
1613201100130
3
16-132010-00130
Benzinleitung(Gummi)
4
1613131200130
5
1613131500330
6
16-131313-00330
Halter
7
16
16
8
16-131311-00331
Verbindung
9
16-131310-00230
Dichtung
11
1613132000130
12
16-131205-30830
Benzinfilter
14
16-900720-00029
O-Ring CS-4500, CS-4601, CSG-
15
1613101700130
17
1613201300130
19
1613130500131
20
1643741000130
Gestión de calidad
Ayúdenos a mejorar esta página. Infórmenos de los errores que haya encontrado.