Echo EG-2300 - Portable Generator, S/N: 01001 - 03371 Cylinder Head Listas de piezas de repuesto y dibujos
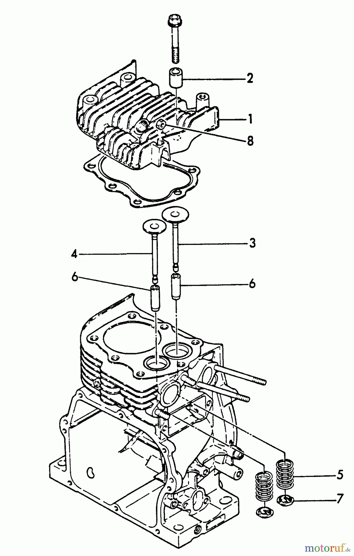
Cylinder Head EG-2300 - Echo Portable Generator, S/N: 01001 - 03371

| Pos | Número de artículo | Descripción | |
| 1 | 1699999999999 | ||
| 2 | 16Y16071011050 | ||
| 3 | 16Y16071011100 | ||
| 4 | 16Y16071011110 | ||
| 5 | 16Y16071011120 | ||
| 6 | 16Y16061011160 | ||
| 7 | 16Y16061011180 | ||
| 8 | 16Y26756060002 | ||


Gestión de calidad
Ayúdenos a mejorar esta página. Infórmenos de los errores que haya encontrado.

