.es
Cesta
vacia
Mi cuenta
Registrarse
Iniciar sesión
Home
Contacto
Nuestra empresa
Álbum de visitantes
Envío
Condiciones y Privacidad
Datos identificativos
Piezas de repuesto
Búsqueda por nº de artículo
Listas de piezas de repuesto y dibujos
Cadenas de sierra
Espadas
Piñones
Antiguedades
Catálogo
Jardín
Industria
Artículos eléctricos
Filtro
Correas trapezoidales / poleas de correa
Artículos de invierno
Trabajos forestales
Piezas de máquinas
Taller
Piezas del motor
Cortar, desbrozar
Juguetería
Lo más vendido
Servicios
Servicio de búsqueda
Determinar cadena de sierra
DE
EN
FR
ES
IT
Versión móvil de la página
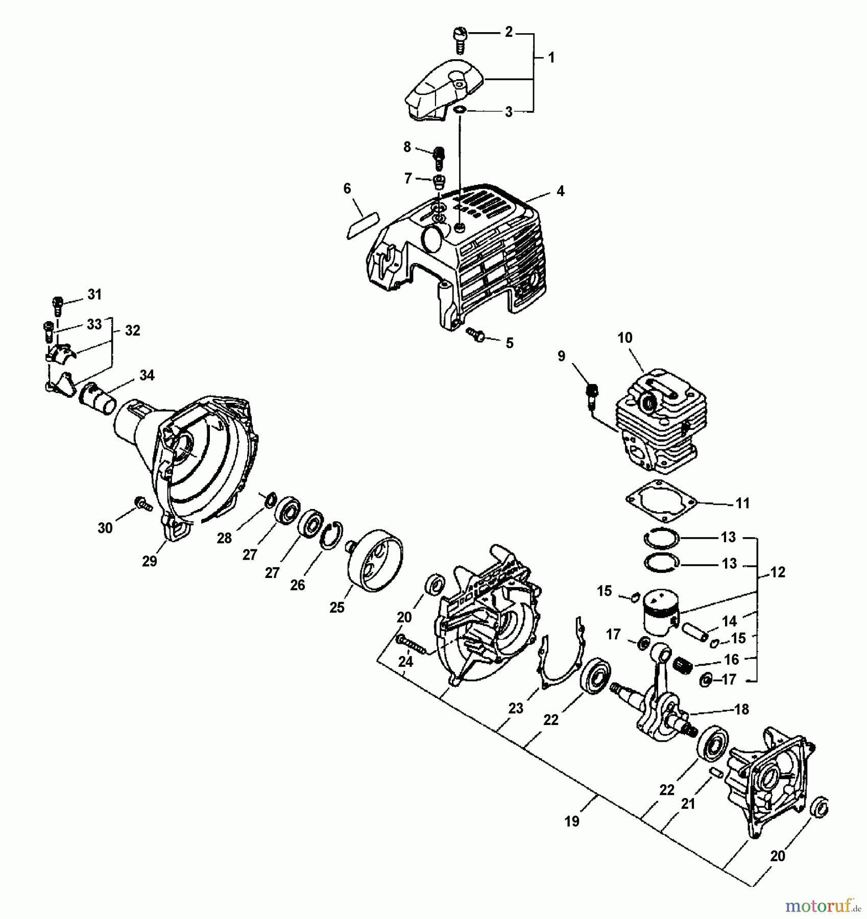
Echo PE-3100 - Edger (Type 1E) Clutch Housing, Engine, Engine Cover Listas de piezas de repuesto y dibujos
Start
Echo
Kantenschneider
PE-3100 - Echo Edger (Type 1E)
Clutch Housing, Engine, Engine Cover
Clutch Housing, Engine, Engine Cover PE-3100 - Echo Edger (Type 1E)
Pos
Número de artículo
Descripción
1
16-159902-55230
Zylindergehäuseschutz
2
16-352325-55230
Rändelmutter SRM-3150/3155
3
16-900720-00004
O- Ring/SHR-170SI
4
1610151455830
5
16-900162-05012
Bolzen EA-410
6
1689011258830
7
16-101531-55230
Buchse SRM-3150, SRM-3155
8
16-900162-05020
Schraube M5x20 PB-6000/-46LN/-
9
16-900162-05020
Schraube M5x20 PB-6000/-46LN/-
10
16-101034-55630
Zylinder SRM-3150
11
16-101010-55430
Fußdichtung, Papier SRM-3150/
12
16-100000-55431
Kolben kpl. SRM-3150 SRM-3155
13
16-100011-16131
Kolbenring SRM-320
14
16-100013-27430
Kolbenbolzen SRM-320, SRM-350
15
16-100015-03931
Sicherungsring
16
16-100012-16131
Nadellager SRM-320/SRM-350/
17
16-100014-53630
Distanzscheibe, Kolben SRM-
18
16
16
19
16
16
20
16-100213-05530
Simmerring SRM-320/350/RM-
21
16-V622-000020
Stift
22
16-94035-36201
Kugellager EA-410/SHR-170SI
23
16
16
24
16-900162-05030
Schraube CS-3500,-3501, SRM-
25
1617500555730
26
16-900702-00028
Seegerring, innen, 28mm
27
169405106001
28
16-900701-00012
Seegerring außen 12mm
29
1610151155830
30
16-900162-05020
Schraube M5x20 PB-6000/-46LN/-
31
16-900162-05012
Bolzen EA-410
32
1661090355430
33
16-900162-05025
Schraube 5x25 CS-5100/PB-46LN/
34
1661091055730
16SB1028
1688900055430
16-101010-55430
Fußdichtung, Papier SRM-3150/
16
16
16-130010-05960
Dichtung
1613001055730
16-145510-55430
Auspuffdichtung SRM-3150
1614586655730
Gestión de calidad
Ayúdenos a mejorar esta página. Infórmenos de los errores que haya encontrado.