Echo PE-2000 - Edger (Type 1E) Engine, Fan Housing, Cylinder Cover Listas de piezas de repuesto y dibujos
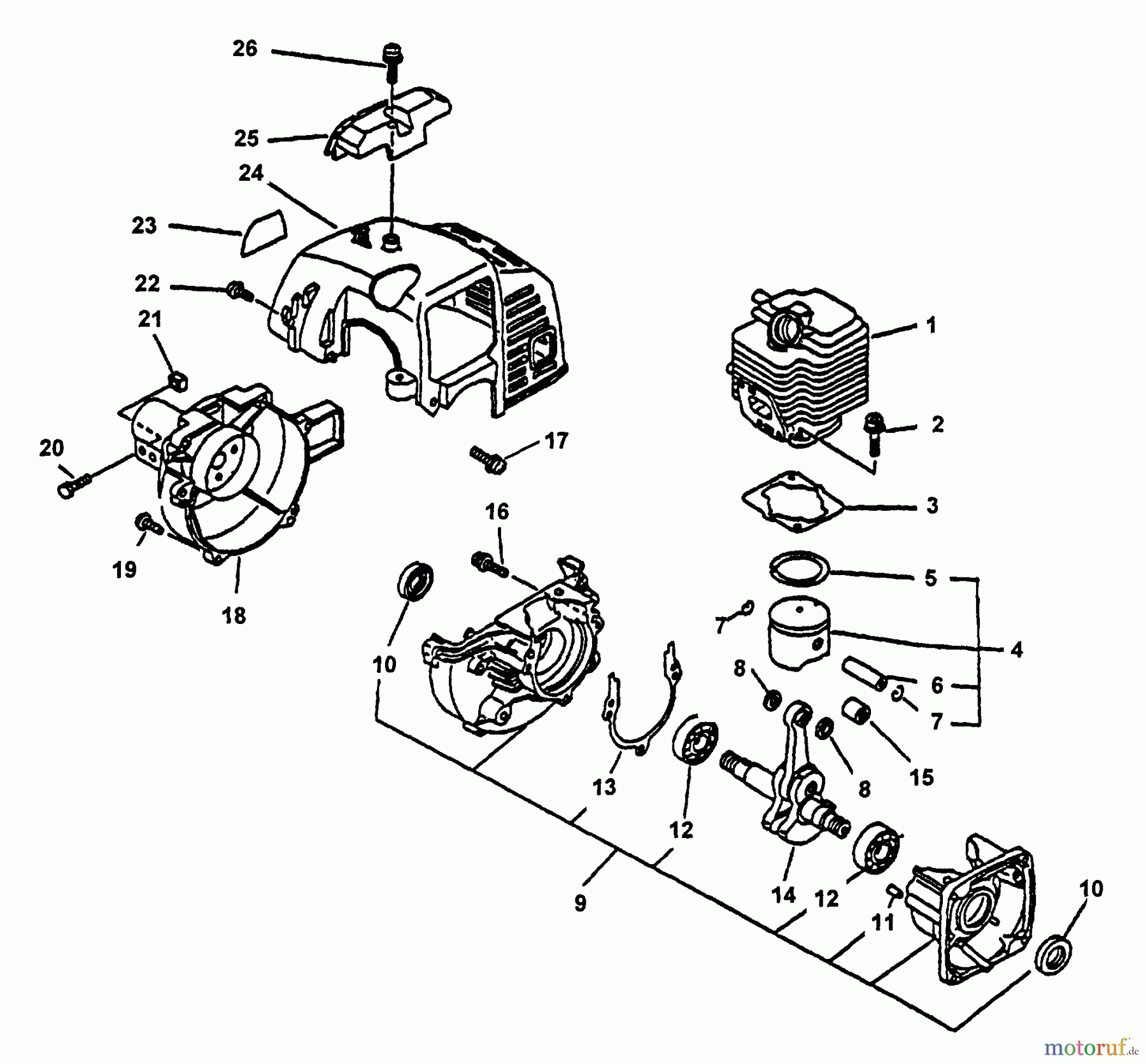
Engine, Fan Housing, Cylinder Cover PE-2000 - Echo Edger (Type 1E)



Gestión de calidad
Ayúdenos a mejorar esta página. Infórmenos de los errores que haya encontrado.


