volver a
>
Roth / TORO
>
Ride-On Mowers
>
Traktor
>
520 Lxi
>
521/73580
>
9900001
>
Liquid Cooled GAS Engine Assy.
Lista de repuestos para Toro Roth / TORO Liquid Cooled GAS Engine Assy.
pos.
descripción
Número de pieza
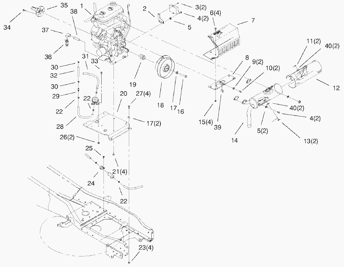
1
Engine Service ASM
98-8063
2
Bracket-Kawasaki Module
95-4063-03
3
Screw Thread Forming
32144-4
4
Screw-HH
33114-016
5
Lockwasher
3253-4
6
Capscrew
322-3
7
Shroud-Muffler
94-7523-03
8
Support-Muffler
94-7631-03
9
Washer-Lock (Only On: 72042, 72062)
3253-5
10
Capscrew
323-6
11
Lock Nut
32152-4
12
Reflector-Heat
95-3990
13
SCHRAUBE
321-3
14
Muffler-Kawaski
94-7557
15
Nut
32153-3
16
Screw-Cap
94-7974
17
Flat Washer
3256-24
18
Clutch-PTO
94-2190
19
Spacer-Clutch
94-2068
20
Plate-Engine
94-7848-03
21
Screw-Threadlocking
95-4184
22
Clamp-Hose
95-4271
23
Locknut
3296-39
24
Clamp
2412-104
25
Self Tapping Screw
32144-70
26
Locknut
3296-8
27
Screw-Cap Hex Hd.
323-7
28
Hose-Fuel
95-4276
29
Fitting-Barbed Adapter
95-4061
30
Clamp-Hose
2412-98
31
Hose-Fuel
95-4275
32
Hose-Fuel
95-4277
33
Capscrew
321-5
34
Screw-Threadlocking
95-4232
35
Hub-Drive
94-2066
36
Valve-Oil Drain (Only On: 72103, 72083)
92-6877
37
Elbow-90<12>
2811-16
38
Nipple-Pipe
289-51
39
Bumper
98-5023
40
Washer
3256-22
Toro
Roth / TORO
Ride-On Mowers
Traktor
264-6
246 HE
244-5
212-H
212-5
17-44 HXLE
16-44 HXL
16-38 HXL
16-38 XLE
15-44 HXL
15-38 HXL
14-38 HXL
14-38 XL
13-38 HXL
13-38 XL
13-32 XLE
12-38 HXL
12-38 XL
12-32 XL
264 H
265 H
267 H
268 H
270 H
520 xi
520 Lxi
521/73546
521/73580
9900001
Bumper & Hood Support Assy.
Steering Tower & Fuel Tank SupportS Assy.
Attach-A-Matic & Hitch Assy.
Lower Power Steering Assy.
Power Steering & Tilt Assy.
Tie Rods, Spindle, & Front Axle Assy.
Hydro Transaxle Assy.
Hydro Transaxle Assy. (Cont.)
Transmission Assy.
Drive Shaft Assy.
Lower Hydro Lift Assy.
Upper Hydro Lift Assy.
Hood & HeadLight Assy.
Grill & Side Panels Assy.
Dash Assy.
Fender, Footrest, & Seat Assy.
Fender, Footrest, & Seat Assy. (Cont.)
Rear Smart Turn Assy.
Hi-Lo Shift Assy.
Upper Parking Brake Assy.
Hydro Controls Assy.
Front Smart Turn Assy.
Lower Parking Brake Assy.
Cruise Control Assy.
Fender & Fuel System Assy.
Wheel Assy.
Liquid Cooled GAS Engine Assy.
Liquid Cooled GAS Engine Assy. (Cont.)
20 HP Electrical Assy.
Crankcase Assy.
Piston & Crankshaft Assy.
Valve/Camshaft Assy.
Oil Pump & Filter Assy.
Water Pump Assy.
Electrical Components
Governor Assy.
Carburetor Assy.
Air Cleaner Assy.
Fuel Pump & Filter Assy.
Starter Assy.
200000001
210000001
523 Dxi
Rider
Mower decks
Attachements
Hand operated
Robin
Condiciones
(C) by motoruf