volver a
>
Roth / TORO
>
Hand operated
>
Lawnmower
>
4-stroke SP
>
496/26625 BG
>
1000001
>
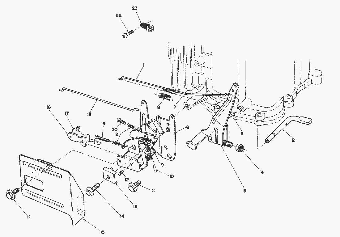
Governor Assy. (Engine No. VML0-5)
Lista de repuestos para Toro Roth / TORO Governor Assy. (Engine No. VML0-5)
pos.
descripción
Número de pieza
1
Rod-Carburetor
81-4450
2
Shaft-Governor
81-4480
3
E-Ring
81-4540
4
Nut
81-4490
5
Governor Arm Assembly
81-4500
6
Throttle & Choke Control
81-4510
7
Spring-Carburetor Rod
81-4470
8
Spring-Choke Lever
81-4460
9
Spring
81-4570
10
Spring-Governor
81-4520
11
SCHRAUBE
81-1170
12
Rivet
81-4530
13
Clamp-Cable
81-1690
14
SCHRAUBE
50-0130
15
Guard-Throttle
57-5750
16
ISOLIERSTUECK
81-1830
17
ANSCHLAG
81-1840
18
Rod-Choke
81-4440
19
Screw
81-4560
20
Screw
81-4550
21
Spring-Compression
81-2900
22
Screw
81-0380
23
Clamp
81-4780
Toro
Roth / TORO
Ride-On Mowers
Hand operated
Sweeper
Snowthrower
Vac/Blower
Lawnmower
Grass Baggers
4-stroke SP
498/26638
498/26633
498/26633 B
498/26631 B
496/26639
496/26636
496/26636 B
496/26635 BC
496/26625 BG
1000001
Muffler Assy. (Engine No. VML0-5)
Recoil Assy. (Engine No. VML0-5)
Air Cleaner & Fuel Tank Assy. (Engine No. VML0-5)
Carburetor Assy. (Engine No. VML0-5)
Governor Assy. (Engine No. VML0-5)
Ignition & Flywheel Assy. (Engine No. VML0-5)
Crankcase Assy. (Cont.) (Engine No. VML0-5)
Crankcase Assy. (Engine No. VML0-5)
Side Discharge Chute Model No. 59112 (Optional)
Bag Assy. Model 26625B Serial Nos. 1000363- & up Model 26625BG Serial Nos.1000301 & up
Bag Assy. Model 26625B Serial Nos. 1000101-1000362 Model 26625BG Serial Nos. 1000101-1000300
Traction Control Assy.
Handle Assy.
Gearbox Assy. (Cont.)
Gearbox Assy.
Starter Engine Assy.
Blade Assy.
Engine Assy.
Housing Assy. (Cont.)
Housing Assy.
495/26637
495/26632
495/26632 B
495/26630 BC
495/26630 BG
495/26620 BG
494/20784
494/20791
493/20783
493/20789
492/20787
492/20778
491/20786
491/20777
491/20328 B
490/20327 B
489/20927 B
489/20926 B
489/20925
488/20920
487/20914
487/20909 BC
487/20905
479
477
469
465/20781
465/20779
464
459/20824
459/20821
459/20821 B
459/20820 BC
458/20823
458/20822
457
456/20808
456/20808 B
456/20807 BC
456/20806 B
455/20803
455/20803 B
455/20802 BC
455/20801 B
453
449
439
437/22173
437/22157
437/22154
437/22154 B
437/22153 BC
434
424
421/20652
417/20832
417/20829
417/20827
416/20831
416/20828
416/20826
415/20817
415/20811
4-stroke
2-stroke SP
2-stroke
Electric
Battery
Robin
Condiciones
(C) by motoruf