volver a
>
Roth / TORO
>
Hand operated
>
Lawnmower
>
4-stroke SP
>
496/26625 BG
>
1000001
>
Gearbox Assy.
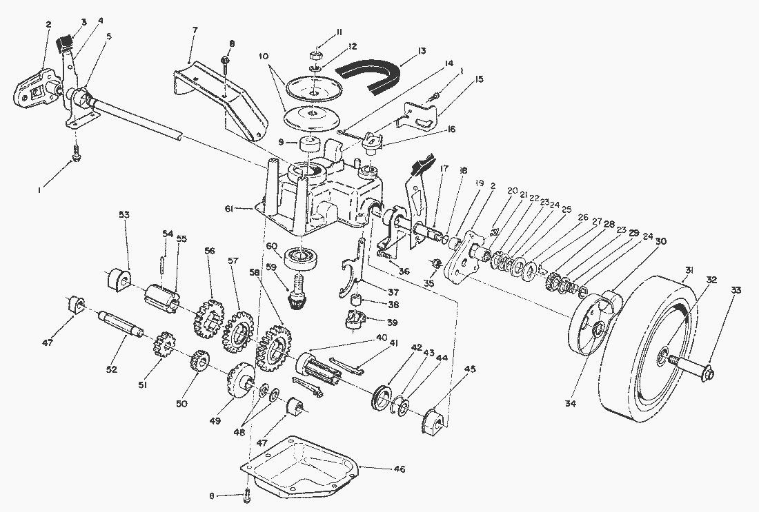
Lista de repuestos para Toro Roth / TORO Gearbox Assy.
pos.
descripción
Número de pieza
11-9519
pos.
descripción
Número de pieza
1
Self Tapping Screw
32144-70
2
Pivot Arm Assembly (Incl. Ref.
65-5042
3
Knob-Arm
25-7740
4
Spring Arm Assembly
65-5440
5
Cap-End
66-0360
7
Bracket-Belt Guide
65-5190
8
Screw-Self Tapping
49-2040
9
Spacer
62-6660
10
Pulley-Half
60-8840
11
Nut-Lock
3296-5
12
Flat Washer
3256-24
13
V-Belt
66-0210
14
Cotter Pin
3272-5
15
Retainer-Cable
76-2930
16
Lever-Shift
76-0920
17
Shaft-Output
65-4770
18
Seal-O-Ring
237-153
19
Bushing
47-2900
20
Grease Fitting
302-56
21
Bearing-Needle
48-2060
22
Washer-Thrust (Inner)
65-4730
23
Washer-Keyed Thrust
65-4740
24
Ring-Retaining
65-2720
25
Washer-Friction
65-4710
26
Washer-Clutch
65-4760
27
Key-Rocking L H.
66-6050
Key-Rocking R.H.
66-6040
28
Gear-Pinion
65-4750
29
Spring-Compression
65-4720
30
Cover-Wheel
74-1660
32
Bushing-Wheel
27-6250
33
Bolt-Wheel
27-6231
34
Spacer-Wheel
74-1670
35
Locknut
3296-6
36
Screw-Cap Socket Hd.
65-5220
37
Yoke-Shift
60-8870
38
Bushing-Yoke
29-9570
39
Retainer-Shift Fork
60-8810
40
Sleeve-Shift Key
76-0780
41
Key-Shift
76-0760
42
Collar-Shift
76-0770
43
Clip-Spring
65-5250
44
Washer-Thrust
36-4780
Toro
Roth / TORO
Ride-On Mowers
Hand operated
Sweeper
Snowthrower
Vac/Blower
Lawnmower
Grass Baggers
4-stroke SP
498/26638
498/26633
498/26633 B
498/26631 B
496/26639
496/26636
496/26636 B
496/26635 BC
496/26625 BG
1000001
Muffler Assy. (Engine No. VML0-5)
Recoil Assy. (Engine No. VML0-5)
Air Cleaner & Fuel Tank Assy. (Engine No. VML0-5)
Carburetor Assy. (Engine No. VML0-5)
Governor Assy. (Engine No. VML0-5)
Ignition & Flywheel Assy. (Engine No. VML0-5)
Crankcase Assy. (Cont.) (Engine No. VML0-5)
Crankcase Assy. (Engine No. VML0-5)
Side Discharge Chute Model No. 59112 (Optional)
Bag Assy. Model 26625B Serial Nos. 1000363- & up Model 26625BG Serial Nos.1000301 & up
Bag Assy. Model 26625B Serial Nos. 1000101-1000362 Model 26625BG Serial Nos. 1000101-1000300
Traction Control Assy.
Handle Assy.
Gearbox Assy. (Cont.)
Gearbox Assy.
Starter Engine Assy.
Blade Assy.
Engine Assy.
Housing Assy. (Cont.)
Housing Assy.
495/26637
495/26632
495/26632 B
495/26630 BC
495/26630 BG
495/26620 BG
494/20784
494/20791
493/20783
493/20789
492/20787
492/20778
491/20786
491/20777
491/20328 B
490/20327 B
489/20927 B
489/20926 B
489/20925
488/20920
487/20914
487/20909 BC
487/20905
479
477
469
465/20781
465/20779
464
459/20824
459/20821
459/20821 B
459/20820 BC
458/20823
458/20822
457
456/20808
456/20808 B
456/20807 BC
456/20806 B
455/20803
455/20803 B
455/20802 BC
455/20801 B
453
449
439
437/22173
437/22157
437/22154
437/22154 B
437/22153 BC
434
424
421/20652
417/20832
417/20829
417/20827
416/20831
416/20828
416/20826
415/20817
415/20811
4-stroke
2-stroke SP
2-stroke
Electric
Battery
Robin
Condiciones
(C) by motoruf