volver a
>
Roth / TORO
>
Hand operated
>
Lawnmower
>
4-stroke SP
>
495/26620 BG
>
1000001
>
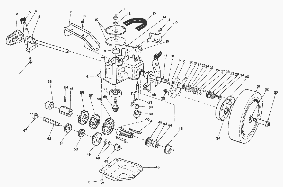
Gearbox Assy. (Cont.)
Lista de repuestos para Toro Roth / TORO Gearbox Assy. (Cont.)
pos.
descripción
Número de pieza
39
Retainer-Shift Fork
60-8810
40
Sleeve-Shift Key
76-0780
41
Key-Shift
76-0760
42
Collar-Shift
76-0770
43
Clip-Spring
65-5250
44
Washer-Thrust
36-4780
45
Bushing-Output Shaft
60-8770
46
Cover-Gear Case
60-8730
47
Bushing-Intrmdt. Shaft
60-8750
48
Washer-Thrust
36-4791
49
Gear-Pinion 15T
55-3760
50
Gear-Pinion 20T
55-3780
51
Gear-Pinion 25T
55-3800
52
Shaft-Intermediate
60-8800
53
Bushing-Output Shaft
60-8850
54
Pin-Roll
32121-120
55
Sleeve-Gear
60-8790
56
Gear-39T (3rd Gear)
55-3810
57
Gear-44T (2nd Gear)
55-3790
58
Gear-49T (1st Gear)
55-3770
59
Pinion-Bevel
60-8890
60
Ball Bearing
38-7820
61
Case-Gear (Upper)
60-8710
Gear Case Assy. Complete
62-6673
Toro
Roth / TORO
Ride-On Mowers
Hand operated
Sweeper
Snowthrower
Vac/Blower
Lawnmower
Grass Baggers
4-stroke SP
498/26638
498/26633
498/26633 B
498/26631 B
496/26639
496/26636
496/26636 B
496/26635 BC
496/26625 BG
495/26637
495/26632
495/26632 B
495/26630 BC
495/26630 BG
495/26620 BG
2000001
1000001
Leaf Shredder Kit Model No. 59181
Recoil Assy. (Engine No. VM140)
Mulching Kit Model No. 59172
Muffler Assy. (Engine No. VM140)
Air Cleaner & Fuel Tank Assy. (Engine No. VM140)
Carburetor Assy. (Engine No. VM140)
Governor Assy. (Engine No. VM140)
Ignition & Flywheel Assy. (Engine No. VM140)
Crankcase Assy. (Cont.)(Engine No. VM140)
Crankcase Assy. (Engine No. VM140)
Side Discharge Chute Model No. 59112 (Optional)
Bag Assy. Model 26620B
Bag Assy. Model 26620B Serial Nos. 1001116 & up Model 26620BG Serial Nos. 1000101 & up
Traction Control Assy.
Handle Assy.
Gearbox Assy. (Cont.)
Gearbox Assy.
Engine Assy.
Blade Assy.
Housing Assy. (Cont.)
Housing Assy.
0009001
494/20784
494/20791
493/20783
493/20789
492/20787
492/20778
491/20786
491/20777
491/20328 B
490/20327 B
489/20927 B
489/20926 B
489/20925
488/20920
487/20914
487/20909 BC
487/20905
479
477
469
465/20781
465/20779
464
459/20824
459/20821
459/20821 B
459/20820 BC
458/20823
458/20822
457
456/20808
456/20808 B
456/20807 BC
456/20806 B
455/20803
455/20803 B
455/20802 BC
455/20801 B
453
449
439
437/22173
437/22157
437/22154
437/22154 B
437/22153 BC
434
424
421/20652
417/20832
417/20829
417/20827
416/20831
416/20828
416/20826
415/20817
415/20811
4-stroke
2-stroke SP
2-stroke
Electric
Battery
Robin
Condiciones
(C) by motoruf