volver a
>
Roth / TORO
>
Hand operated
>
Lawnmower
>
4-stroke SP
>
495/26620 BG
>
1000001
>
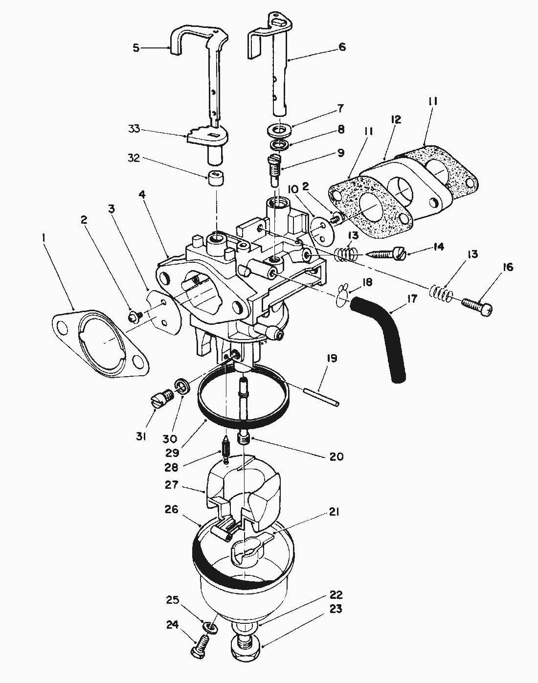
Carburetor Assy. (Engine No. VM140)
Lista de repuestos para Toro Roth / TORO Carburetor Assy. (Engine No. VM140)
pos.
descripción
Número de pieza
50-5610
pos.
descripción
Número de pieza
1
Gasket Air Cleaner
81-4250
2
Screw
81-2710
3
Valve-Choke
81-2720
4
5
Shaft-Choke (Incl. Ref.
81-5510
6
Shaft-Throttle
81-2920
7
Washer
81-4280
8
Seal-Throttle Shaft
81-4290
9
Jet-Pilot (
81-5620
10
Valve-Throttle
81-2940
11
Gasket-Carburetor
81-5560
12
Block-Insulator
81-5570
13
Spring-Pilot Screw
81-2580
14
Screw-Pilot
50-2360
16
Screw-Idle Stop
50-0250
17
Tube-Bowl Vent
81-4310
18
Clamp
81-4300
19
STIFT
81-5600
20
Nozzle-Main
81-5630
21
Spacer-Float
81-4940
22
Gasket-Bowl Screen
81-2650
23
Screw-Float Bowl
81-2660
24
Screw-Drain
81-2670
25
Gasket-Drain Screw
81-2680
26
Bowl-Float
81-4340
27
Float
81-4920
28
Needle
81-4700
29
SCHWIMMERTOPFDICHTUNG
81-2630
30
Spacer
81-4350
Jet-Main (77.5 High Alt.)
81-5640
32
Ring-Lower Choke
81-5530
33
Ring-Upper Choke
81-5520
Choke Shaft Assembly (Incl. Ref.
81-4270
Carburetor Assembly (Incl. Ref.
81-5590
Toro
Roth / TORO
Ride-On Mowers
Hand operated
Sweeper
Snowthrower
Vac/Blower
Lawnmower
Grass Baggers
4-stroke SP
498/26638
498/26633
498/26633 B
498/26631 B
496/26639
496/26636
496/26636 B
496/26635 BC
496/26625 BG
495/26637
495/26632
495/26632 B
495/26630 BC
495/26630 BG
495/26620 BG
2000001
1000001
Leaf Shredder Kit Model No. 59181
Recoil Assy. (Engine No. VM140)
Mulching Kit Model No. 59172
Muffler Assy. (Engine No. VM140)
Air Cleaner & Fuel Tank Assy. (Engine No. VM140)
Carburetor Assy. (Engine No. VM140)
Governor Assy. (Engine No. VM140)
Ignition & Flywheel Assy. (Engine No. VM140)
Crankcase Assy. (Cont.)(Engine No. VM140)
Crankcase Assy. (Engine No. VM140)
Side Discharge Chute Model No. 59112 (Optional)
Bag Assy. Model 26620B
Bag Assy. Model 26620B Serial Nos. 1001116 & up Model 26620BG Serial Nos. 1000101 & up
Traction Control Assy.
Handle Assy.
Gearbox Assy. (Cont.)
Gearbox Assy.
Engine Assy.
Blade Assy.
Housing Assy. (Cont.)
Housing Assy.
0009001
494/20784
494/20791
493/20783
493/20789
492/20787
492/20778
491/20786
491/20777
491/20328 B
490/20327 B
489/20927 B
489/20926 B
489/20925
488/20920
487/20914
487/20909 BC
487/20905
479
477
469
465/20781
465/20779
464
459/20824
459/20821
459/20821 B
459/20820 BC
458/20823
458/20822
457
456/20808
456/20808 B
456/20807 BC
456/20806 B
455/20803
455/20803 B
455/20802 BC
455/20801 B
453
449
439
437/22173
437/22157
437/22154
437/22154 B
437/22153 BC
434
424
421/20652
417/20832
417/20829
417/20827
416/20831
416/20828
416/20826
415/20817
415/20811
4-stroke
2-stroke SP
2-stroke
Electric
Battery
Robin
Condiciones
(C) by motoruf