volver a
>
Roth / TORO
>
Hand operated
>
Lawnmower
>
4-stroke SP
>
495/26620 BG
>
1000001
>
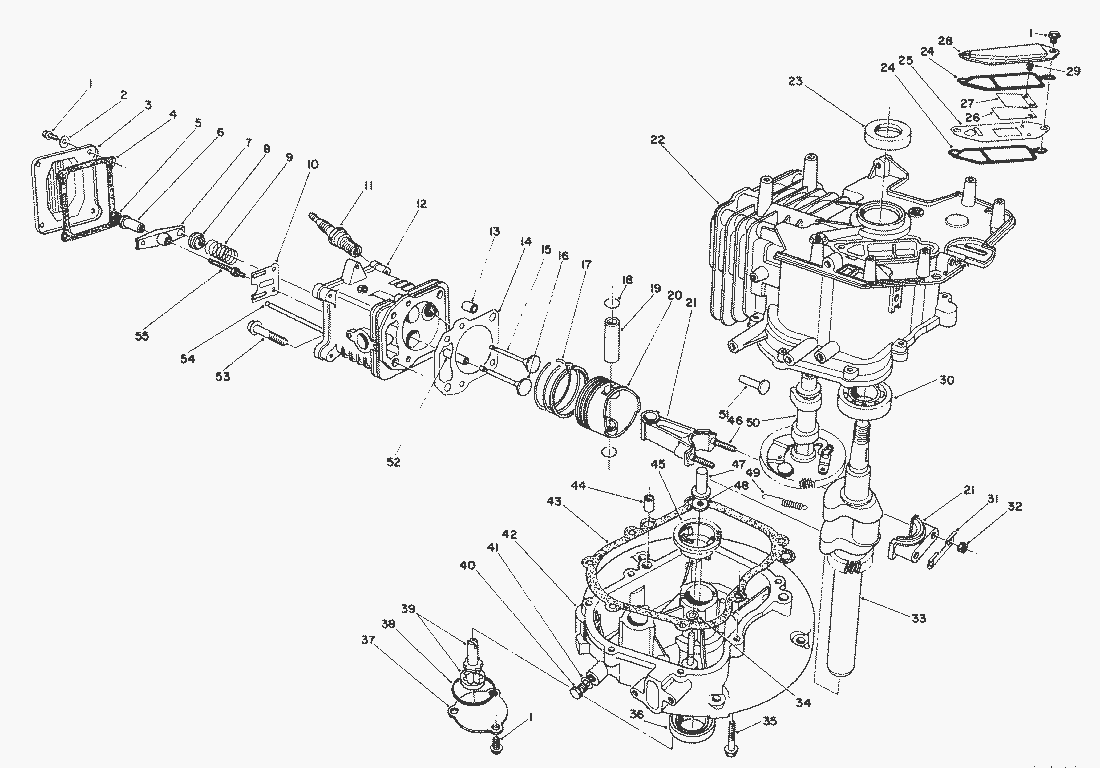
Crankcase Assy. (Engine No. VM140)
Lista de repuestos para Toro Roth / TORO Crankcase Assy. (Engine No. VM140)
pos.
descripción
Número de pieza
81-5730
pos.
descripción
Número de pieza
1
SCHRAUBE
81-1170
2
Washer
81-3790
3
Cover-Rocker Arm
81-3780
4
Gasket-Cover
81-3770
5
Nut-Jam
81-3760
6
Pivot-Rocker Arm
81-3750
7
Arm-Rocker
81-3740
8
Retainer-Valve Spring
81-3730
9
Spring-Valve
81-3720
10
Guide-Push Rod
81-3710
11
Plug-Spark
81-3250
12
Head-Cylinder (Incl. Ref.
81-5540
13
Pin-Dowel
81-3690
14
Gasket-Cylinder Head
81-4710
Gasket Set
81-3820
15
Valve-Exhaust
81-3660
16
Valve-Intake
81-3670
17
Piston Ring Set
81-3650
18
Circlip
50-0960
19
Pin-Piston
81-3630
20
Piston
81-3620
21
Connecting Rod Assembly (Incl. Ref.
81-3390
22
Block-Engine (Incl. Ref.
81-3280
23
Seal-Upper Crankshaft
81-3290
24
Gasket-Breather
81-3300
25
26
Reed Valve Assembly (Incl. Ref.
81-3370
27
28
Cover-Breather
81-3320
29
30
Bearing-Ball
81-3380
31
Plate-Lock
81-3400
Toro
Roth / TORO
Ride-On Mowers
Hand operated
Sweeper
Snowthrower
Vac/Blower
Lawnmower
Grass Baggers
4-stroke SP
498/26638
498/26633
498/26633 B
498/26631 B
496/26639
496/26636
496/26636 B
496/26635 BC
496/26625 BG
495/26637
495/26632
495/26632 B
495/26630 BC
495/26630 BG
495/26620 BG
2000001
1000001
Leaf Shredder Kit Model No. 59181
Recoil Assy. (Engine No. VM140)
Mulching Kit Model No. 59172
Muffler Assy. (Engine No. VM140)
Air Cleaner & Fuel Tank Assy. (Engine No. VM140)
Carburetor Assy. (Engine No. VM140)
Governor Assy. (Engine No. VM140)
Ignition & Flywheel Assy. (Engine No. VM140)
Crankcase Assy. (Cont.)(Engine No. VM140)
Crankcase Assy. (Engine No. VM140)
Side Discharge Chute Model No. 59112 (Optional)
Bag Assy. Model 26620B
Bag Assy. Model 26620B Serial Nos. 1001116 & up Model 26620BG Serial Nos. 1000101 & up
Traction Control Assy.
Handle Assy.
Gearbox Assy. (Cont.)
Gearbox Assy.
Engine Assy.
Blade Assy.
Housing Assy. (Cont.)
Housing Assy.
0009001
494/20784
494/20791
493/20783
493/20789
492/20787
492/20778
491/20786
491/20777
491/20328 B
490/20327 B
489/20927 B
489/20926 B
489/20925
488/20920
487/20914
487/20909 BC
487/20905
479
477
469
465/20781
465/20779
464
459/20824
459/20821
459/20821 B
459/20820 BC
458/20823
458/20822
457
456/20808
456/20808 B
456/20807 BC
456/20806 B
455/20803
455/20803 B
455/20802 BC
455/20801 B
453
449
439
437/22173
437/22157
437/22154
437/22154 B
437/22153 BC
434
424
421/20652
417/20832
417/20829
417/20827
416/20831
416/20828
416/20826
415/20817
415/20811
4-stroke
2-stroke SP
2-stroke
Electric
Battery
Robin
Condiciones
(C) by motoruf