volver a
>
Roth / TORO
>
Hand operated
>
Lawnmower
>
2-stroke SP
>
237/22036
>
0000001
>
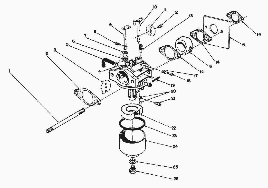
Carburetor Assy. (Model No. 47PK9-3)
Lista de repuestos para Toro Roth / TORO Carburetor Assy. (Model No. 47PK9-3)
pos.
descripción
Número de pieza
1
STEHBOLZEN
81-5450
2
DICHTUNG
81-0090
3
81-0240
4
SCHLAUCH
81-5470
5
KLAMMER
81-5460
6
FEDER
81-0230
7
BUECHSE
81-0220
8
SCHRAUBE
81-2160
9
CHOKEWELLE
81-1950
10
DROSSELWELLE
81-0250
11
DROSSELKLAPPE
81-0260
12
SCHRAUBE
81-0270
13
DUESE(40)
81-1030
14
DICHTUNG
81-0780
15
SCHILD
81-5490
16
ISOLIERSTUECK
81-5440
17
Spring-Pilot Screw
81-2580
18
Screw-Idle Stop
50-0250
19
Pin-Hinge
81-2600
20
SCHWIMMERNADEL
81-4910
21
Jet-Main (
81-1060
DUESE
81-2340
22
SCHWIMMER
81-0970
23
DICHTUNG
81-1010
24
SCHWIMMERGEHAEUSE
81-5660
25
DICHTUNG
81-1020
26
SCHRAUBE
81-5670
VERGASER-REP.-SATZ
12-6379
Carburetor Assy. Complete
81-5430
Toro
Roth / TORO
Ride-On Mowers
Hand operated
Sweeper
Snowthrower
Vac/Blower
Lawnmower
Grass Baggers
4-stroke SP
4-stroke
2-stroke SP
295/26643
295/26643 B
295/26640 BC
295/26640 B
287/20916B
277
255/22700 BC
255/22700
239
237/22045
237/22045 B
237/22044 BC
237/22036
2000001
1000001
0000001
Carburetor Assy. (Model No. 47PK9-3)
Recoil Assy. (Model No. 47PK9-3)
Governor Assy. (Model No. 47PK9-3)
Ignition Assy. (Model No. 47PK9-3)
Muffler Assy. (Model No. 47PK9-3)
ShortBlock Assy. (Model No. 47PK9-3)
Side Discharge Chute Model No. 59110 (Optional)
Steel Grass Catcher (Model 22099)(Optional)
Bag Assy. No. 11-5609
Fuel Tank Assy.
Handle Assy.
Gearbox Assy. (Cont.)
Gearbox Assy.
Engine Assy.
Housing Assy. (Cont.)
Housing Assy.
237/22035
234
224
222/16212 WG
2-stroke
Electric
Battery
Robin
Condiciones
(C) by motoruf