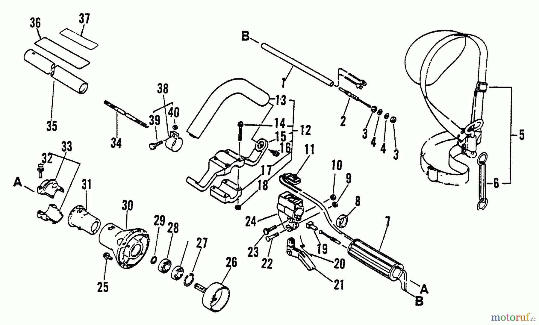
Echo SRM-3000 - String Trimmer, S/N:034001 - 037500 Driveshaft,Throttle,Stop Switch,Handles,Clutch Housing,Harness Listas de piezas de repuesto y dibujos
Driveshaft,Throttle,Stop Switch,Handles,Clutch Housing,Harness SRM-3000 - Echo String Trimmer, S/N:034001 - 037500



Gestión de calidad
Ayúdenos a mejorar esta página. Infórmenos de los errores que haya encontrado.

