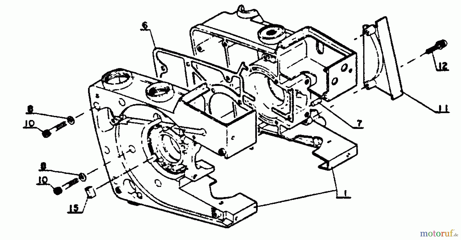
Echo CS-302 - Chainsaw Crankcase Listas de piezas de repuesto y dibujos
Crankcase CS-302 - Echo Chainsaw

| Pos | Número de artículo | Descripción | |
| 1 | 1699999999999 | ||
| 7 | 16-V622-000020 | Stift | |
| 6 | 16-100242-03930 | Kurbelgeh.-Dichtung Produktion | |
| 8 | 16-900600-00004 | Scheibe | |
| 10 | 16-900105-04025 | Schraube | |
| 11 | 1610061803930 | ||
| 12 | ![]() | 16-900242-04020 | Schraube |
| 15 | 1610061403930 | ||


Gestión de calidad
Ayúdenos a mejorar esta página. Infórmenos de los errores que haya encontrado.


