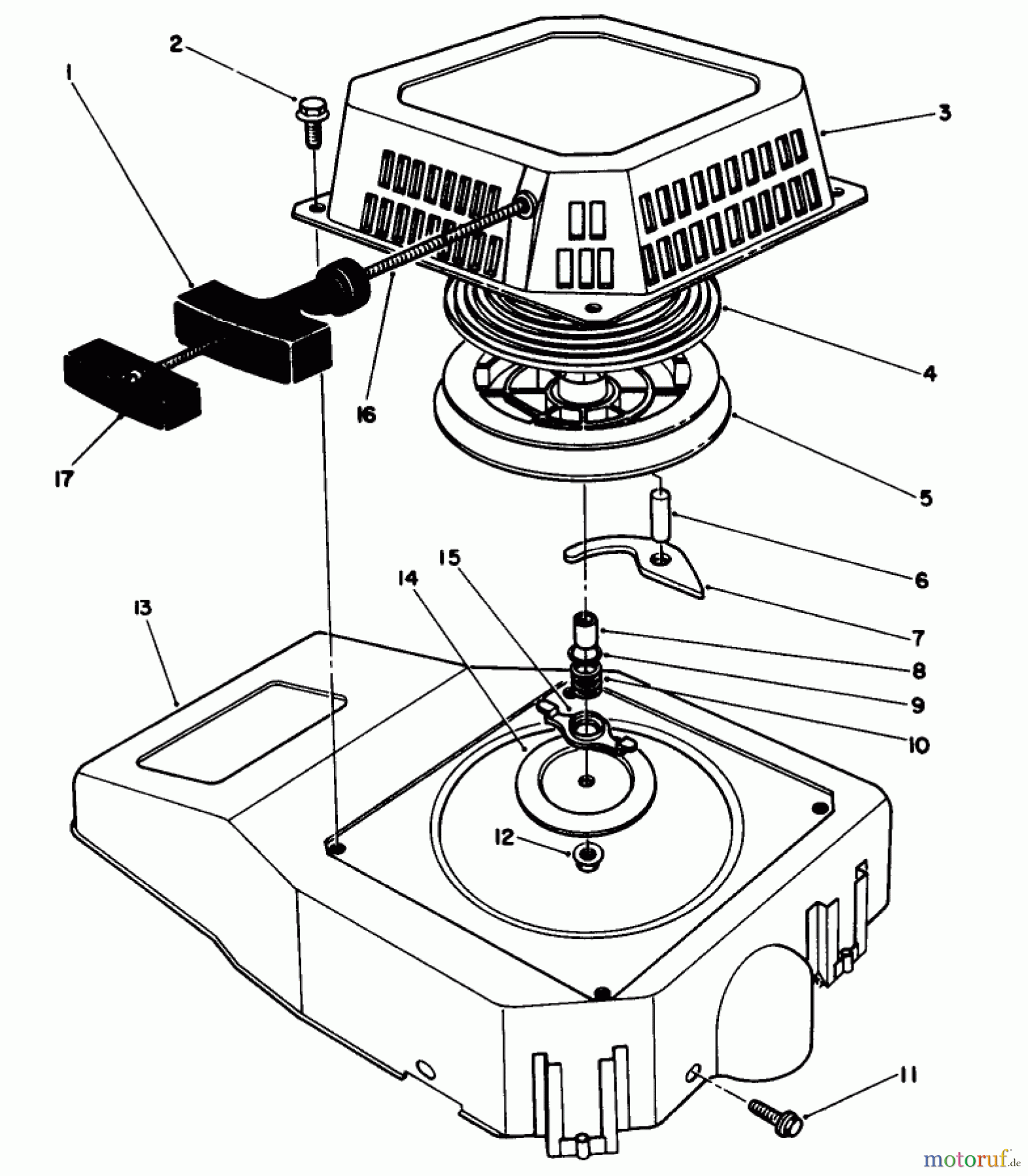
Toro 26621B - Lawnmower, 1991 (1000001-1999999) RECOIL ASSEMBLY (ENGINE MODEL NO. VML0-2) Listas de piezas de repuesto y dibujos
DISCONTINUED
Número de artículo:
TR81-4030
Pos:
6
No está disponible.



Gestión de calidad
Ayúdenos a mejorar esta página. Infórmenos de los errores que haya encontrado.

