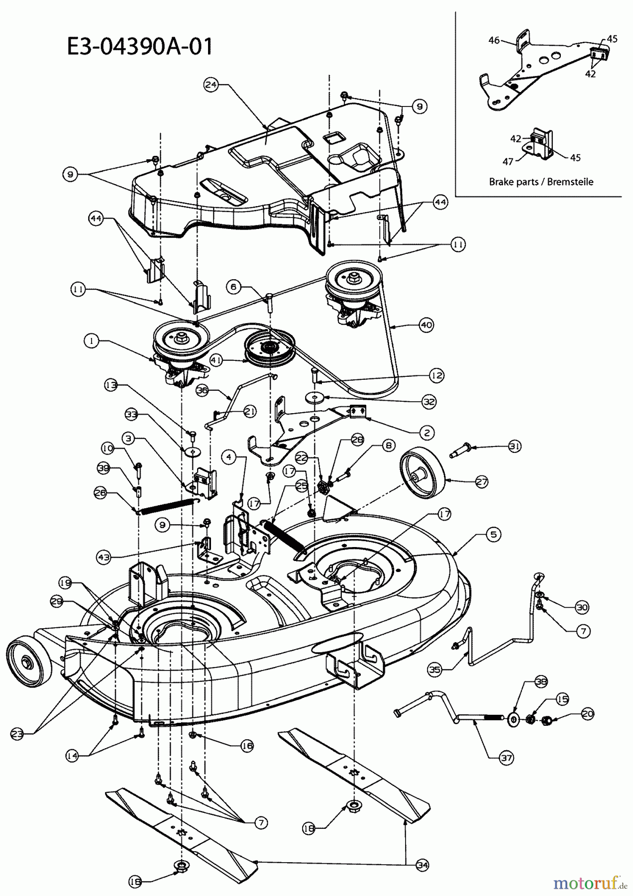
Black Edition 155/96 T 13AM762F404 (2008) Mowing deck F (38"/96cm) Listas de piezas de repuesto y dibujos
SPDL ASM:PUL:5.75" DIA
Nota: Este artículo es 2 veces instalado en el dispositivo, el precio es por pieza!
Número de artículo:
618-04474
Pos:
1
DINNORM:
5.75" DIA 918-04474
Modell Año:
155/96 T / 2008
110.25 €
Incl. IVA en la UE, (envío no incluido)
El artículo se ha añadido a la cesta.
En existencia


































