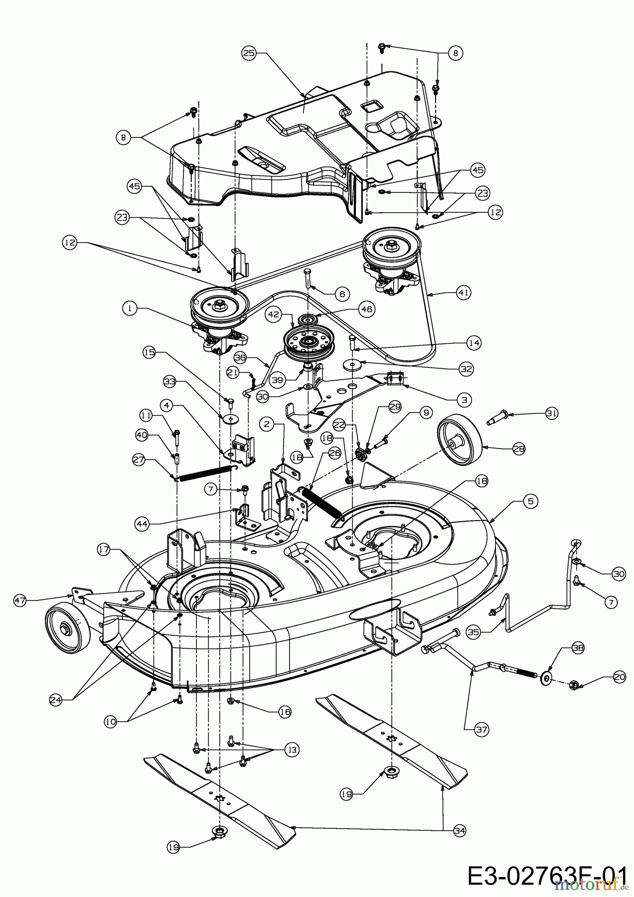
Lux Tools RT 135-96 S 13BH77TF694 (2014) Mowing deck F (38"/96cm) Listas de piezas de repuesto y dibujos
BELT:V TYP:A SEC x 77.75 LG
Número de artículo:
754-04062
Pos:
41
DINNORM:
954-04062
Descripción:
A SEC X 77.75
Modell Año:
145/96 SD / 2014 Smart RF 125 / 2014 Smart RF 125 / 2014 Smart RF 125 M / 2014 Smart RF 145 H / 2014 Smart RF 145 H / 2014 CC 714 HF / 2014 CC 714 HF / 2014 CC 714 TF / 2014 CC 714 TF / 2014 175-96 / 2014 175-96 / 2014 FW 96 / 2014 FW 96 / 2014 VL 96 /
DE
Breite 12,7 mm
Länge aussen 1975 mm
EN
Width 12.7 mm
Length outside 1975 mm
FR
Largeur 12,7 mm
Longueur extérieure 1975 mm
64.48 €
Incl. IVA en la UE, (envío no incluido)
El artículo se ha añadido a la cesta.
En existencia


































