volver a
>
Roth / TORO
>
Ride-On Mowers
>
Rider
>
8-25
>
372/70060
>
39000001
>
Rear Axle Assy.
Lista de repuestos para Toro Roth / TORO Rear Axle Assy.
pos.
descripción
Número de pieza
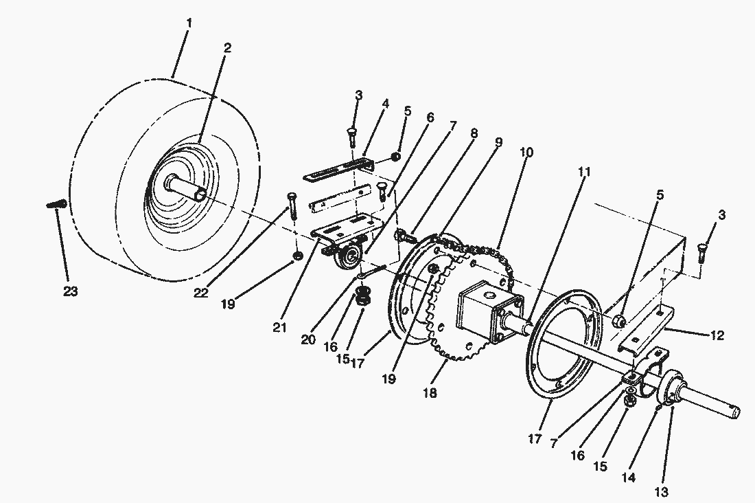
1
Tire
231-115
2
Rim
44-9760
3
Bolt-Carriage
3231-4
4
Plate-Adjusting
61-9990
5
MUTTER
3296-42
6
Carriage Bolt
3231-25
7
Mount-Bearing
47-1480
8
Capscrew
321-4
9
Connecting Link
2710-11
10
Chain (Incl. Ref.
67-0910
11
Differential
56-9960
12
Support L.H.
66-6630-01
13
Bearing (Incl. Ref.
47-1490
14
Set Screw
3245-32
15
Locknut
3296-39
16
Flat Washer
3256-24
17
Guide-Chain
76-1580-0
18
Sprocket
76-4010
19
MUTTER
3296-29
20
Screw-Adjusting
61-9980
21
Support R.H.
66-6620-01
22
Bolt-Mounting, Axle
46-2511
23
Valve Stem
232-27
Kit-Tire Chains (Optional)
11-0410
Toro
Roth / TORO
Ride-On Mowers
Traktor
Rider
HMR 1600
12-32 E
12-32
11-32
10-32 E
8-25
372/70122
372/70060
89000001
79000001
59000001
49000001
39000001
Transmission Model 700-025
Model No. 191707-0121-01
Starter-No. 191707-0121-01
Cutting Unit Assy.
Differential Assy.
Rear Axle Assy.
Electrical Schematic
Engine Assy.
Transmission & Linkage Assy. (Cont.)
Transmission & Linkage Assy.
Rear Body Assy.
Front Axle Assy.
Seat & Fuel Tank Assy.
Frame Assy.
Front Body Assy.
6900001
110-4E
110-4
Mower decks
Attachements
Hand operated
Robin
Condiciones
(C) by motoruf