volver a
motoruf
Warenkorb

Lista de repuestos para Toro Roth / TORO Range Shift




Lista de repuestos


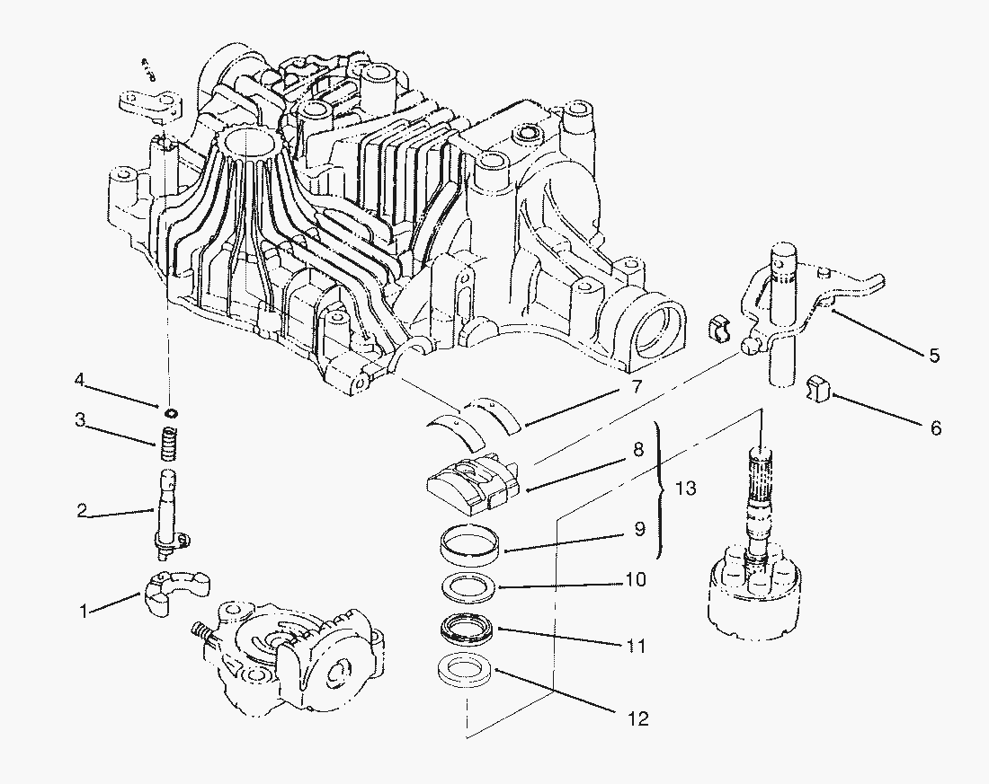
pos.descripciónNúmero de pieza
1Arm (Only On: 72083, 72043, 72103, 72063)93-0395
2Shaft-Bypass (Only On: 72083, 72043, 72103, 72063)93-0397
3Spring (Only On: 72083, 72043, 72103, 72063)93-0396
4Packing (Only On: 72083, 72043, 72103, 72063)93-0400
5Block Set INC 6 (Only On: 72083, 72043, 72103, 72063)93-0398
6
7Thrust Metal (Only On: 72083, 72043, 72103, 72063)93-0388
8
9
10Plate-Thrust (Only On: 72083, 72043, 72103, 72063)93-0394
11Bearing (Only On: 72083, 72043, 72103, 72063)93-0392
12Plate-Thrust (Only On: 72083, 72043, 72103, 72063)93-0393
13Swash Plate INC 8-9 (Only On: 72083, 72043, 72103, 72063)93-0389
Toro
Condiciones
(C) by motoruf