volver a
>
Roth / TORO
>
Hand operated
>
Lawnmower
>
4-stroke SP
>
495/26620 BG
>
2000001
>
Housing Assy.
Lista de repuestos para Toro Roth / TORO Housing Assy.
pos.
descripción
Número de pieza
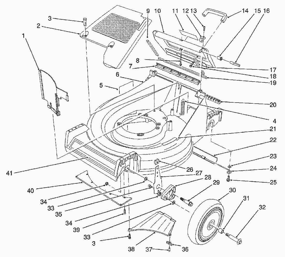
1
Panel-Vertical
66-0020
2
Panel-Screen
65-5660
3
Self Tapping Screw
32144-70
4
Spring-Extension
65-5360
5
Decal-Danger
62-3860
6
Housing-53cm (Incl. Ref.
13-5869
7
Seal-Door
65-5160
8
Cable-Door
65-5370
9
Seal-Door Side
65-5480
10
Door-Discharge (Incl. Ref.
13-5889
11
Decal-Danger
71-8370
12
Clamp-Hinge
65-5140
13
Screw-Thread Forming
65-5210
14
Handle-Door
65-5100
15
Bushing-Door
65-5460
16
Pin-Hinge
65-5290
17
Brace-Door
66-0610
18
Screw-Handle
46-8091
19
Seal-Door (End)
65-5490
20
Cover-Access
65-5150
21
Decal-Step Pad
62-3950
22
Shield-Trailing
65-5350
23
Washer
3256-23
24
Hanger-Shield
76-1980
25
Bolt-Shoulder
5-2490
26
Knob-Arm
25-7740
27
Arm-Front Spring
66-0540
28
Arm-Front Pivot
66-0580
Toro
Roth / TORO
Ride-On Mowers
Hand operated
Sweeper
Snowthrower
Vac/Blower
Lawnmower
Grass Baggers
4-stroke SP
498/26638
498/26633
498/26633 B
498/26631 B
496/26639
496/26636
496/26636 B
496/26635 BC
496/26625 BG
495/26637
495/26632
495/26632 B
495/26630 BC
495/26630 BG
495/26620 BG
2000001
Leaf Shredder Kit Model No. 59180
Mulching Kit Model No. 59181
Recoil Assy. (Engine No. VMM1-7)
Muffler Assy. (Engine No. VMM1-7)
Air Cleaner & Fuel Tank Assy. (Engine No. VMM1-7)
Carburetor Assy. (Engine No. VMM1-7)
Governor Assy. (Engine No. VMM1-7)
Ignition & Flywheel Assy. (Engine No. VMM1-7)
Crankcase Assy. (Cont.)(Engine No. VMM1-7)
Crankcase Assy. (Engine No. VMM1-7)
Side Discharge Chute Model No. 59112 (Optional)
Bag Assy.
Traction Control Assy.
Handle Assy.
Gearbox Assy. (Cont.)
Gearbox Assy.
Blade Assy.
Engine Assy.
Housing Assy. (Cont.)
Housing Assy.
1000001
0009001
494/20784
494/20791
493/20783
493/20789
492/20787
492/20778
491/20786
491/20777
491/20328 B
490/20327 B
489/20927 B
489/20926 B
489/20925
488/20920
487/20914
487/20909 BC
487/20905
479
477
469
465/20781
465/20779
464
459/20824
459/20821
459/20821 B
459/20820 BC
458/20823
458/20822
457
456/20808
456/20808 B
456/20807 BC
456/20806 B
455/20803
455/20803 B
455/20802 BC
455/20801 B
453
449
439
437/22173
437/22157
437/22154
437/22154 B
437/22153 BC
434
424
421/20652
417/20832
417/20829
417/20827
416/20831
416/20828
416/20826
415/20817
415/20811
4-stroke
2-stroke SP
2-stroke
Electric
Battery
Robin
Condiciones
(C) by motoruf