volver a
>
Roth / TORO
>
Hand operated
>
Lawnmower
>
4-stroke SP
>
495/26620 BG
>
2000001
>
Gearbox Assy.
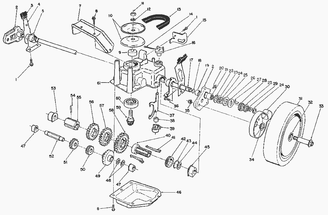
Lista de repuestos para Toro Roth / TORO Gearbox Assy.
pos.
descripción
Número de pieza
11-9519
pos.
descripción
Número de pieza
1
Self Tapping Screw
32144-70
2
Pivot Arm Assembly (Incl. Ref.
65-5042
3
Knob-Arm
25-7740
4
Spring Arm Assembly
65-5440
5
Cap-End
66-0360
7
Bracket-Belt Guide
65-5190
8
Screw-Self Tapping
49-2040
9
Spacer
62-6660
10
Pulley-Half
60-8840
11
Nut-Lock
3296-5
12
Flat Washer
3256-24
13
V-Belt
66-0210
14
Cotter Pin
3272-5
15
Retainer-Cable
76-2930
16
Lever-Shift
76-0920
17
Shaft-Output
65-4770
18
Seal-O-Ring
237-153
19
Bushing
47-2900
20
Grease Fitting
302-56
21
Bearing-Needle
48-2060
22
Washer-Thrust (Inner)
65-4730
23
Washer-Keyed Thrust
65-4740
24
Ring-Retaining
65-2720
25
Washer-Friction
65-4710
26
Washer-Clutch
65-4760
27
Key-Rocking L H.
66-6050
Key-Rocking R.H.
66-6040
28
Gear-Pinion
65-4750
29
Spring-Compression
65-4720
30
Cover-Wheel
74-1660
32
Bushing-Wheel
27-6250
33
Bolt-Wheel
27-6231
34
Spacer-Wheel Cover
74-1671
35
Locknut
3296-6
36
Screw-Cap Socket Hd.
65-5220
37
Yoke-Shift
60-8870
38
Bushing-Yoke
29-9570
Toro
Roth / TORO
Ride-On Mowers
Hand operated
Sweeper
Snowthrower
Vac/Blower
Lawnmower
Grass Baggers
4-stroke SP
498/26638
498/26633
498/26633 B
498/26631 B
496/26639
496/26636
496/26636 B
496/26635 BC
496/26625 BG
495/26637
495/26632
495/26632 B
495/26630 BC
495/26630 BG
495/26620 BG
2000001
Leaf Shredder Kit Model No. 59180
Mulching Kit Model No. 59181
Recoil Assy. (Engine No. VMM1-7)
Muffler Assy. (Engine No. VMM1-7)
Air Cleaner & Fuel Tank Assy. (Engine No. VMM1-7)
Carburetor Assy. (Engine No. VMM1-7)
Governor Assy. (Engine No. VMM1-7)
Ignition & Flywheel Assy. (Engine No. VMM1-7)
Crankcase Assy. (Cont.)(Engine No. VMM1-7)
Crankcase Assy. (Engine No. VMM1-7)
Side Discharge Chute Model No. 59112 (Optional)
Bag Assy.
Traction Control Assy.
Handle Assy.
Gearbox Assy. (Cont.)
Gearbox Assy.
Blade Assy.
Engine Assy.
Housing Assy. (Cont.)
Housing Assy.
1000001
0009001
494/20784
494/20791
493/20783
493/20789
492/20787
492/20778
491/20786
491/20777
491/20328 B
490/20327 B
489/20927 B
489/20926 B
489/20925
488/20920
487/20914
487/20909 BC
487/20905
479
477
469
465/20781
465/20779
464
459/20824
459/20821
459/20821 B
459/20820 BC
458/20823
458/20822
457
456/20808
456/20808 B
456/20807 BC
456/20806 B
455/20803
455/20803 B
455/20802 BC
455/20801 B
453
449
439
437/22173
437/22157
437/22154
437/22154 B
437/22153 BC
434
424
421/20652
417/20832
417/20829
417/20827
416/20831
416/20828
416/20826
415/20817
415/20811
4-stroke
2-stroke SP
2-stroke
Electric
Battery
Robin
Condiciones
(C) by motoruf