volver a
>
Roth / TORO
>
Ride-On Mowers
>
Rider
>
HMR 1600
>
307/55620
>
9000001
>
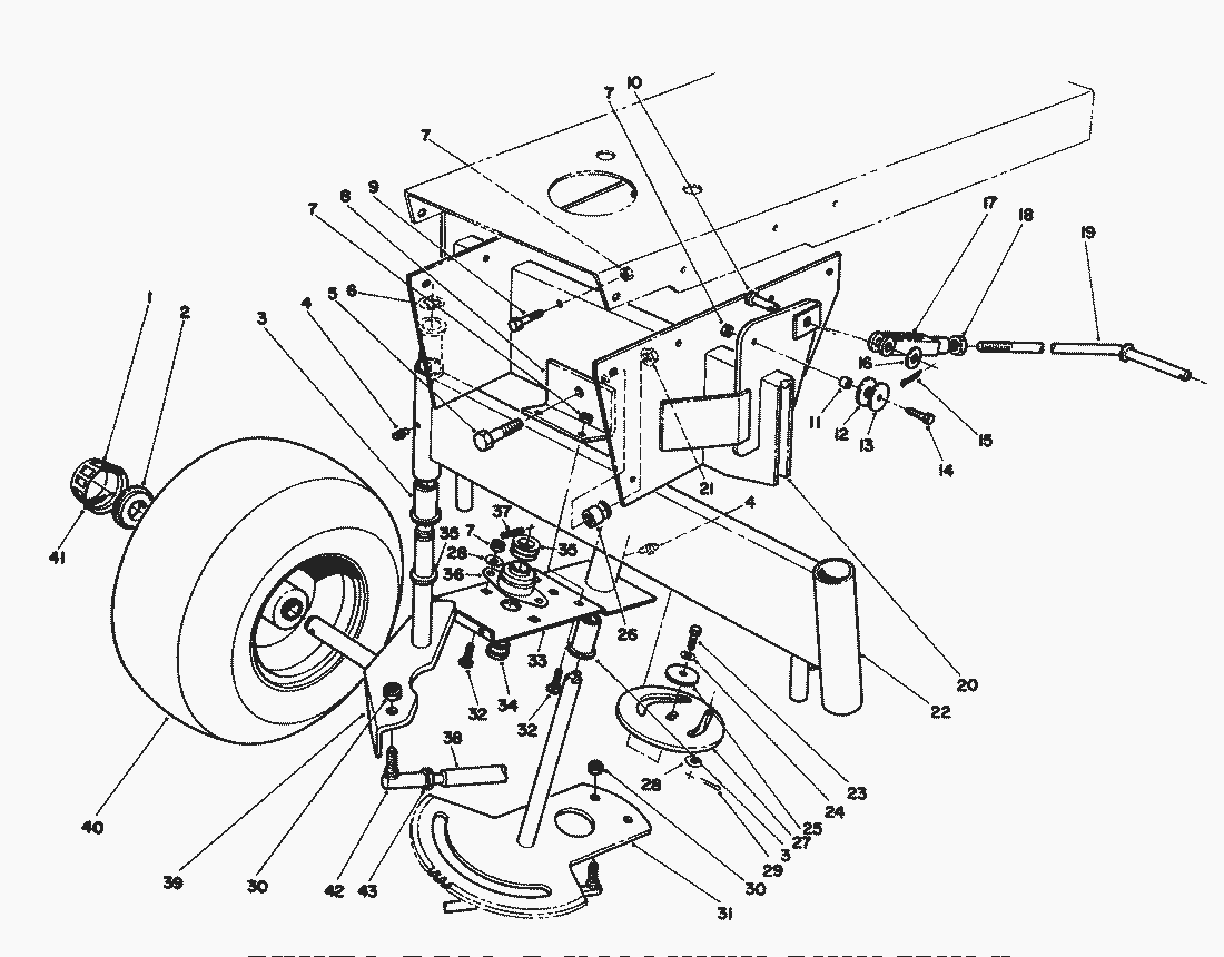
Front Axle & Steering Assy.
Lista de repuestos para Toro Roth / TORO Front Axle & Steering Assy.
pos.
descripción
Número de pieza
1
Cap-Hub
61-9780
2
Spacer-Front Wheel
68-0790
3
Bushing
46-6680
4
Grease Fitting
302-49
5
Capscrew-Hex. Hd.
325-6
6
E-Ring-External
32151-48
7
MUTTER
3296-29
8
Bracket-Spindle Support
68-0890
9
Capscrew
322-7
10
Pin-Clevis
283-68
11
Spacer-Floor Pan
68-2270
12
Washer-Rubber
68-1440
13
Washer
3256-68
14
Capscrew
322-6
15
Pin-Cotter
3272-11
16
Washer
3256-26
17
Clevis-Adj.
282-11
18
Hex Jam Nut
3220-5
19
Link-Front
68-1180
20
Support-Front Axle
68-0800
21
Locknut-Hex. Flange
32128-23
22
Axle-Front (Incl. Ref.
68-0900
23
Capscrew Hex. Hd.
329-23
24
Lockwasher
3253-3
25
Spacer
7-5461
26
Spacer-Front Axle
28-0380
27
Plate-Pull Rod
68-0940
28
Washer
3256-23
29
Pin-Cotter
3272-10
30
Locknut
3296-6
31
Rack-Steering
68-0960
32
Carriage Bolt
3230-16
33
Spindle-Steering Rack (Incl. Ref.
68-1010
34
Bearing-Flange
47-0700
35
Washer-Thrust
3-6498
36
Bearing-Side Flange
68-2970
37
Roll Pin
32121-9
38
Tie Rod-Steering (Incl. Ref.
68-0990
39
Spindle-R.H.
68-0760
Spindle-L.H.
68-0860
40
41
Pin-Cotter
3272-12
42
Ball Joint RH Thread
68-3840
Ball Joint LH Thread
68-3841
43
Jam Nut
3220-3
Jam Nut LH Thread
3220-16
Toro
Roth / TORO
Ride-On Mowers
Traktor
Rider
HMR 1600
307/55620
9000001
Engine Kohler Model MV16S-TYPE 56511
Engine Kohler Model No. MV16S-TYPE 56511
Blowout Guard Kit No. 68-3590 (Optional) (Cutting Unit Model No. 55670)
Blowout Guard Kit No. 60-9030 (Optional) (Cutting Unit Model No. 55660)
Mulcher Kit Model No. 30700 (Optional) (Cutting Unit Model No. 55670)
Mulcher Kit Model No. 30752 (Optional) (Cutting Unit Model No. 55660)
Drive Spindle No. 54-7781
Drive Spindle No. 27-0870
DeLuxe Seat Kit No. 68-3800 (Optional)
HOC Assy.
Seat Assy.
Fuel Tank Assy.
Clutch Assy. No. 54-3200
Peerlesss Transmission Model No. 700-029
Peerlesss Transmission Model No. 700-030
Transmission & Shift Assy.
Transmission & Clutch Assy.
Rear Tire & Wheel Assy.
Rear Wheel & Axle Assy.
Front Wheel & Tire Assy.
Front Axle & Steering Assy.
Brake & Clutch Pedal Assy.
Body Assy.
Frame Assy. (Cont.)
Frame Assy.
Steering Tower Assy.
12-32 E
12-32
11-32
10-32 E
8-25
110-4E
110-4
Mower decks
Attachements
Hand operated
Robin
Condiciones
(C) by motoruf