volver a
>
Mowers
>
Petrol
>
Without drive from 43 cm on
>
series 6
>
6.46 B
>
6.46 B
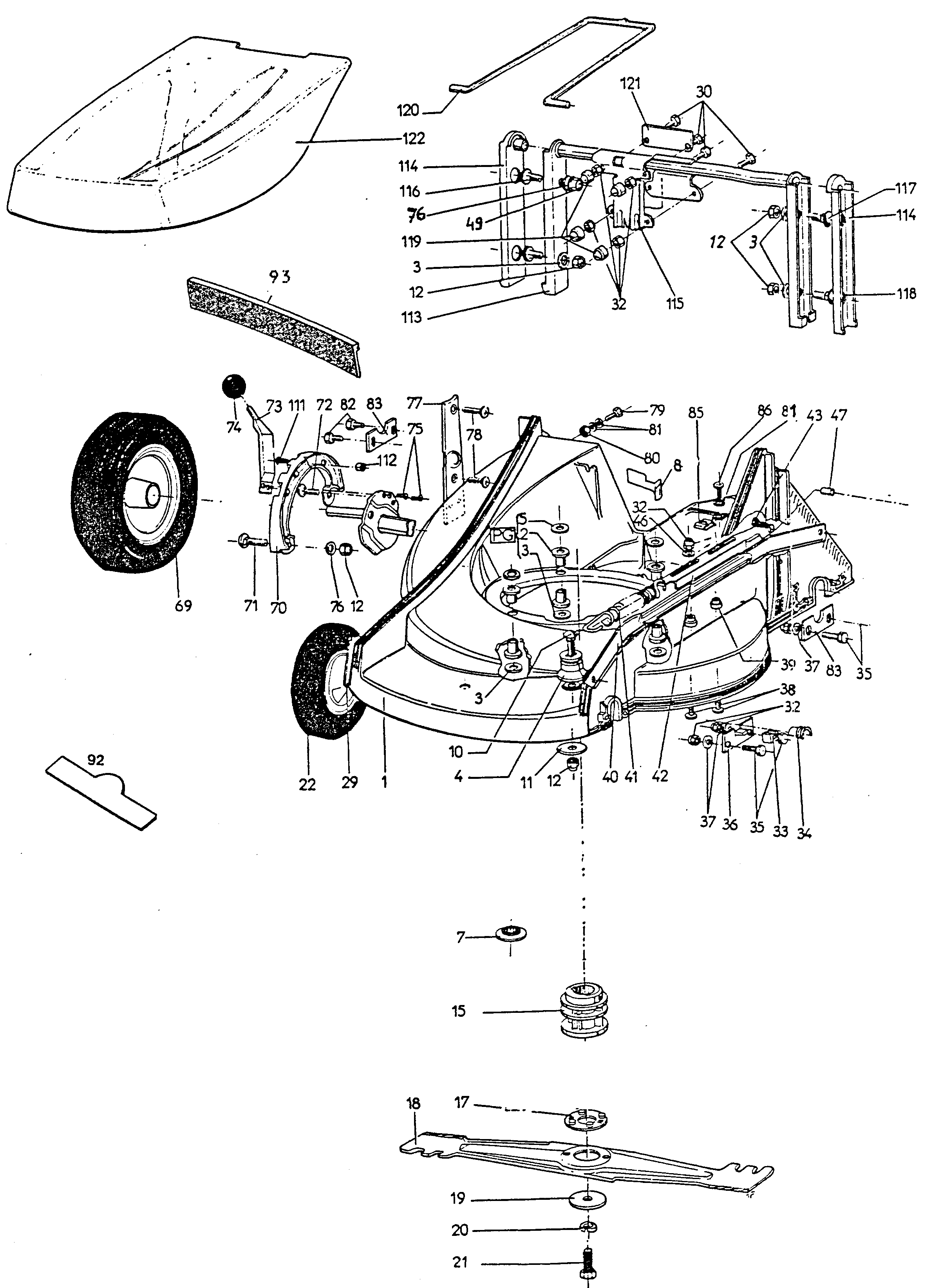
Lista de repuestos para Wolf Mowers 6.46 B
Lista de repuestos 1
Lista de repuestos 2
pos.
descripción
Número de pieza
1
Chassis
6905 300
2
Insulator
6905 301
3
Washer
0017 291
4
Arm
6920 301
5
Washer
6905 311
7
Washer
6920 302
8
Cover
6905 310
10
Screw
0013 656
11
Washer
4151 209
12
Hex. Nut
0016 312
15
Coupling
6920 402
17
Starter Dog
6920 500
18
Blade
6920 090
18
Blade
6920 091
19
Washer
4289 403
20
Washer spring
0017 911
21B
Screw
6905 401
22
Wheel, 180Mm Dia.
6901 040
23
Distance Ring
1086 107
24
Washer
6966110
25
Screw
6966111
29A
Axle
6920 504
29B
Axle
6920 505
33
Rubber Buffer
6920 502
34
Bush
4249 505
35
Hex. Screw M 6X20
0010 377
36
Axle Support
6920 507
37
Washer
0017 121
38
Screw
0013 641
39
Bush
6955 109
40
Rod
6920 506
41
Spring
6920 508
42
Spring Retainer
6920 509
43
Screw
0010 363
46
Washer
0017 289
49
Hex. Nut
0016 312
69
Wheel ø 200 mm
6950 040
70
Snap-In Locking Device
6920 513
71
Screw
0013 655
72
Screw
0013 654
73
Lever(Replaces 6930506)
6925 020
74
Button
4277104
75
Rivet
0019 114
76
Washer A 8,4 Din 125
0017 123
77
Arm
6905 309
78
Screw, Pt Ka 40 X 10
0012 887
79
Screw
0010 364
80
Self Locking Nut M 4
0016 309
81
Washer
0017 286
82
Screw
0010 379
83
Cover
6920 515
85
Clip
4224 218
86
Screw
0015 684
92
WOLF brand
0051 140
93
Gum
6905 100
111
Screw
0012 885
112
Bush
6920 516
113
Handlebar Holder
6905 018
114
Insulator
6905 308
115
Arm
6920 303
116
Screw
0013 652
117
Screw
0013 654
118
Screw
0013 653
119
Cap
6905 211
120
Shackle
6920 304
121
Plate-Carburetor
6920 305
122
cover
6920 306
****
Bag With Accessories
6922 060
****
Safety Label
0051 224
****
Instruction Manual
0054 074
pos.
descripción
Número de pieza
26
Arm
4249 501
27
Washer
0017 831
28
Washer
6920 501
30
Screw
0010 400
31
Bush
6920 503
32
Nut
0016 311
44
Cog Pulley 28
0017 125
45
Hex. Nut
0016 310
47
Bush
6920 510
48
Lever
6920 511
55
Kingpin Assembly
6920 512
58
Bush
4249 506
106
Deflector-Muffler
6905 307
107
Baffle Plate
6905 306
108
Rod
6905 304
109
Rear Flap
6905 305
110
Belt
6905 303
123
Cover
6966 506
Wolf
Handtools
Hedge-shears
Secateurs
Grass-shears
Loppers
Tree Lopper
Tree care
Illumination, Ambiance
Battery-shears
Shredders
Saws
Grass-Trimmers
Reel-mowers
Spreaders / Portax
Irrigation
Scarifiers / Aerators
Mowers
Accu
Petrol
Without drive up to 42 cm
Without drive from 43 cm on
series 2
series 4
series 6
6.46 B
Data Sheet
Upper Handlebar, Blade stop
Handlebar parts
6.46 B
XE, XTE, XTL 35/40/45/50-I/C-ES
XE, XTE 35/40-50/55
Concept
Premio
Esprit
Others
Drive up to 42 cm
Drive from 43 cm on
Electric start / Touch 'n Mow
Electro
Ride-on Mowers
Petrol engines
Optional extras
Condiciones
(C) by motoruf