volver a
>
Roth / TORO
>
Ride-On Mowers
>
Traktor
>
16-38 HXL
>
359/71241
>
200000001
>
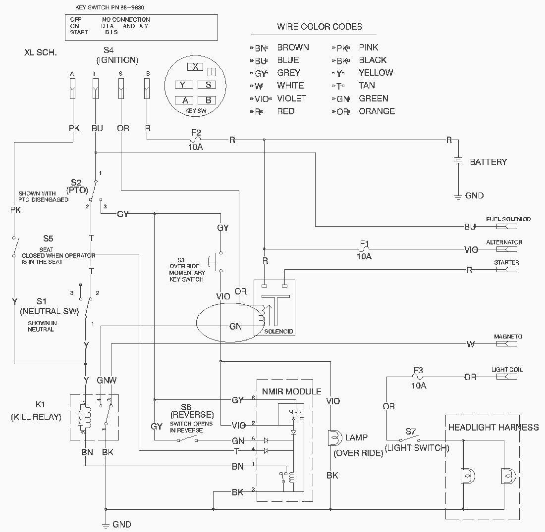
WIRE Schematic
Lista de repuestos para Toro Roth / TORO WIRE Schematic
pos.
descripción
Número de pieza
Fuse-10A
218-578
Toro
Roth / TORO
Ride-On Mowers
Traktor
264-6
246 HE
244-5
212-H
212-5
17-44 HXLE
16-44 HXL
16-38 HXL
359/71241
200000001
Engine B&S Model 28Q777-0690-E1
Hydro Transaxle Assy. (Cont.)
Electrical Components
WIRE Schematic
HOC Components
Hydro Transaxle Controls Assy.
Hydro Transaxle Assy.
Rear Wheel & Tire Assy.
Traction Clutch Components
Engine Systems Components
Fixed Steering Assy.
Steering Components
Rear Body & Seat Assy.
Hood & Tower Assy.
Frame & Body Assy.
16-38 XLE
15-44 HXL
15-38 HXL
14-38 HXL
14-38 XL
13-38 HXL
13-38 XL
13-32 XLE
12-38 HXL
12-38 XL
12-32 XL
264 H
265 H
267 H
268 H
270 H
520 xi
520 Lxi
523 Dxi
Rider
Mower decks
Attachements
Hand operated
Robin
Condiciones
(C) by motoruf