volver a
>
Roth / TORO
>
Ride-On Mowers
>
Rider
>
8-25
>
372/70122
>
210000001
>
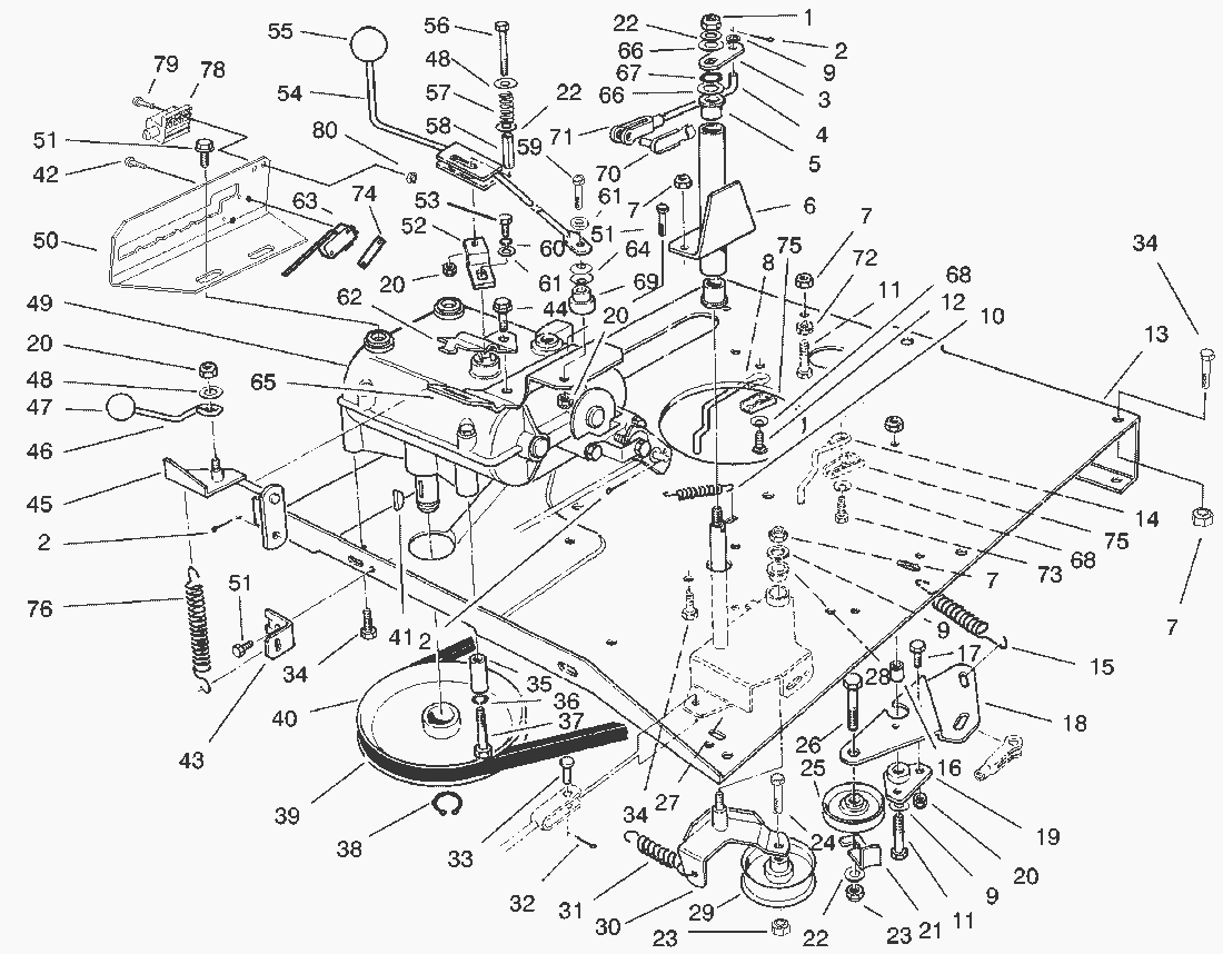
Transmission & Linkage Assy. (Cont.)
Lista de repuestos para Toro Roth / TORO Transmission & Linkage Assy. (Cont.)
pos.
descripción
Número de pieza
47
Knob
233-22
48
Washer-Pivot
3256-55
49
Transmission
67-1400
50
Gate-Shift
99-2970-03
51
Screw-Wash. Hd., Tap.
32144-14
52
Lever-Shift
56-7620
53
Screw-Cap Hex. Hd.
329-4
54
Lever W.A.-Shift
76-3940-03
55
Knob-Shift Lever
233-48
56
Capscrew
321-15
57
Spring
56-7730
58
Spacer
56-7740
59
Screw-Hex Hd.
321-8
60
Lockwasher
3253-3
61
Washer
3256-22
62
Bracket-Engage, Deck
67-0670
63
Switch-Micro
88-9930
64
Washer-Belleville
3290-478
65
Bracket-Mount, Shifter
67-0660
66
Washer-Flat
20-3220
67
Ring-Retaining
32151-62
68
Washer-Belleville
3290-456
69
Spacer-Pivot
76-3970
70
Assembly-Pin, Clevis
67-1530
71
Clevis
282-27
72
Nut
3218-2
73
Carriage Bolt
3230-2
74
Speed Nut
3290-354
75
Anchor-Belt Guide
76-3820
76
Spring-Door
76-4660
77
Tie Wrap
3290-378
78
Switch-Single Pole
95-1653
79
Screw-HH
3290-392
80
Locknut
3296-1
Toro
Roth / TORO
Ride-On Mowers
Traktor
Rider
HMR 1600
12-32 E
12-32
11-32
10-32 E
8-25
372/70122
210000001
Engine B&S Model 195707-0421-E1
Transmission Peerlesss Model 700-025
Cutting Unit Assy.
Differential Assy.
Rear Axle Assy.
Electrical Schematic
Engine Assy.
Transmission & Linkage Assy. (Cont.)
Transmission & Linkage Assy.
Rear Body Assy.
Front Axle Assy.
Seat & Fuel Tank Assy.
Frame Assy.
Front Body Assy.
200000001
9900001
372/70060
110-4E
110-4
Mower decks
Attachements
Hand operated
Robin
Condiciones
(C) by motoruf