volver a
>
Roth / TORO
>
Ride-On Mowers
>
Rider
>
8-25
>
372/70122
>
210000001
>
Engine Assy.
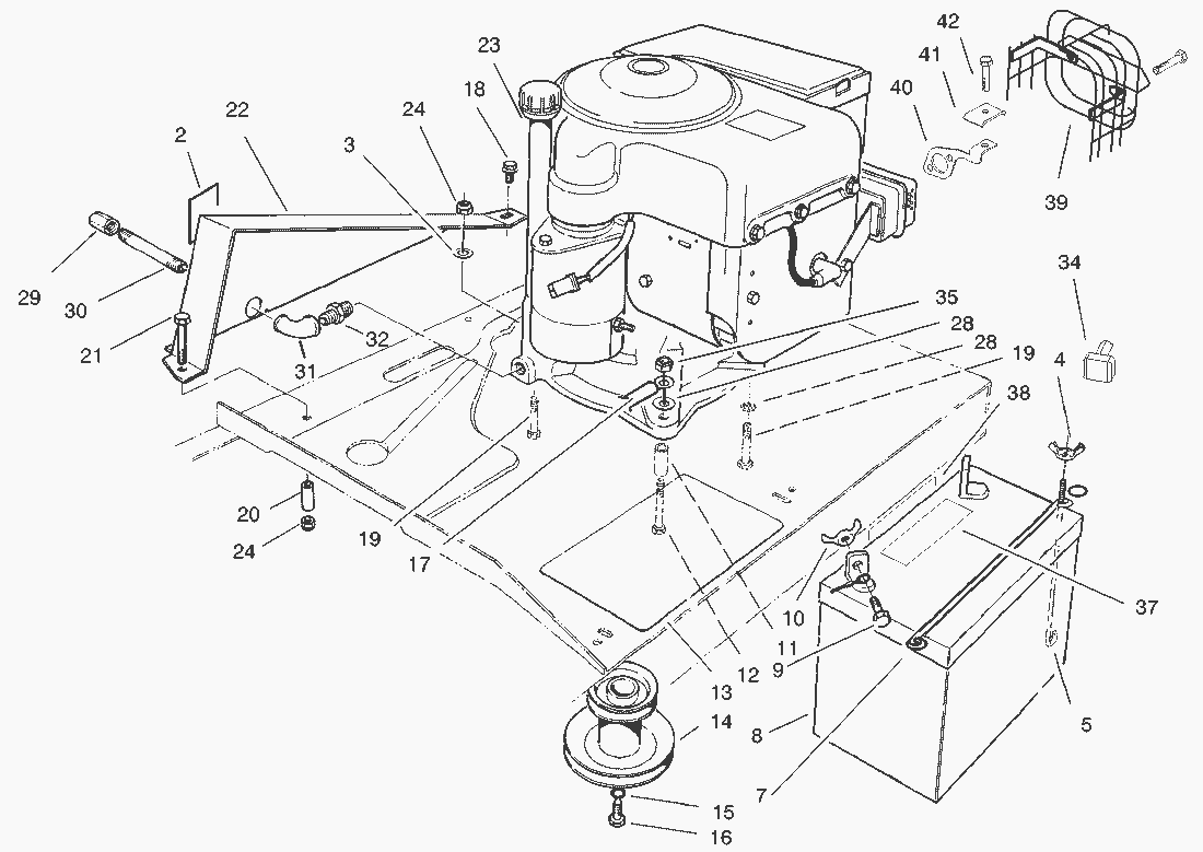
Lista de repuestos para Toro Roth / TORO Engine Assy.
pos.
descripción
Número de pieza
94-6427
pos.
descripción
Número de pieza
2
Decal-Europe Noise
114621
3
Washer
3256-23
4
Nut-Wing
32103-12
5
Post-Battery
56-7720
7
Hold-Down-Battery
117316
8
Battery-155 Cca
104-1755
9
Capscrew
321-4
10
Nut-Wing
32103-22
11
Spacer
80-4560
12
Screw-Cap Hex. Hd.
322-12
13
Pad-Antiskid
62-4300
14
Pulley-Engine
98-0712
15
Washer-Flat
3256-25
16
Screw-Cap Hex. Hd.
62-3760
17
Assembly-Wire Battery to Ground
54-3091
18
Screw-Wash. Hd., Tap.
32144-14
19
Capscrew
322-7
20
Guide-Belt
67-0920
21
Capscrew
322-10
22
Guard-Chain
67-0962-01
23
24
MUTTER
3296-29
28
Lockwasher
3255-8
29
Pipe Cap
288-2
30
Pipe Nipple
289-34
31
Elbow-Street
2811-17
32
Reducer
2812-1
34
Boot-Battery Terminal
28-8080
35
Nut
32153-3
37
Decal-Battery
104-4163
38
Decal-Battery
104-4164
39
Guard-Muffler
94-6426
40
Bracket-Muffler Guard
94-6425
41
Tab-Muffler Guard
94-6424
42
Self Tapping Screw
32104-76
Reducer-Throttle
88-4490
Toro
Roth / TORO
Ride-On Mowers
Traktor
Rider
HMR 1600
12-32 E
12-32
11-32
10-32 E
8-25
372/70122
210000001
Engine B&S Model 195707-0421-E1
Transmission Peerlesss Model 700-025
Cutting Unit Assy.
Differential Assy.
Rear Axle Assy.
Electrical Schematic
Engine Assy.
Transmission & Linkage Assy. (Cont.)
Transmission & Linkage Assy.
Rear Body Assy.
Front Axle Assy.
Seat & Fuel Tank Assy.
Frame Assy.
Front Body Assy.
200000001
9900001
372/70060
110-4E
110-4
Mower decks
Attachements
Hand operated
Robin
Condiciones
(C) by motoruf