volver a
>
Roth / TORO
>
Ride-On Mowers
>
Traktor
>
265 H
>
504/72070
>
9900001
>
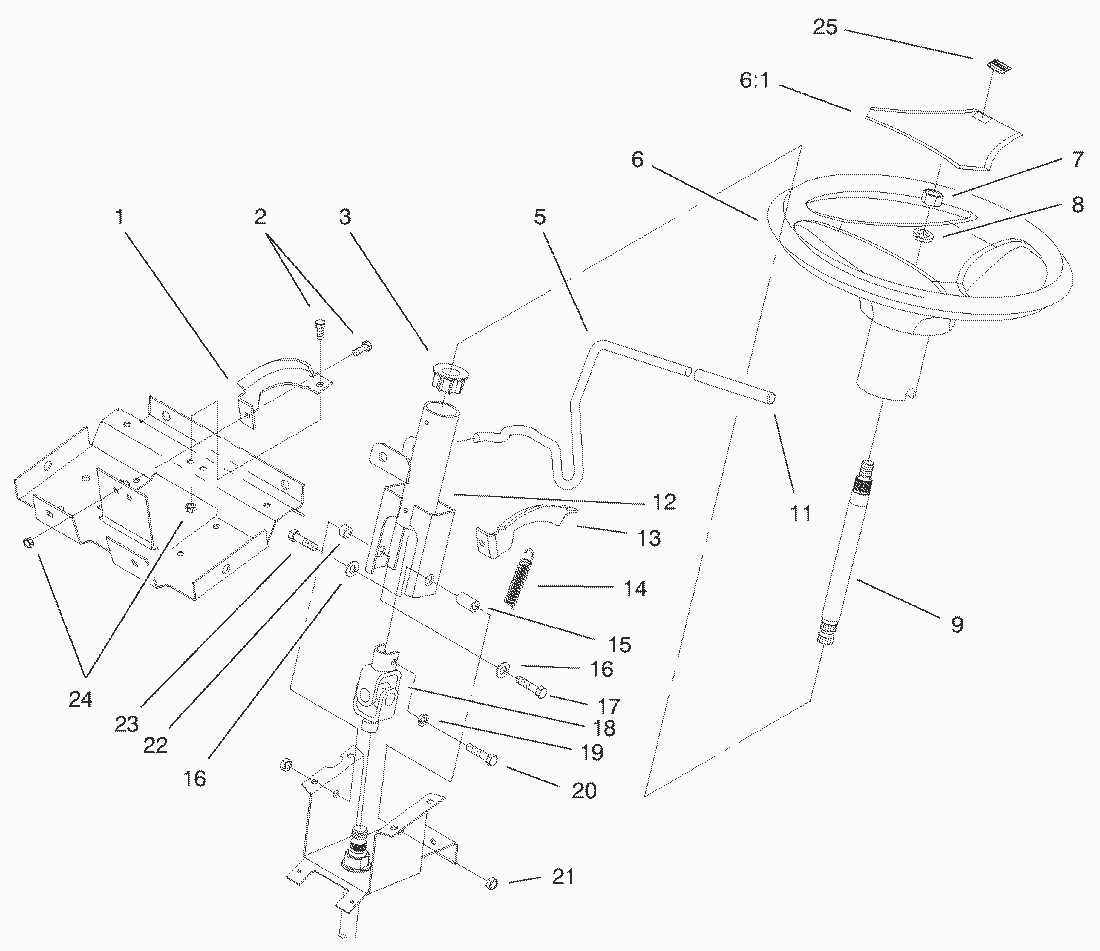
Steering Wheel & Tilt Assy.
Lista de repuestos para Toro Roth / TORO Steering Wheel & Tilt Assy.
pos.
descripción
Número de pieza
1
Bracket-Support
92-6777-03
2
Capscrew
321-4
3
Bushing -Steering
93-1146
5
Lever-Tilt
92-6971
6
Steering Wheel ASM (Only On: 73470)
98-1471
6
Wheel-Steering
98-1472
61
Cover-Wheel
98-1468
7
Nut
3217-9
8
Washer-Lock
3253-7
9
Shaft-Steer Upper
94-2874
11
Cap-Rod
92-6798
12
Column
93-1148-03
13
Bracket-Detent
92-6776
14
Spring-Extension
93-1357
15
Spacer-Yoke
92-6999
16
Washer
3256-23
17
Capscrew
322-3
18
U-Joint-Steering
92-6717
19
Lockwasher
3253-4
20
Screw-HH
33114-030
21
MUTTER
3296-29
22
Spacer-Yoke
92-6998
23
Screw-HH
322-17
24
Locknut
3296-8
25
Decal
98-1459
Toro
Roth / TORO
Ride-On Mowers
Traktor
264-6
246 HE
244-5
212-H
212-5
17-44 HXLE
16-44 HXL
16-38 HXL
16-38 XLE
15-44 HXL
15-38 HXL
14-38 HXL
14-38 XL
13-38 HXL
13-38 XL
13-32 XLE
12-38 HXL
12-38 XL
12-32 XL
264 H
265 H
504/72064
504/72070
9900001
Hood & Grill Assy.
Hydro Drive Components
Front Axle Assy.
Battery Assy.
Fuel Tank & Hydro Reservoir Assy.
Lower Steering Assy.
Steering Wheel & Tilt Assy.
Hoodstand & Firewall Assy.
Lift Lever & H.O.C. Assy.
Hydro Brake Assy.
Hydro Controls Assy.
Frame Assy.
Hydro Transaxle Assy.
Single CYL. Engine, Muffler, & PTO Assy.
Fender & Footrests Assy.
Seat Assy.
Dash Assy.
Rear Wheel Assy.
Cruise Control Assy.
Transaxle Case
Center Case
Pump Shaft
EngineShaft
Range Shift
Bypass Return
Lever Damper
N-Centering
Brake Interlock
Differential Gear
Final Pinion
Axle Shaft
Brake
Crankshaft
Crankcase
Oil Pan / Lubrication
Cylinder Head / Valve / Breather
Ignition / Electrical
Blower Housing & Baffles
Start System
Fuel System
Engine Controls
Air Intake / Filtration
Exhaust
267 H
268 H
270 H
520 xi
520 Lxi
523 Dxi
Rider
Mower decks
Attachements
Hand operated
Robin
Condiciones
(C) by motoruf