volver a
motoruf
Warenkorb

Lista de repuestos para Toro Roth / TORO Pump Shaft




Lista de repuestos


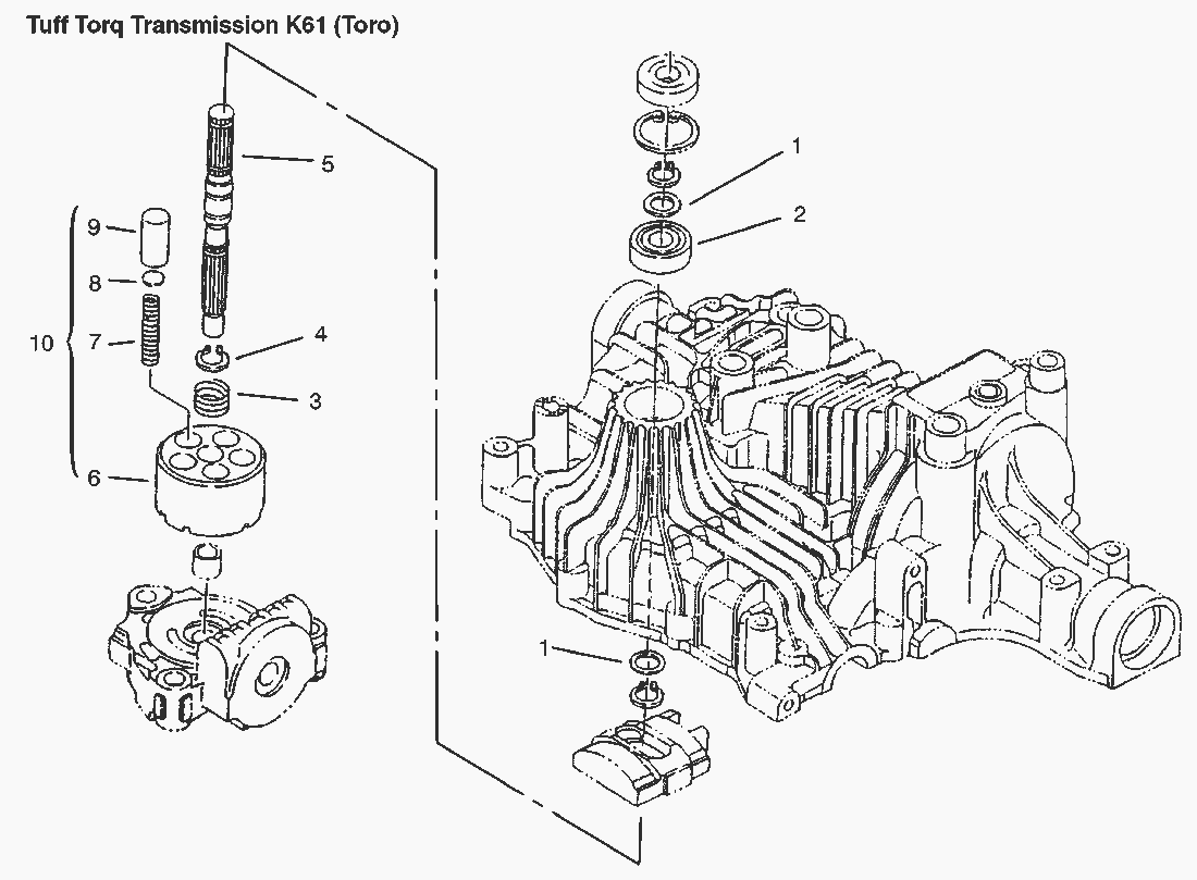
pos.descripciónNúmero de pieza
1Washer (Only On: 72083, 72043, 72103, 72063)93-0371
2Bearing-Ball (Only On: 72083, 72043, 72103, 72063)93-0374
3Spring (Only On: 72083,72043,72103,72063)93-0370
4Ring-Snap (Only On: 72083,72043,72103, 72063)93-0373
5Shaft-Pump (Only On: 72083,72043,72103, 72063)93-0372
6
7
8
9
10Cylinder ASM INC 6-9 (Only On: 72083,72043, 72103, 72063)93-0365
Toro
Condiciones
(C) by motoruf