volver a
>
Roth / TORO
>
Ride-On Mowers
>
Traktor
>
15-44 HXL
>
393/71216
>
59000001
>
Hydro Transaxle Assy.
Lista de repuestos para Toro Roth / TORO Hydro Transaxle Assy.
pos.
descripción
Número de pieza
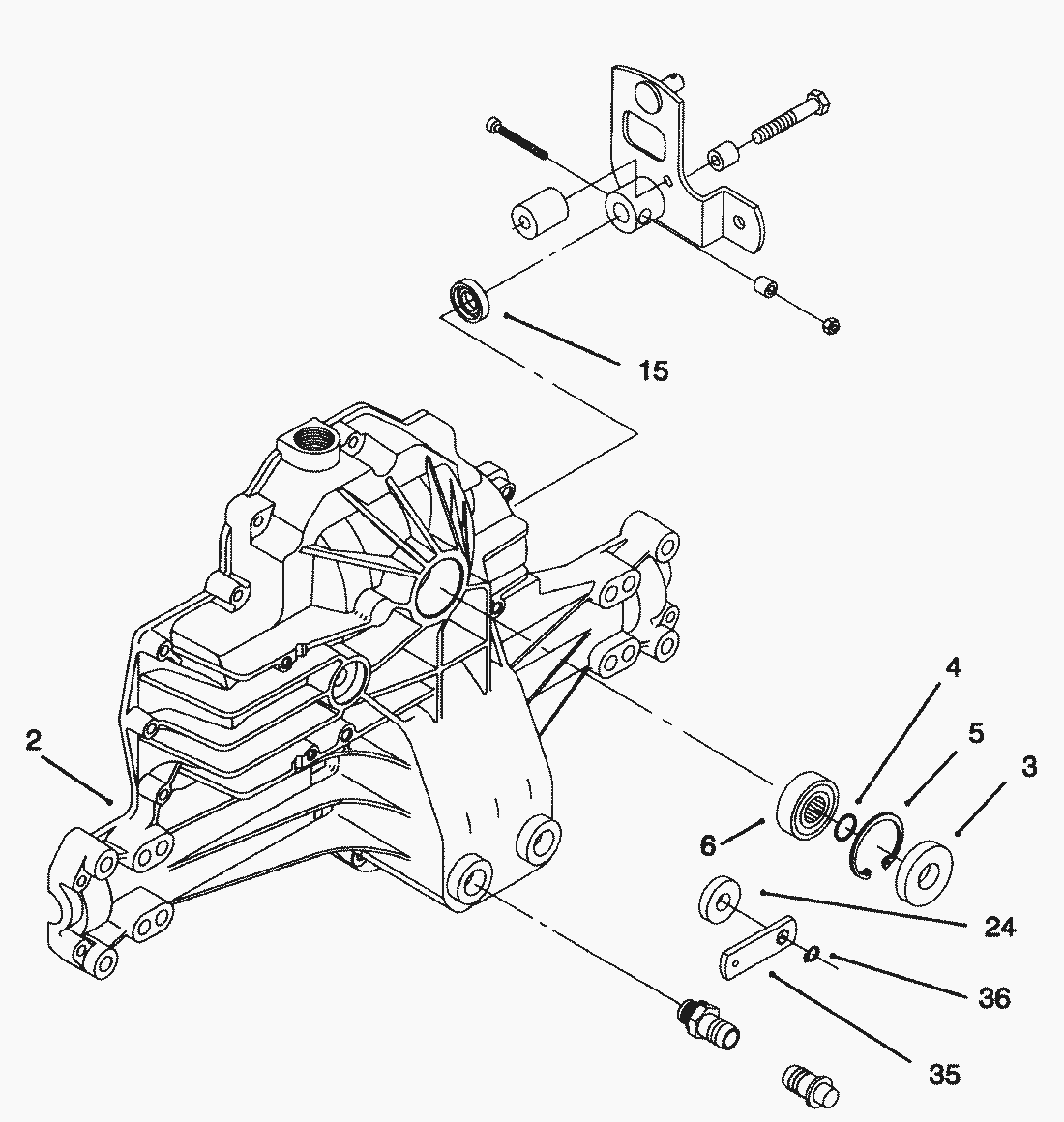
2
Housing Ass y-Upper
94-1901
3
Ring-Wire Retaining
92-6543
4
Ring-Wire Retaining
94-1902
5
Ring-Retaining
94-1903
6
Bearing-Shaft Ball
94-1904
15
Seal-Lip
92-6544
24
Seal-Lip
92-6545
35
Arm-Bypass
92-6547
36
Ring-Retaining
936109
Toro
Roth / TORO
Ride-On Mowers
Traktor
264-6
246 HE
244-5
212-H
212-5
17-44 HXLE
16-44 HXL
16-38 HXL
16-38 XLE
15-44 HXL
393/71216
59000001
Engine B&S Model 28Q777-0168-01
Electrical Assy.
HOC Assy.
Speed Control Assy.
Hydro Transaxle Assy. (Cont.)
Hydro Transaxle Assy.
Transaxle Assy.
Rear Axle Assy.
Clutch Assy.
Engine Assy.
Front Axle Assy.
Steering Assy.
Seat Assy.
Frame Assy.
Hood Assy.
15-38 HXL
14-38 HXL
14-38 XL
13-38 HXL
13-38 XL
13-32 XLE
12-38 HXL
12-38 XL
12-32 XL
264 H
265 H
267 H
268 H
270 H
520 xi
520 Lxi
523 Dxi
Rider
Mower decks
Attachements
Hand operated
Robin
Condiciones
(C) by motoruf