volver a
>
Roth / TORO
>
Hand operated
>
Lawnmower
>
2-stroke SP
>
237/22044 BC
>
5900001
>
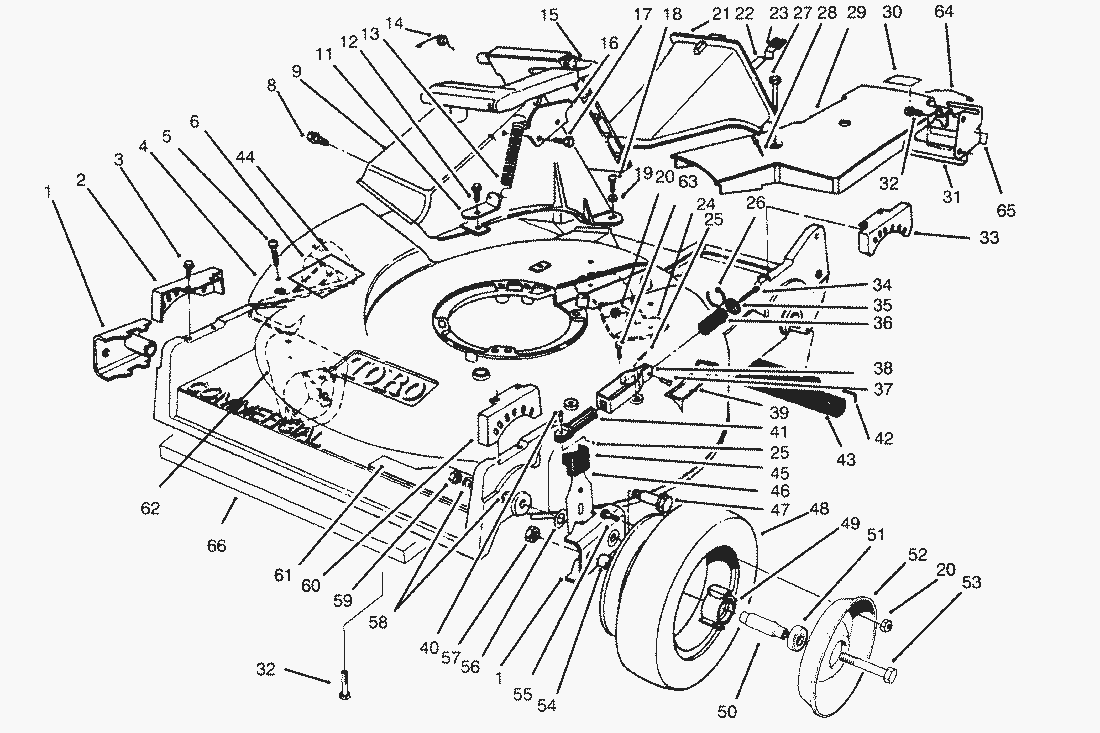
Housing Assy. (Cont.)
Lista de repuestos para Toro Roth / TORO Housing Assy. (Cont.)
pos.
descripción
Número de pieza
53-7720
pos.
descripción
Número de pieza
36
Spring-BBC
84-9100
37
Pin-Cable
84-9040
38
Bracket-Spring
84-8880
39
Decal-Step Pad
62-3950
40
Pin-Spring Guide
84-9050
41
Guide-Spring
84-8870
42
Rod-Shield
33-3208
43
Shield-Rear Safety
44-0580
44
Decal-Danger
93-6654
45
Knob-Arm
25-7740
46
Spring Arm Assy. Front
66-7560
47
Screw-Pivot
27-6232
48
Tire
53-7740
49
Hub-Bearing Support
52-2410
50
Spacer-Bearing
52-2440
51
Bearing
52-2450
52
Plate-Wheel Half
53-7780
53
Hex Hd. Capscrew
323-12
54
Spacer-Wheel
52-2480
55
Capscrew
321-2
56
Thrust Washer
257-3
57
Locknut
32152-2
58
SCHEIBE
40-1940
59
Locknut
3296-6
60
Quadrant-Front L.H.
49-8760
61
Decal-Recycler
92-8781
62
Plate-Kicker
92-1720
63
Capscrew
323-6
64
Retainer-Cable
46-7030
65
Decal-Traction Drive
74-1970
66
Shield-Front
46-5400
Toro
Roth / TORO
Ride-On Mowers
Hand operated
Sweeper
Snowthrower
Vac/Blower
Lawnmower
Grass Baggers
4-stroke SP
4-stroke
2-stroke SP
295/26643
295/26643 B
295/26640 BC
295/26640 B
287/20916B
277
255/22700 BC
255/22700
239
237/22045
237/22045 B
237/22044 BC
5900001
Carburetor Assy. (Model No. 47PR4-7)
Recoil Assy. (Model No. 47PR4-7)
Governor Assy. (Model No. 47PR4-7)
Ignition Assy. (Model No. 47PR4-7)
Muffler Assy. (Model No. 47PR4-7)
Crankshaft Assy. (Model No. 47PR4-7)
Bag Assy. No. 11-5609
Fuel Tank Assy.
Traction Control Assy.
Handle Assy.
Gearbox Assy. (Cont.)
Gearbox Assy.
Blade Brake Clutch Assy.
Engine Assy.
Housing Assy. (Cont.)
Housing Assy.
237/22036
237/22035
234
224
222/16212 WG
2-stroke
Electric
Battery
Robin
Condiciones
(C) by motoruf