volver a
>
Roth / TORO
>
Hand operated
>
Lawnmower
>
2-stroke SP
>
255/22700
>
1000001
>
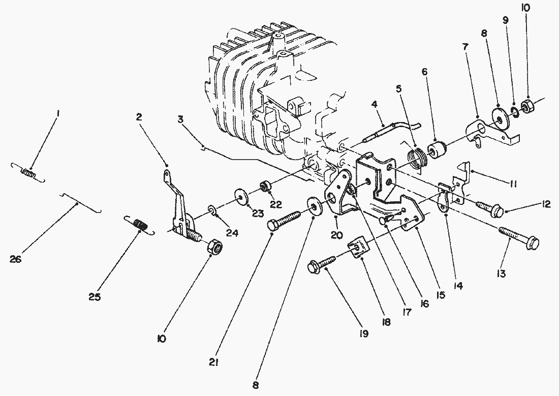
Governor Assy. (Model No. 47PL0-3)
Lista de repuestos para Toro Roth / TORO Governor Assy. (Model No. 47PL0-3)
pos.
descripción
Número de pieza
1
FEDER
81-0920
2
REGLERARM KPL.
81-5420
3
HEBEL
81-5410
4
Shaft-Governor
81-2880
5
FEDER
81-2460
6
DISTANZBUECHSE
81-1770
7
HEBEL
81-2850
8
SCHEIBE
81-1750
9
SCHEIBE
81-1450
10
MUTTER
81-0900
11
ANSCHLAG
81-1840
12
SCHRAUBE
81-1170
13
SCHRAUBE
81-0540
14
ISOLIERSTUECK
81-1830
15
HALTER
81-2420
16
Rivet
81-4530
17
SCHEIBE
81-2470
18
BOWDENZUGKLEMME
81-2430
19
SCHRAUBE
50-0130
20
HEBEL
81-1710
21
SCHRAUBE
81-1730
22
SIMMERRING
81-0850
23
SCHEIBE
81-0860
24
SPRENGRING
81-0870
25
FEDER
81-2830
26
GESTAENGE
81-0910
Toro
Roth / TORO
Ride-On Mowers
Hand operated
Sweeper
Snowthrower
Vac/Blower
Lawnmower
Grass Baggers
4-stroke SP
4-stroke
2-stroke SP
295/26643
295/26643 B
295/26640 BC
295/26640 B
287/20916B
277
255/22700 BC
255/22700
1000001
Carburetor Assy. (Model No. 47PL0-3)
Recoil Assy. (Model No. 47PL0-3)
Governor Assy. (Model No. 47PL0-3)
Ignition Assy. (Model No. 47PL0-3)
Muffler Assy. (Model No. 47PL0-3)
ShortBlock Assy. (Model No. 47PL0-3)
Fuel Tank Assy.
Handle Assy.
Gearbox Assy. (Cont.)
Gearbox Assy.
Engine Assy.
Housing Assy. (Cont.)
Housing Assy.
239
237/22045
237/22045 B
237/22044 BC
237/22036
237/22035
234
224
222/16212 WG
2-stroke
Electric
Battery
Robin
Condiciones
(C) by motoruf