volver a
>
Roth / TORO
>
Hand operated
>
Lawnmower
>
2-stroke SP
>
255/22700
>
1000001
>
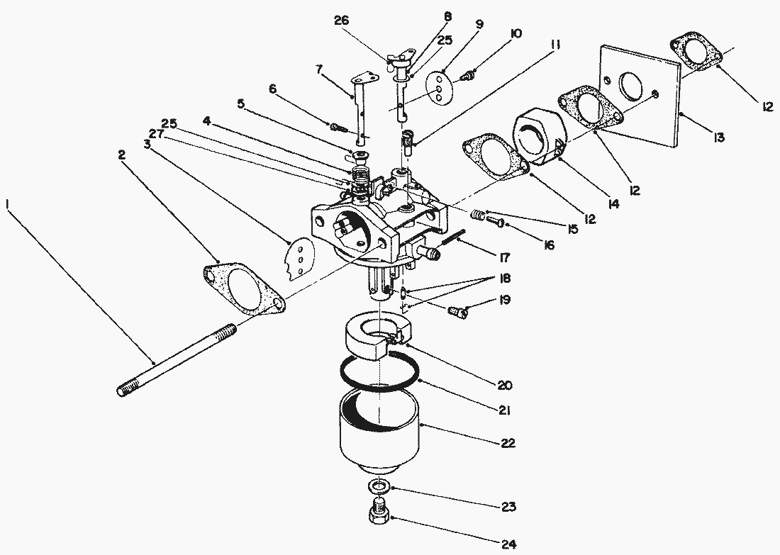
Carburetor Assy. (Model No. 47PL0-3)
Lista de repuestos para Toro Roth / TORO Carburetor Assy. (Model No. 47PL0-3)
pos.
descripción
Número de pieza
1
STEHBOLZEN
81-5450
2
DICHTUNG
81-0090
3
81-0240
4
FEDER
81-0230
5
BUECHSE
81-0220
6
SCHRAUBE
81-2160
7
CHOKEWELLE
81-1950
8
DROSSELWELLE
81-0250
9
DROSSELKLAPPE
81-0260
10
SCHRAUBE
81-0270
11
DUESE(40)
81-1030
12
DICHTUNG
81-0780
13
SCHILD
81-5490
14
ISOLIERSTUECK
81-2190
15
Spring-Pilot Screw
81-2580
16
Screw-Idle Stop
50-0250
17
Pin-Hinge
81-2600
18
SCHWIMMERNADEL
81-4910
19
Jet-Main (
81-1060
DUESE
81-2340
20
SCHWIMMER
81-0970
21
DICHTUNG
81-1010
22
SCHWIMMERGEHAEUSE
81-5660
23
DICHTUNG
81-1020
24
SCHRAUBE
81-5670
25
Seal
81-2530
26
Ring
81-2540
27
Packing
81-2550
VERGASER-REP.-SATZ
12-6379
VERGASER
81-2520
Carburetor Assy. Complete
81-5430
Toro
Roth / TORO
Ride-On Mowers
Hand operated
Sweeper
Snowthrower
Vac/Blower
Lawnmower
Grass Baggers
4-stroke SP
4-stroke
2-stroke SP
295/26643
295/26643 B
295/26640 BC
295/26640 B
287/20916B
277
255/22700 BC
255/22700
1000001
Carburetor Assy. (Model No. 47PL0-3)
Recoil Assy. (Model No. 47PL0-3)
Governor Assy. (Model No. 47PL0-3)
Ignition Assy. (Model No. 47PL0-3)
Muffler Assy. (Model No. 47PL0-3)
ShortBlock Assy. (Model No. 47PL0-3)
Fuel Tank Assy.
Handle Assy.
Gearbox Assy. (Cont.)
Gearbox Assy.
Engine Assy.
Housing Assy. (Cont.)
Housing Assy.
239
237/22045
237/22045 B
237/22044 BC
237/22036
237/22035
234
224
222/16212 WG
2-stroke
Electric
Battery
Robin
Condiciones
(C) by motoruf