volver a
>
Roth / TORO
>
Hand operated
>
Vac/Blower
>
4-stroke
>
911/62924
>
6900001
>
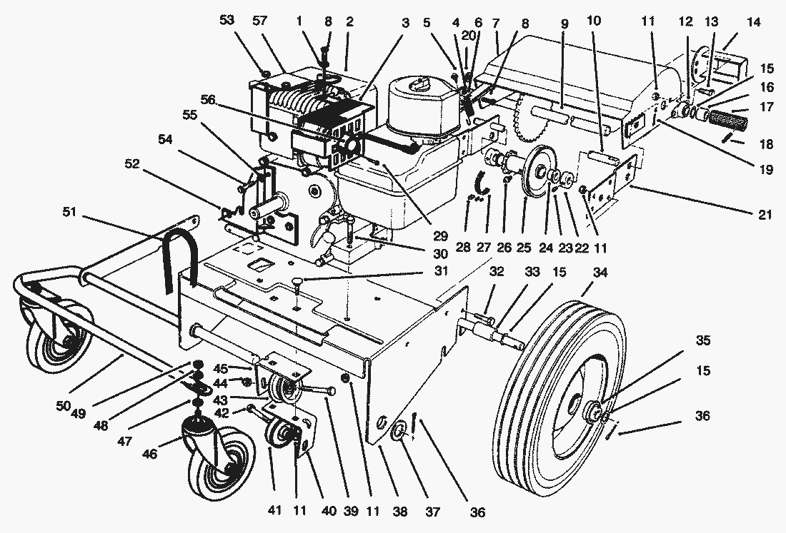
Engine & Base Assy. (Cont.)
Lista de repuestos para Toro Roth / TORO Engine & Base Assy. (Cont.)
pos.
descripción
Número de pieza
40
Idler Mounting Bracket L.H.
20-8690
41
Idler Pulley
12-5820
42
Capscrew
323-19
43
Pulley Idler
12-6700
44
Locknut
3296-39
45
Idler Mounting Bracket R.H.
20-8680
46
Caster
23-3320
47
Lock Washer Internal Tooth
3254-4
48
Nut
3217-9
49
Nut-Lock
3296-23
50
Support-Front Wheel
93-4146
51
V-Belt
20-5990
52
Guard
93-7414
53
Nut-Flange Lock
3296-58
54
Screw
3210-2
55
Lockwasher
3253-4
56
Extension-Exhaust
93-8721
57
Mounting Bracket
39-4680
Toro
Roth / TORO
Ride-On Mowers
Hand operated
Sweeper
Snowthrower
Vac/Blower
4-stroke
911/62925
911/62924
8900001
6900001
Control & Handle Assy.
Engine B&S Model 135202-0263-01
Engine & Base Assy. (Cont.)
Engine & Base Assy.
Blower Assy.
Snout Assy.
5900001
911/62923
Electric
Lawnmower
Robin
Condiciones
(C) by motoruf