volver a
>
Roth / TORO
>
Ride-On Mowers
>
Traktor
>
13-38 HXL
>
392/71213
>
59100001
>
Engine B&S Model 28M707-0122-01
Lista de repuestos para Toro Roth / TORO Engine B&S Model 28M707-0122-01
Lista de repuestos 1
Lista de repuestos 2
Lista de repuestos 3
Lista de repuestos 4
Lista de repuestos 5
Lista de repuestos 6
Lista de repuestos 7
Lista de repuestos 8
pos.
descripción
Número de pieza
391782
391783
394664
394662
Screw-Sem
93535
271916
391286
490469
394663
pos.
descripción
Número de pieza
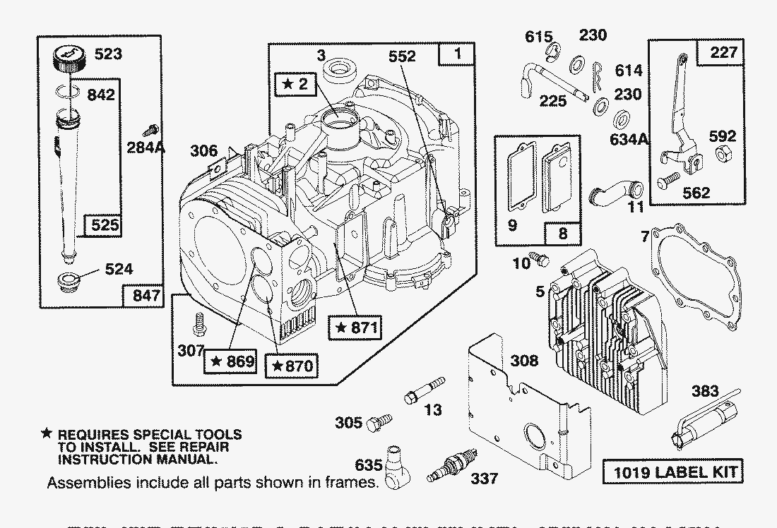
1
Cylinder Assembly
496413
2
Bearing-Cylinder Note: Installation Requires Special Tools
399265
3
Seal-Oil
391086
5
Head-Cylinder
494240
7
Gasket-Cylinder Head
271866
8
Breather Assembly
495735
9
Gasket-Valve Cover
27803
10
Screw
94621
11
Tube-Breather
280100
13
Screw-Cylinder Head
94622
225
Crank-Governor
231058
227
Lever Assy.-Governor
493935
230
Washer-Gov.Crank
94742
284
Screw-Sem
94073
305
Screw-Hex. Washer Hd.
94786
306
Shield-Cylinder
224545
307
Screw-Cylinder Shield Mtg. Sem
94623
308
Cover-Cylinder Head
491490
337
Plug-Spark (Resistor Type-1-7/8 high, 47 M.M.)(Model No. 38566 only)
802592
383
Wrench-Spark Plug
89838
523
Cap and Dipstick Oil Filler
495230
524
Seal-Filler Tube
68838
525
Tube-Oil Filler
496113
552
Bushing-Gov. Crank
231597
562
Bolt, Governor Lever
92613
592
Nut-Hex.-10-24
231082
614
Cotter, Hair Pin
93306
615
Retainer, E-Ring
93307
634
Seal-Oil
491323
635
Elbow-Spark Plug
66538
842
Seal-Oil Filler Cap
270920
847
Fill Group-Oil
496415
869
Seat-Intake Valve (Standard)
261463
870
Seat-Exhaust Valve (Std.)
213316
871
Guide-Exhaust Valve Note: 231218 Guide-Exhaust on Intake Valve (Brass). See Repair Manual.
261961
1019
Label Kit
491255
pos.
descripción
Número de pieza
Gasket-Crkcse Cover, .005 Thick * Included in Gasket Set Part No. 494241.
271997
Gasket-Crkcse Cover, .009 Thick * Included in Gasket Set Part No. 494241.
271996
15
Plug-Oil Drain
94239
16
Crankshaft
495162
Key-Timing Gear
94196
18
Base-Engine
494238
20
Seal-Oil
291675
22
Screw-Base Mtg. Sem
94624
24
Key-Flywheel
222698
25
Piston Assy.-Standard
394661
26
Ring Set-Piston-Standard
391780
Ring Set-Piston-.010 O.S.
391781
27
Lock-Piston Pin
260924
28
Pin Assembly-Piston-Standard
299691
29
Connecting Rod Assy. Note: For Connecting Rod with .020 Undersize Crankpin Bore-Order No.490469.
490348
32
Screw-Connecting Rod
94671
33
Valve-Exhaust
262246
34
Valve-Intake
262247
35
Spring-Intake Valve
65906
36
Spring-Exhaust Valve
26828
40
Retainer-Intake Valve
221596
41
Rotocoil-Exhaust Valve
292260
42
Retainer-Exhaust Valve Rotocoil
93630
45
Tappet-Valve
262248
46
Gear-Cam
212897
219
Oil Slinger
490815
741
Gear-Timing
262932
757
Link-Counterweight
212359
758
Counterweight Assy.
399891
759
Pin Assy., Piston, Std.
298909
761
Screw-Counterweight
93875
pos.
descripción
Número de pieza
51
Gasket-Carb (Carb to Elbow)
272465
52
Gasket-Carburetor Mtg.
272554
53
Stud-Carb Mtg
94637
95
Screw-Throttle Valve Mounting Sem
94098
98
Screw-ldle Speed
495800
104
Pin-Float Hinge
231789
105
Valve Assy.-Inlet Needle
231855
106
Inlet Valve Seat
231854
108
Valve-Choke
224540
118
Valve-Needle
494383
121
Carburetor Overhaul Kit
495799
123
Screw-Elbow Mtg
94616
125
Carburetor Assembly
495706
127
130
Valve-Throttle
224539
131
Shaft and Lever-Throttle
494379
133
Float-Carburetor
494381
137
Gasket-Float Bowl
281165
138
Washer-Float Bowl Screw
281164
141
Shaft and Lever-Choke
495931
142
Nozzle/Jet-Carburetor
494537
147
Pilot-Jet
231794
164
Carburetor-Elbow
213819
611
Fuel Inlet Tube
494451
618
Spring-Choke Return
262803
634
Seal-Choke Shaft
281168
634
Washer-Throttle Shaft
398970
955
Screw-Fuel Bowl
94642
965
Locknut-Air Cleaner Mtg.
94010
975
Bowl Assy-Carb
494378
977
Carburetor Gasket Kit
494385
987
Seal-Throttle Shaft
281166
pos.
descripción
Número de pieza
171
Nut-Air Cleaner Mtg
281051
224
Screw-Hex Head Sem
94513
284
Screw Hex. Head
94704
445
Cartridge-Air Cleaner
493909
467
Knob-Air Cleaner
493903
535
Element-Air Cleaner
272403
537
O-Ring-Air Cleaner
281106
646
Brace-Air Cleaner
224546
663
Screw-Clamp Mtg.
94620
872
Cover-Air Cleaner
281361
875
Body-Air Cleaner
494237
pos.
descripción
Número de pieza
187
Pipe-Fuel (11 Long)
393815
201
Link-Governor
262767
209
Spring-Governor
260871
216
Link-Choke
262766
222
Plate-Governor Control
495611
232
Spring-Governor Link
262785
240
Filter-Fuel (In Fuel Line)
394358
265
Clamp, Casing
221535
474
Stator-Alternator (Dual Circuit)
393474
482
Screw-Sem
93621
601
Clamp-Fuel Pipe
93053
657
Screw, Sem
93496
877
Diode and Connector Assy. (Dual Circuit)
393456
pos.
descripción
Número de pieza
23
Flywheel and Ring Gear
492326
37
Guard-Flywheel
224502
75
Washer-Spring
224061
78
Screw-Sem
93805
304
Housing-Blower
496431
305
Screw-Blower Housing Sem
94619
333
Armature-Magneto
492341
334
Screw, Breaker Arm Mtg. Sem
93381
346
Screw-Sem
93705
356
Wire-Ground
494328
363
Puller-Flywheel(Optional Accessory)
19203
423
Screw-Sem
94073
455
Cup-Screen Mounting
222561
468
Screen-Flush Rotating
224948
668
Spacer
280848
726
Gear-Flywheel Ring (Includes Mounting Parts)
392134
727
Cover-Starter
490324
729
Clip-Relief
281159
851
Terminal-Ignition Cable
221798
1005
Fan-Flywheel
281355
1006
Retainer-Fan
224413
1044
Screw-Hex. Head
94673
pos.
descripción
Número de pieza
309
Motor & Drive Assembly
394805
310
Bolt
94003
311
Brush Assembly
395538
510
Starter Drive Assy.
495878
513
Clutch Assembly
398003
544
Armature Assembly
390837
728
Screw
94627
729
Retainer-Wire
224723
783
Gear
280104
801
Drive End Cap Assembly
394856
802
End Cap Assy. Commutator
395537
803
Housing Assembly
398159
876
Retainer And Pin
495877
896
Roll Pin
94288
pos.
descripción
Número de pieza
358
Gasket Set
494241
634
Trigger Coil
394970
977
Tank Assembly-Fuel
494358
987
Seal-Choke Shaft
281168
Toro
Roth / TORO
Ride-On Mowers
Traktor
264-6
246 HE
244-5
212-H
212-5
17-44 HXLE
16-44 HXL
16-38 HXL
16-38 XLE
15-44 HXL
15-38 HXL
14-38 HXL
14-38 XL
13-38 HXL
392/71213
59100001
Engine B&S Model 28M707-0122-01
HydroGearTransaxle Model No. 321-0500 (Cont.)
HydroGearTransaxle Model No. 321-0500
Transaxle Assy.
HOC Assy.
Electrical Assy.
Speed Control & Rear Wheel Assy.
Clutch Assy.
Steering Assy.
Engine Assy.
Front Axle Assy.
Hood Assy.
Seat Assy.
Frame Assy.
59000001
4900001
13-38 XL
13-32 XLE
12-38 HXL
12-38 XL
12-32 XL
264 H
265 H
267 H
268 H
270 H
520 xi
520 Lxi
523 Dxi
Rider
Mower decks
Attachements
Hand operated
Robin
Condiciones
(C) by motoruf