volver a
>
Roth / TORO
>
Ride-On Mowers
>
Traktor
>
16-44 HXL
>
393/71218
>
7900001
>
Engine Assy.
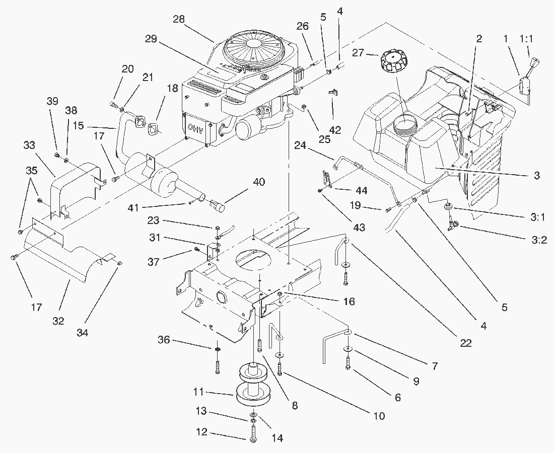
Lista de repuestos para Toro Roth / TORO Engine Assy.
pos.
descripción
Número de pieza
1
Control-Throttle
88-4340
11
Knob-Control
66-0120
2
Screw Special
27-0220
3
Tank-Gas
88-3880
31
Bushing
104047
32
Valve
104048
4
Line-Fuel
47-2963
5
Clamp-Hose
2412-98
6
Capscrew
322-9
7
Guide-Belt
93-3854
8
Screw
9267154
9
Washer
5-4460
10
Hex Hd. Capscrew
322-5
11
Pulley-Engine
93-3832
12
Screw-Blade
26-0671
13
Washer-Lock
3253-22
14
Washer-Flat
3256-25
15
Muffler
93-3892
16
MUTTER
3296-29
17
Screw-HWHTF
9266714
18
Gasket-Muffler
88-4410
19
Screw Special
27-0220
20
Capscrew-Hex. Socket Hd.
3274-10
21
Lockwasher
3253-4
22
Guide-Belt R.H.
93-3855
23
Locknut
32149-1
24
Rod-Gas Tank
94-1952
25
MUTTER
3296-29
26
Cable-Throttle
88-4350
27
Cap-Gas
88-3980
28
29
Decal-Engine 15 TQPLUS
94-3526
31
Bracket-Ground
93-3809
32
Shield-Muffler
93-3880-03
33
Exhaust Shield Wa
93-8450-03
34
Clip-Tinnerman
93-3882
35
Self Tapping Screw
32104-76
36
Lockwasher
3255-8
37
Screw-HWHTF
9266714
38
Lockwasher
3253-4
39
Capscrew
322-3
40
Arrestor-Spark
93-9911
41
Screw-Hex. Hd. Tapping
32144-42
42
Reducer-Throttle
88-4490
43
Screw-Self Tapping
32144-112
44
Latch-Hood
94-1951
Toro
Roth / TORO
Ride-On Mowers
Traktor
264-6
246 HE
244-5
212-H
212-5
17-44 HXLE
16-44 HXL
393/71218
8900001
7900001
Engine B&S Model 28Q777-0668-A1
Battery Assy.
Hydro Transaxle Assy. (Cont.)
Hydro Transaxle Assy.
Electrical Assy.
HOC Assy.
Speed Control Assy.
Transaxle Assy.
Rear Axle Assy.
Clutch Assy.
Engine Assy.
Steering Assy.
Front Axle Assy.
Seat Assy.
Frame Assy.
Hood Assy.
6900001
16-38 HXL
16-38 XLE
15-44 HXL
15-38 HXL
14-38 HXL
14-38 XL
13-38 HXL
13-38 XL
13-32 XLE
12-38 HXL
12-38 XL
12-32 XL
264 H
265 H
267 H
268 H
270 H
520 xi
520 Lxi
523 Dxi
Rider
Mower decks
Attachements
Hand operated
Robin
Condiciones
(C) by motoruf