volver a
>
Petrol engines
>
Honda
>
GCV
>
GCV 135 A2
>
cylinder assembly
Lista de repuestos para Wolf Petrol engines cylinder assembly
pos.
descripción
Número de pieza
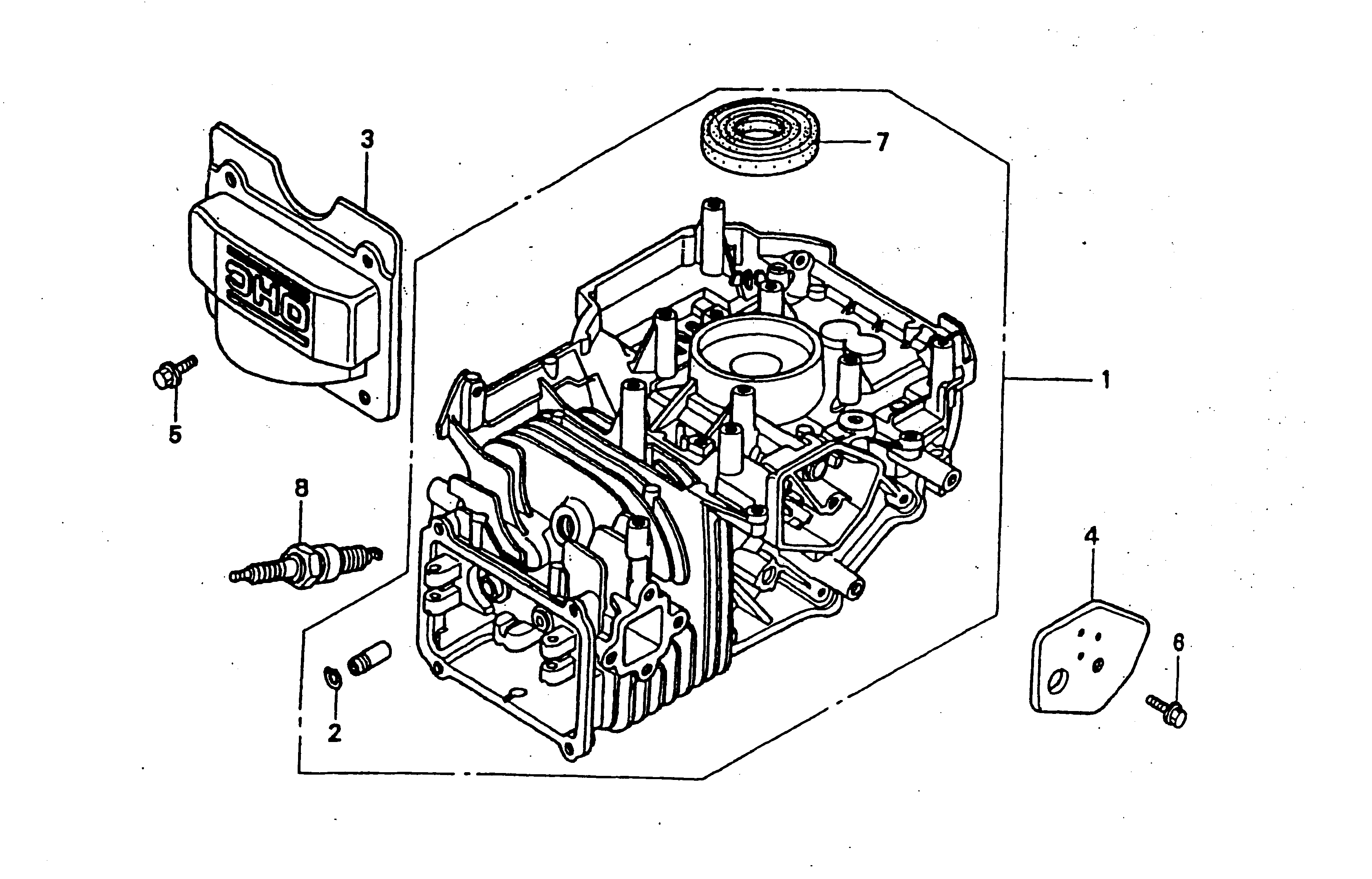
1
Cylinder Assembly
2098 308
2
Speedfix Retainer
2098 138
3
Cover-Head
2098 424
4
Cover
2098 400
5
Screw
2098 105
6
Screw
2098 106
7
Oil Seal
2098 318
8
Plug-Spark
2095 306
Wolf
Handtools
Hedge-shears
Secateurs
Grass-shears
Loppers
Tree Lopper
Tree care
Illumination, Ambiance
Battery-shears
Shredders
Saws
Grass-Trimmers
Reel-mowers
Spreaders / Portax
Irrigation
Scarifiers / Aerators
Mowers
Ride-on Mowers
Petrol engines
Tecumseh
Briggs & Stratton
Honda
GCV
GCV 160
GCV 160
GCV 135 N1S
Motor Honda GCV 135
GCV 135 A2
cylinder assembly
sump-engine
crankshaft, piston
valves
control
carburetor
flywheel, ignition, brake
fuel tank
air cleaner, muffler
covers, recoil
GCV 160
GXV
Kawasaki
Optional extras
Condiciones
(C) by motoruf