volver a
>
Mowers
>
Petrol
>
Without drive up to 42 cm
>
series 2
>
2.40 BC
>
Prisma 37 Fixspeed
>
Motor
Lista de repuestos para Wolf Mowers Motor
pos.
descripción
Número de pieza
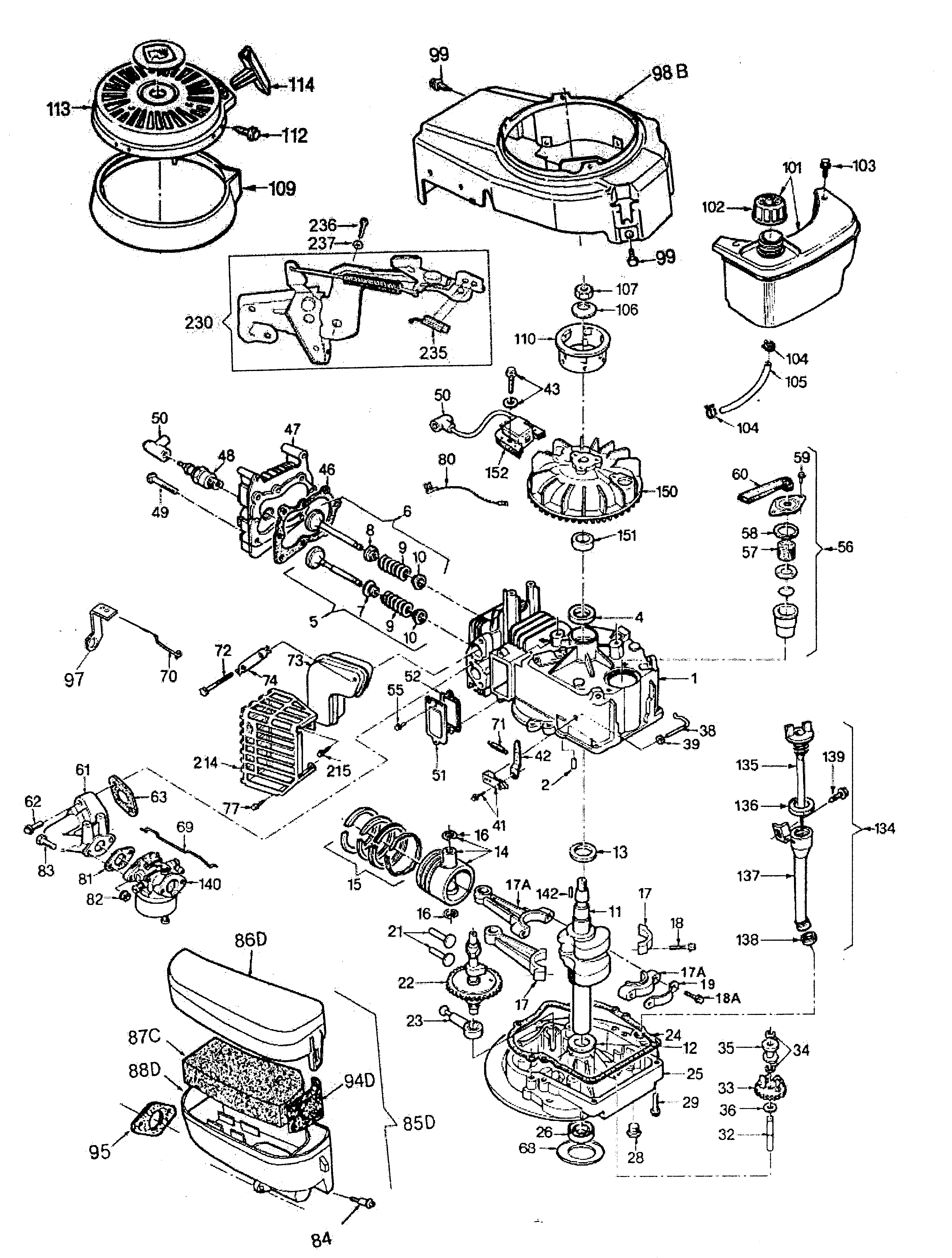
1
Cylinder-Assy. Incl.-2,4
2031 222
2
Dowel Pin
2031 106
4
Seal-Governor Shaft
1005 202
5
Intake Valve
1032 203
6
Exhaust Valve
2024 059
7
Oil Seal
2031 215
9
Valve-Spring
1038 205
10
Valve
1005 209
11
Crankshaft
2085 200
12
Thrust Bearing
2025 208
14
Piston
1039 100
15
Piston Ring Set
1039 103
16
Retainer-E Ring
1032 103
17
Ens.Pielle Incl.-18
2028 202
18
Screw
2036 201
21
Valve Lifter
1032 220
22
Camshaft
2037 100
23
Pump Oil
2026 206
24
Seal
1032 223
25
Flange
2027 201
26
Oil Seal
1005 217
28
Oil Drain Plug
2030 209
29
Screw
1038 209
32
Govenor Shaft
1032 225
33
Governor Gear
1032 230
34
Washer Spring
1032 231
35
Governor Spool
1032 232
36
Washer
2026 205
38
Govenor Shaft
2026 208
39
Washer
1032 236
41
Lever
2031 117
42
Govenor Lever
2027 206
43
Screw
2027 305
46
Seal
1032 112
47
Head-Cylinder
2027 100
48
Plug-Spark
2037 101
49
Screw
2030 203
50
Spark Plug Socket
2085 301
51
Valve Cover
2087 301
52
Seal
1032 306
55
Screw
2031 201
56
Breather
2031 531
57
Insert
2085 308
58
Seal
2085 309
59
Screw
2026 405
60
Breather Tube
2031 532
61
Intake Pipe
2037 102
62
Screw
1032 482
63
Seal
1032 221
69
Joint
2085 214
70
Joint
2085 215
71
Pin-Counterweight
2031 120
72
Screw
2030 200
73
Muffler
2037 063
74
Holding Plate
2025 209
77
Screw
2026 405
80
Cable
2085 316
81
Seal
1037 400
82
Nut
2085 403
83
Screw
2031 202
84
Screw
2031 203
85D
Air Filter Assy.
2031 054
86D
Air Filter Cover
2031 223
87C
Filter Element
2037 301
88D
Air Cleaner Case
2031 224
89A
Filter Base Gasket
2037 303
94D
Breather Element
2031 225
95
Seal
2027 403
97
Lever For Fixspeed
2031 226
98B
Schwungradgehäuse
2031 227
99
Screw
1032 315
101
Fuel Tank
2031 057
102
Fuel Cap
2085 500
103
Screw
2026 215
104
Clip
2030 501
105
Line-Fuel
2026 500
106
Washer
2026 606
107
Nut
2026 607
110
Starter Cup
2085 613
112
Screw
2085 614
113
Starter-Rewind
2085 052
114
Handle
2030 601
134
Oil Filler Assy.
2031 075
135
Oil Dipstick Gasket
2031 255
136
Seal
2031 452
137
Tube-Dipstick
2031 250
138
Seal
2027 208
139
Screw
2030 204
140
Carburetor
2031 228
142
Key-Pulley
2030 201
150
Flywheel
2029 303
151
Spacer Block
2085 304
152
Armature-Magneto
2030 055
165
Seal Set
2031 058
192
Screw
2085 404
214
Muffler Guard
2031 107
215
Screw
2031 207
230
Brake
2031 127
235
Switch-Key
2031 125
236
Screw
2037 108
Wolf
Handtools
Hedge-shears
Secateurs
Grass-shears
Loppers
Tree Lopper
Tree care
Illumination, Ambiance
Battery-shears
Shredders
Saws
Grass-Trimmers
Reel-mowers
Spreaders / Portax
Irrigation
Scarifiers / Aerators
Mowers
Accu
Petrol
Without drive up to 42 cm
series 2
2.42 T
2.42 TL
2.42 B
2.42 T
2.42 TL
2.42 TLK
2.42 BS
2.42 TV
2.42 TP
2.40 BQ
2.40 BS
2.40 H
2.40 BC
Data Sheet
Chassis
Axle, Wheels, Height-adjustment
Handlebar compl.
Motor, Blade
Grass collector Esprit
Classic 35
Prisma 37 Fixspeed
Motor
Carburetor
2.38 TV
2.40 BS
2.40 H
2.40 BC
2.42 B, Good-Line
2.40 B
2.40 BT
series 4
series 6
Premio
Power Edition
Esprit
Moto-Verte
Others
Compact Plus
Without drive from 43 cm on
Drive up to 42 cm
Drive from 43 cm on
Electric start / Touch 'n Mow
Electro
Ride-on Mowers
Petrol engines
Optional extras
Condiciones
(C) by motoruf