volver a
>
Mowers
>
Petrol
>
Drive up to 42 cm
>
series 2
>
2.42 TA
>
Prisma 37
>
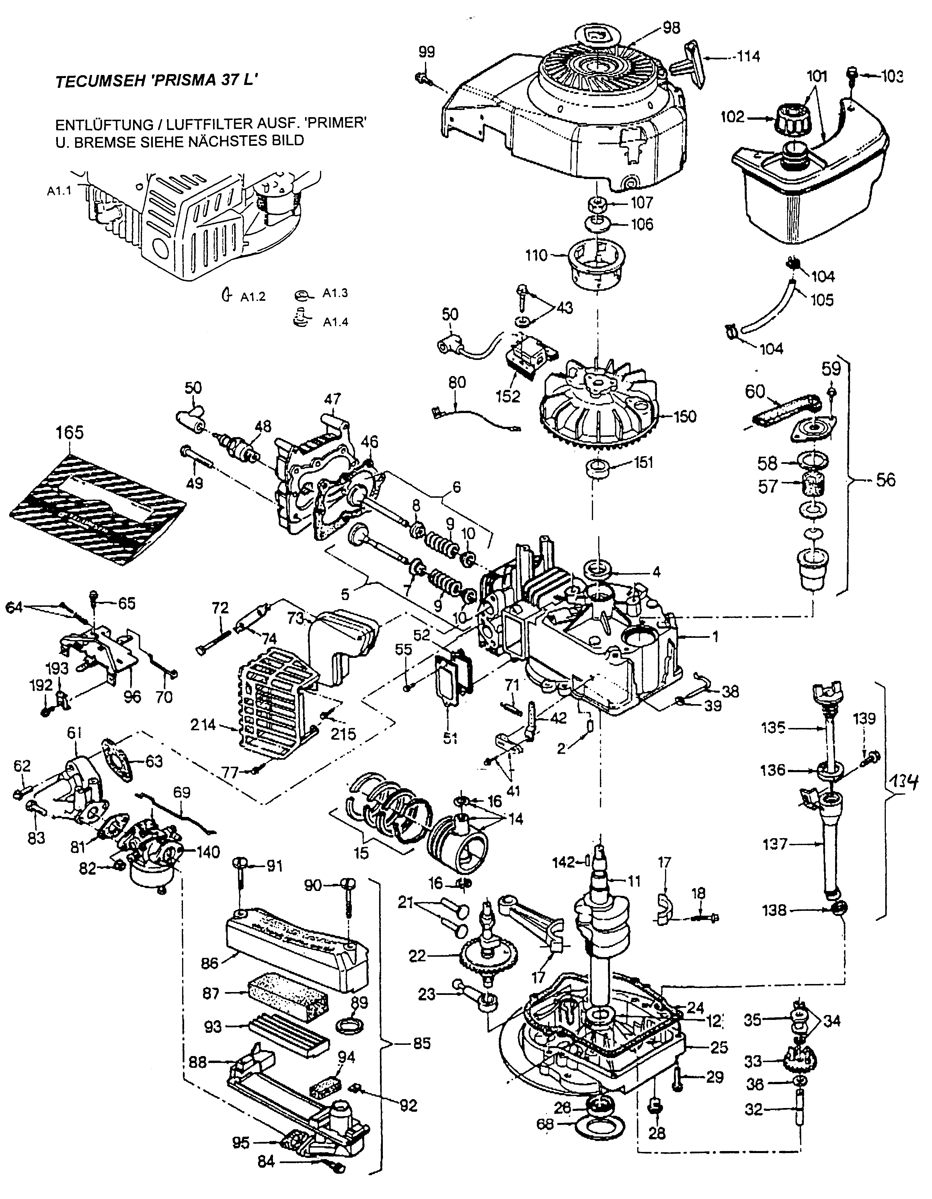
Motor Prisma 37 L (1)
Lista de repuestos para Wolf Mowers Motor Prisma 37 L (1)
pos.
descripción
Número de pieza
A1.1
Motor
2031 050
A1.2
Key
0029 055
A1.3
Screw
0011 351
A1.4
Hex. Nut
0016 312
1
Cylinder
2031 052
2
Pin-Counterweight
1032 201
4
Seal-Governor Shaft
1005 202
5
Intake Valve
1032 203
6
Exhaust Valve
2085 056
7
Oil Seal
2031 215
8
Valve
2027 204
9
Valve-Spring
2031 113
10
Valve
1038 206
11
Crankshaft
2085 200
12
Thrust Bearing
2085 208
14
Piston
1039 100
15
Piston Ring Set
1039 103
16
Retainer-E Ring
1032 103
17
Pod-Connecting
2036 202
18
Screw
2036 201
21
Bolt
2031 114
22
Camshaft
2031 115
23
Pump Oil
2026 206
24
Seal
1032 223
25
Flange
2027 201
26
Oil Seal
1005 217
28
Oil Drain Plug
2030 209
29
Screw
1038 209
32
Govenor Shaft
1032 225
33
Governor Gear
1032 230
34
Washer Spring
1032 231
35
Governor Spool
1032 232
36
Washer
2026 205
38
Govenor Shaft
2026 208
39
Washer
1032 236
41
Lever
2031 117
42
Govenor Lever
2085 202
43
Screw
2085 421
46
Seal
1032 112
47
Head-Cylinder
2027 100
48
Plug-Spark
2031 305
49
Screw
2030 203
50
Spark Plug Socket
2085 301
51
Valve Cover
2087 301
56
Breather
2031 531
57
Insert
2085 308
58
Seal
2085 309
59
Screw
2085 310
61
Pipe
2087 401
62
Screw
2085 204
63
Seal
2031 221
64
Screw
2031 210
65
Screw
2085 310
68
Cover
2026 204
69
Joint
2030 404
70
Joint
2087 402
71
Pin-Counterweight
2031 120
72
Screw
2025 215
73
Muffler
2031 010
74
Holding Plate
2025 209
77
Screw
2085 310
80
Wire-Stop
2087 305
81
Seal
1037 400
82
Nut
2085 403
83
Screw
2031 202
85
Filter-Pre Cleaner
2031 056
86
Air Filter Cover
2031 401
87
Filter Element
2031 405
88
Air Cleaner Case
2031 408
90
Screw
2031 204
91
Screw
2031 205
92
Nut
2031 220
93
Air Cleaner Fence
2031 410
94
Breather Element
2031 112
96
Holding Plate
2031 118
98
Blower Housing
2031 119
99
Screw
1032 315
101
Fuel Tank
2031 057
102
Fuel Cap
2085 500
103
Screw
2026 215
104
Clip
2030 501
105
Line-Fuel
2026 500
106
Washer
2026 606
107
Nut
2026 607
110
Cup-Flywheel
2035 601
114
Handle
2030 601
***
Starter Rope
2085 612
130B
Motor Brake
2033 111
134
Oil Filler Assy.
2031 075
135
Oil Dipstick Gasket
2031 255
136
Seal
2031 452
137
Tube-Dipstick
2031 250
138
Seal
2027 208
139
Screw
2026 215
140
Carburetor
2031 020
140
Carburetor
2031 021
142
Key-Pulley
2030 201
150
Flywheel
2029 303
151
Spacer Block
2085 304
152
Armature-Magneto
2030 055
165
Seal Set
2031 058
192
Screw
2085 404
193
Arm
1038 402
214
Muffler Guard
2030 307
215
Screw
2031 207
240
Clip
2033 114
Wolf
Handtools
Hedge-shears
Secateurs
Grass-shears
Loppers
Tree Lopper
Tree care
Illumination, Ambiance
Battery-shears
Shredders
Saws
Grass-Trimmers
Reel-mowers
Spreaders / Portax
Irrigation
Scarifiers / Aerators
Mowers
Accu
Petrol
Without drive up to 42 cm
Without drive from 43 cm on
Drive up to 42 cm
series 2
2.42 TA
2.42 TA
2.42 TAK
2.42 TA
Data Sheet
Chassis, Rear flap
Drive, Wheels
Height-adjustment
Handlebar compl.
Motor, Blade, Shift case
Prisma 37
Motor Prisma 37 L (1)
Motor Prisma 37 L (2)
Rewind Starter
Carburetor
Carburetor 'Primer'
2.40 HA
2.40 HA
series 6
Premio
Power Edition
Esprit
Others
Compact Plus
Drive from 43 cm on
Electric start / Touch 'n Mow
Electro
Ride-on Mowers
Petrol engines
Optional extras
Condiciones
(C) by motoruf