volver a
>
Mowers
>
Petrol
>
Without drive from 43 cm on
>
series 2
>
2.46 BS
>
Sprint 40
>
Cylinder assembly
Lista de repuestos para Wolf Mowers Cylinder assembly
pos.
descripción
Número de pieza
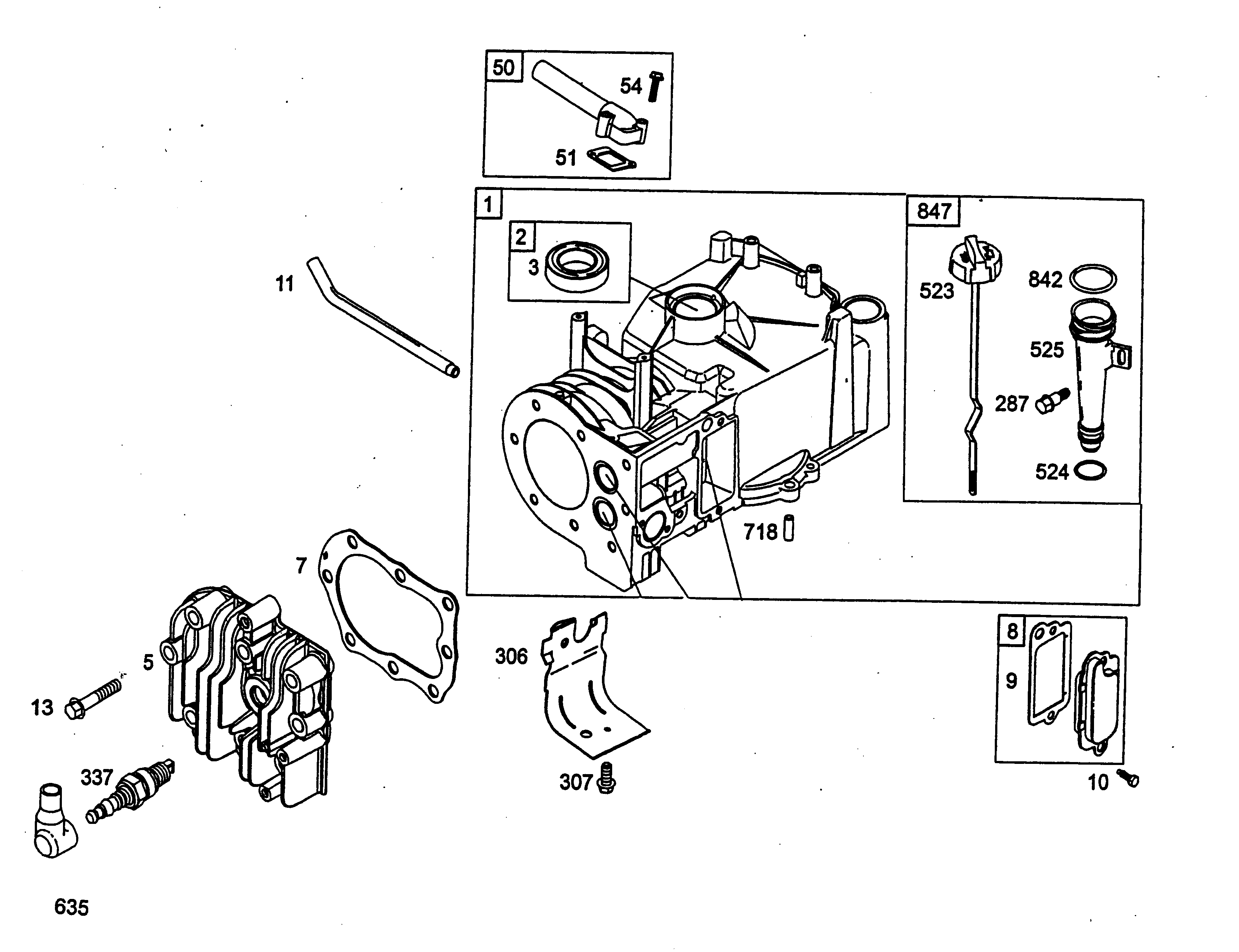
3
Oil Seal
2057 352
5
Head-Cylinder
2056 164
7
Gasket-Cylinder Head
2056 159
8
Breather
2056 166
9
Seal Breather
1034 301
10
Screw
1034 302
11
Tube-Breather
2056 167
13
Screw
2062 501
50
Pipe
1034 227
51
Seal
1034 222
54
Screw
2056 168
287
Screw
2006 304
306
Deflector-Muffler
2056 170
307
Screw
2063 120
337
Plug-Spark
2058 305
523
Dipstick
2056 173
524
Seal-O Ring
2007 205
525
Tube-Dipstick
2003 203
635
Spark Plug Socket
1034 435
718
Pin
2057 117
842
Seal-Dipstick Tube
2056 160
847
Replenishing Tube
2056 176
Wolf
Handtools
Hedge-shears
Secateurs
Grass-shears
Loppers
Tree Lopper
Tree care
Illumination, Ambiance
Battery-shears
Shredders
Saws
Grass-Trimmers
Reel-mowers
Spreaders / Portax
Irrigation
Scarifiers / Aerators
Mowers
Accu
Petrol
Without drive up to 42 cm
Without drive from 43 cm on
series 2
2.46 BS
2.46 BS
Data Sheet
Chassis
Axle, Wheels, Height-adjustment
Handlebar compl.
Motor, Blade
Grass collector Esprit
MK 46
Sprint 40
Cylinder assembly
Piston, Connecting rod, Valves
Crankshaft, Sump bases
Carburetor (Primer system)
Control
Flywheel, Electrical, Brake
Air cleaner, Muffler
Covers, Blower housing
Gasket set
2.48 XC, Good Line
series 4
series 6
Concept
Premio
Esprit
Others
Drive up to 42 cm
Drive from 43 cm on
Electric start / Touch 'n Mow
Electro
Ride-on Mowers
Petrol engines
Optional extras
Condiciones
(C) by motoruf