volver a
>
Mowers
>
Electro
>
Drive
>
series 4
>
4.46 EA
>
Chassis
Lista de repuestos para Wolf Mowers Chassis
Lista de repuestos 1
Lista de repuestos 2
pos.
descripción
Número de pieza
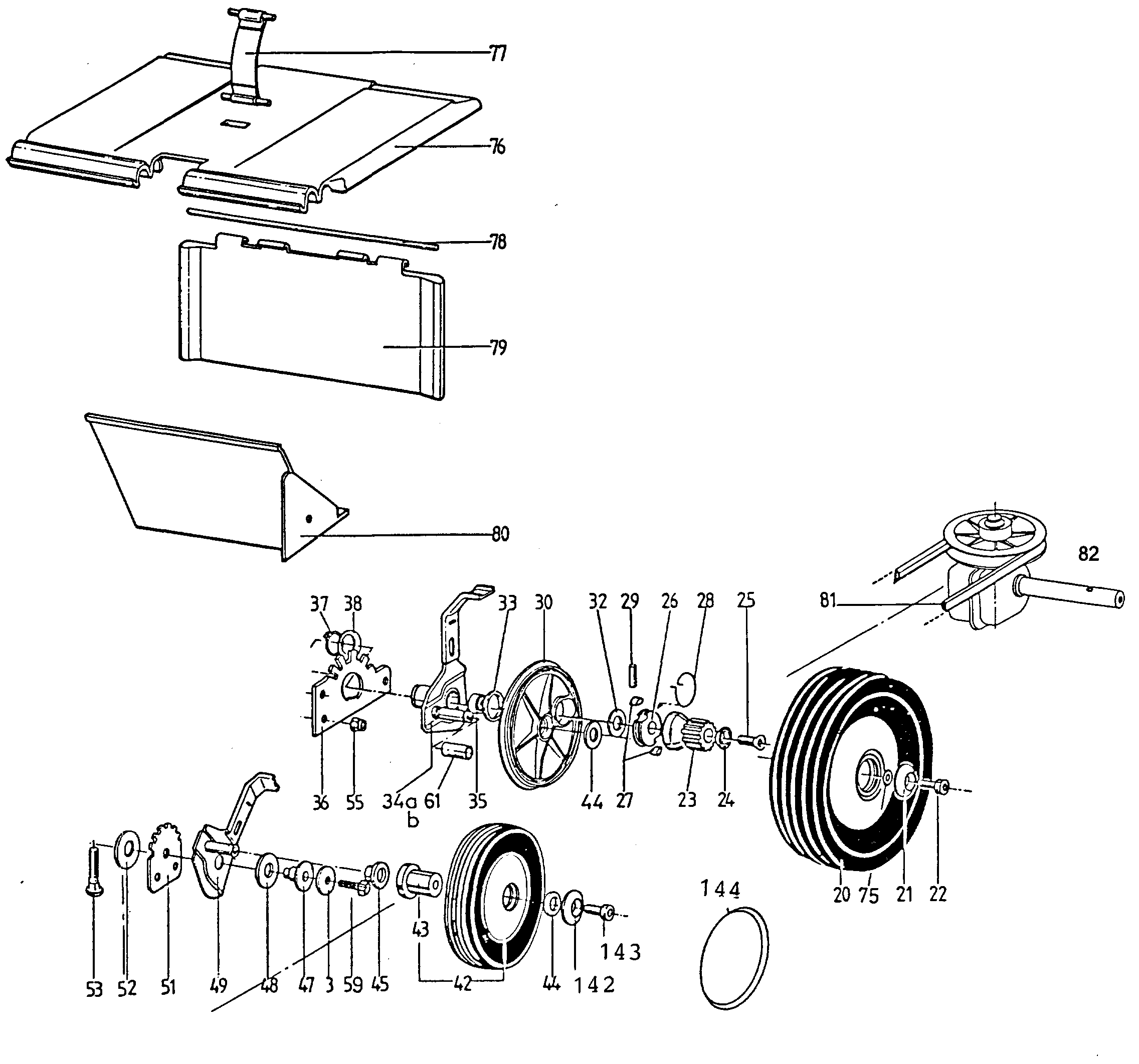
1
Chassis
6905 300
4
Cap
6905 302
5
Ring
6901 307
6
Washer
6920 302
9
Pulley-Camshaft
6902 120
10
Threaded Pin
6912 502
11
Coupling
6901 308
12
Starter Dog
6912 401
13
Coupling Disk
6901 309
14
Blade
6948 308
17
Screw
6901 105
24
Washer
6912 505
26
Free Running
4277 505
27
Starter Dog
4277 504
28
Spring
6948109
30
Hub Cap
6912 506
32
Washer
0017 282
34a
Lever
6912 015
34b
Angle
6902 300
37
Clip
6912 510
39
Screw
6901111
40
Front Axle
6902 301
41a
Lever
6912 016
41b
Axle armature, right
6902 302
50
Lever
6905 016
54
Bush
6912 512
55
Nut
6948 300
56
Washer
6948 307
57
Arm
6905 309
58
Screw
6948 119
60
Washer
6948 121
61
Retainer-E Ring
6948 108
62
Screw
0015 684
63
Clip
4224 218
64
Handlebar Holder
6905 018
65
Insulator
6905 308
66
Arm
6920 303
67
Screw
0013 652
68
Stop nut
6948 301
69
Screw
0013 654
70
Screw
0013 653
71
Screw
0010 374
72
Nut
0016 311
73
Cap
6905 211
74
Cover
6912 301
83
Plate-Carburetor
6920 305
84
Shackle
6920 304
85
cover
6920 306
86
Strip
6901 311
87
Hook
4278 216
89
Cap Upper
6901 310
90
Screw
6901 112
91
Condenser
6902 100
92
Cap Lower
6901 312
93
Aerator
6901 313
94
Screw
6901 113
95
Motor
6902 060
96
Screw
6902 112
97
Spring
6922 506
98
Routing
6902 101
99
Washer
0017 556
100
Nut
6948 312
125
"Wolf-Garten" Brand
0051 146
****
Instruction Manual
0054 100
pos.
descripción
Número de pieza
3
Washer
0017 291
20
Driving Wheel
6912 050
21
Washer
6905 501
22
Screw
6948 112
23
Toothed Wheel
4277 507
25
Screw
0011 444
29
Pin-Counterweight
6948 117
33
Washer
6925 505
35
Bearing
6955 312
36
Cover
6912 509
38
Rubber Washer
6912 511
42
Wheel, 180Mm Dia.
6905 051
43
Bushing
6905 500
44
Washer
6948111
45
Arm
4249 501
47
Bush
4289 516
48
Washer
6902110
49
Lever
6905 017
51
Washer
6905 502
52
Washer
6902 111
53
Screw
0013 656
59
Screw
0010 389
75
Washer
0017 289
76
Rear Flap
6905 305
77
Belt
6905 303
78
Rod
6905 304
79
Baffle Plate
6905 306
80
Deflector-Muffler
6905 307
81
Drive Belt 42Cm
6902 102
82
Gear
6902 055
142
Washer
6966110
143
Screw
6966111
144
Cover
6966 506
Wolf
Handtools
Hedge-shears
Secateurs
Grass-shears
Loppers
Tree Lopper
Tree care
Illumination, Ambiance
Battery-shears
Shredders
Saws
Grass-Trimmers
Reel-mowers
Spreaders / Portax
Irrigation
Scarifiers / Aerators
Mowers
Accu
Petrol
Electro
Without drive up to 38 cm
Without drive from 40 cm on
Drive
series 4
4.46 EA
Data Sheet
Handlebar
Chassis
series 6
Concept
Premio
Power Edition
Esprit
Ride-on Mowers
Petrol engines
Optional extras
Condiciones
(C) by motoruf