volver a
>
Mowers
>
Electro
>
Without drive from 40 cm on
>
series 4
>
4.46 E
>
Chassis
Lista de repuestos para Wolf Mowers Chassis
Lista de repuestos 1
Lista de repuestos 2
pos.
descripción
Número de pieza
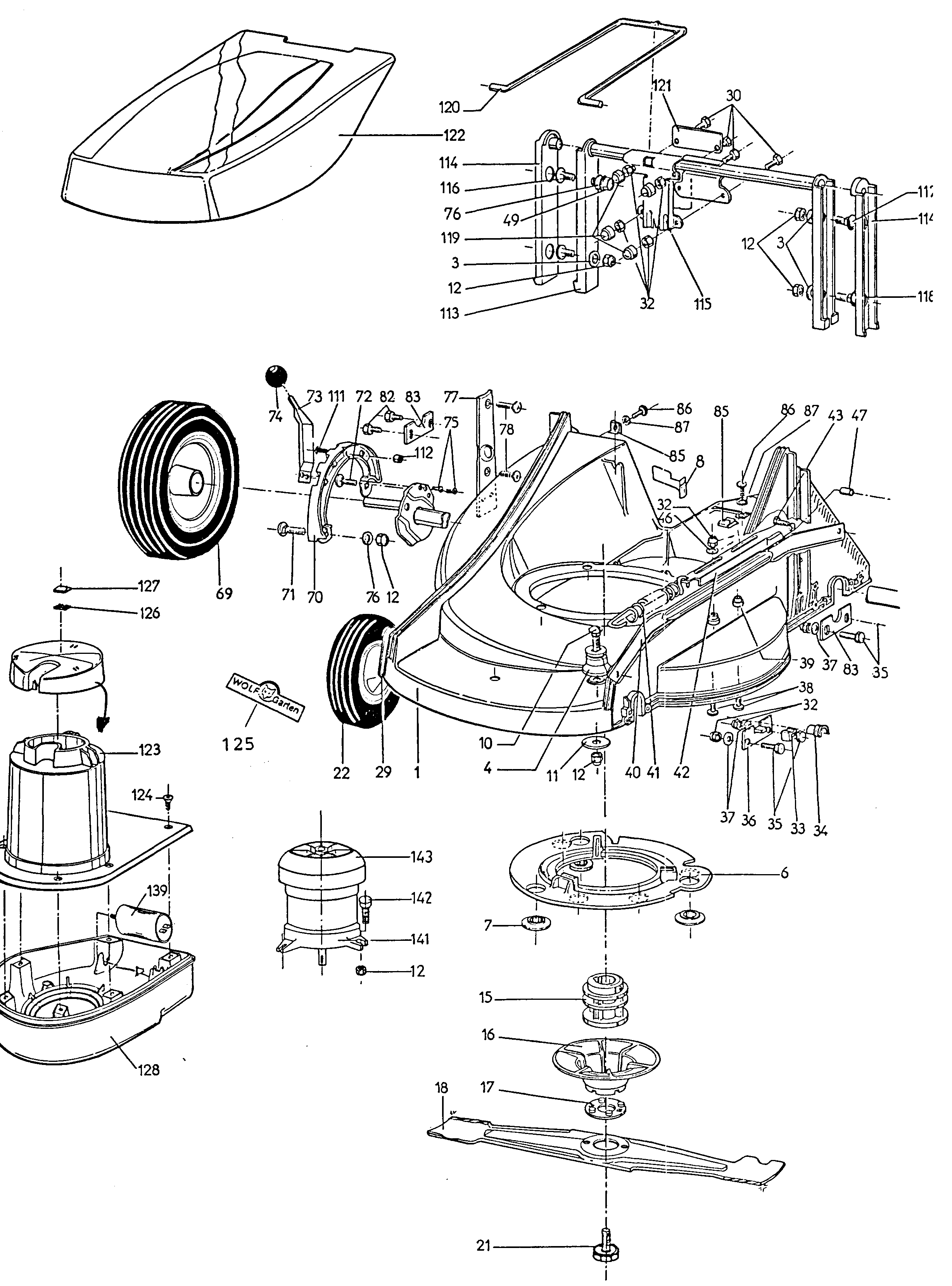
1
Chassis
6905 300
3
Washer
0017 291
4
Arm
6920 301
6
Ring
6901 307
7
Washer
6920 302
8
Cover
6905 310
10
Screw
0013 656
11
Washer
4151 209
12
Nut
6948 300
15
Coupling
6901 308
16
Starter Dog
6912 401
17
Coupling Disk
6901 309
18
Blade
6948 308
21
Screw
6901 105
32
Nut
0016 311
33
Rubber Buffer
6920 502
34
Bush
4249 505
35
Screw
6948113
36
Axle Support
6920 507
37
Washer
0017 121
38
bend protection
6905 105
39
Bush
6955 109
40
Rod
6920 506
41
Spring
6920 508
42
Spring Retainer
6920 509
46
Flat Washer 5.3 Din 9021 B
0017 287
47
Bush
6920 510
48
Lever
6920 511
49
Stop nut
6948 301
70
Snap-In Locking Device
6920 513
71
Screw
0013 655
72
Screw
6901111
73
Lever(Replaces 6930506)
6930 506
74
Button
4277104
75
Pin
6948118
76
Washer
6948 307
77
Arm
6905 309
78
Screw
6948 119
82
Screw
0010 365
83
Cover
6920 515
85
Clip
4224 218
86
Screw
0015 684
87
Washer
6948 121
111
Screw
6948126
112
Bush
6920 516
113
Handlebar Holder
6905 018
114
Insulator
6905 308
115
Arm
6920 303
116
Screw
0013 652
117
Screw
0013 654
118
Screw
0013 653
119
Cap
6905 211
120
Shackle
6920 304
121
Plate-Carburetor
6920 305
122
cover
6920 306
123
Cap Upper
6901 310
124
Screw
6901 112
125
"Wolf-Garten" Brand
0051 146
126
Hook
4278 216
127
Strip
6901 311
128
Cap Lower
6901 312
139
Condenser
6901 106
141
Motor
6901 060
142
Screw
6901 113
143
Aerator
6901 313
****
Brake
6901 107
****
Instruction Manual
0054 100
pos.
descripción
Número de pieza
22
Wheel, 180Mm Dia.
6901 040
22
Radial Bearing
6925 051
23
Washer
6948111
24
Washer
6966110
25
Screw
6966111
26
Arm
4249 501
27
Washer
0017 831
28
Washer
6920 501
29
Axle
6920 505
30
Screw
0010 374
31
Bush
6920 503
43
Screw
6948114
44
Washer
6948115
45
Nut
6948 312
55
Kingpin Assembly
6920 512
58
Bush
4249 506
69
Wheel ø 200 mm
6950 040
106
Deflector-Muffler
6905 307
107
Baffle Plate
6905 306
108
Rod
6905 304
109
Rear Flap
6905 305
110
Belt
6905 303
144
Cover
6966 506
Wolf
Handtools
Hedge-shears
Secateurs
Grass-shears
Loppers
Tree Lopper
Tree care
Illumination, Ambiance
Battery-shears
Shredders
Saws
Grass-Trimmers
Reel-mowers
Spreaders / Portax
Irrigation
Scarifiers / Aerators
Mowers
Accu
Petrol
Electro
Without drive up to 38 cm
Without drive from 40 cm on
series 2
series 4
4.42 E
4.46 E
Data Sheet
Handlebar
Chassis
4.40 E
series 6
Concept
Premio
Power Edition
Esprit
Others
Compact Plus
Drive
Ride-on Mowers
Petrol engines
Optional extras
Condiciones
(C) by motoruf