volver a
>
Mowers
>
Petrol
>
Drive from 43 cm on
>
series 4
>
4.46 BA
>
4.46 BA
Lista de repuestos para Wolf Mowers 4.46 BA
Lista de repuestos 1
Lista de repuestos 2
pos.
descripción
Número de pieza
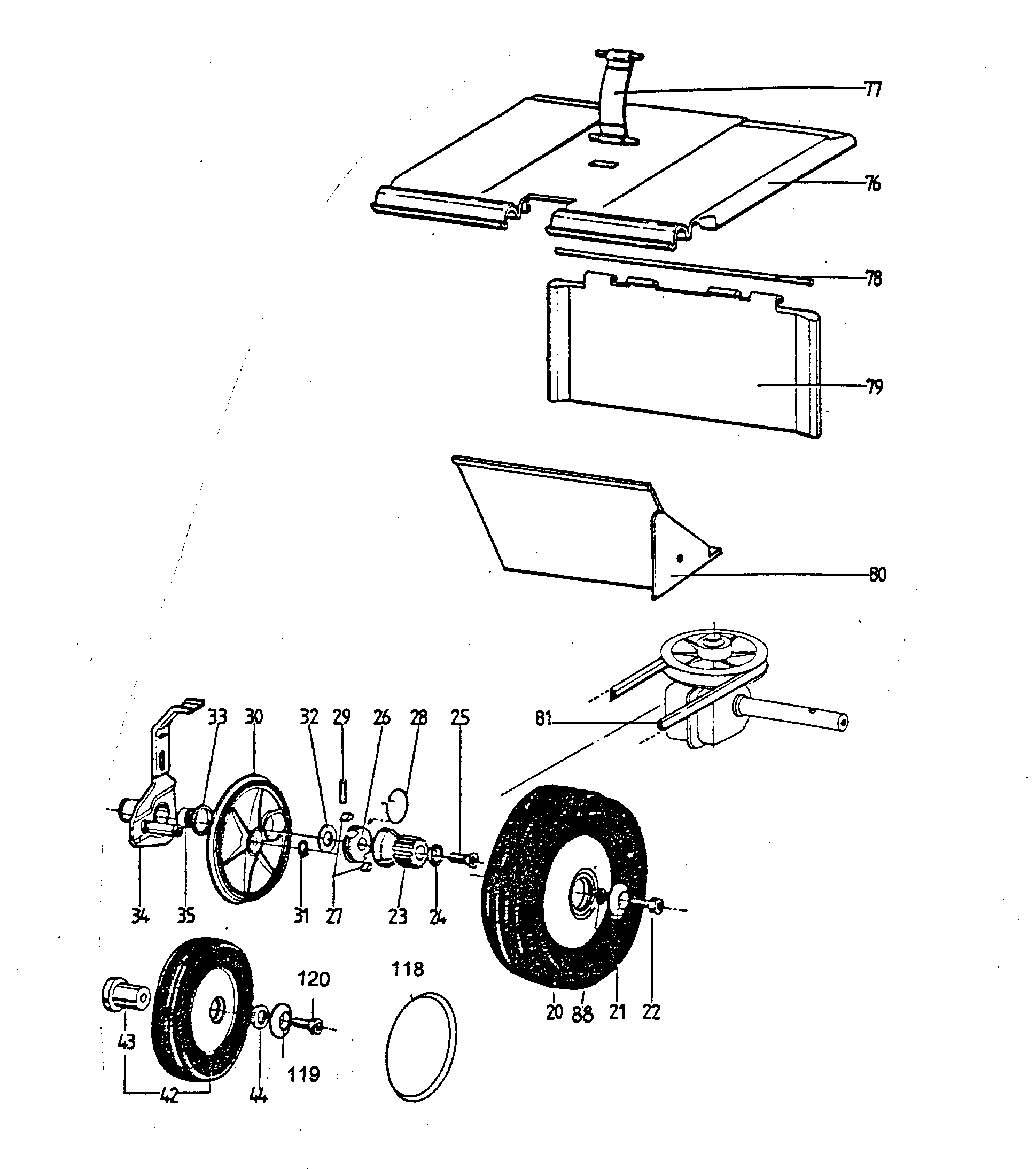
1
Chassis
6905 300
2
Insulator
6905 301
3
Washer
0017 291
4
Cap
6905 302
5
Retainer-E Ring
6925 301
6
Washer
6920 302
7
Washer
6905 311
9
Pulley-Camshaft
6912 501
10
Threaded Pin
6912 502
11
Coupling
6920 402
12
Starter Dog
6912 401
13
Starter Dog
6920 500
14
Blade
6920 090
14
Blade
6920 091
15
Washer
4289 403
16
Washer spring
0017 911
17
Screw
0010 258
25
Screw
0011 444
36
Cover
6912 509
37
Clip
6912 510
38
Rubber Washer
6912 511
39
Screw
0013 654
40
Axle Front
6905 504
41
Lever
6912 016
45
Arm
4249 501
47
Bush
4289 516
48
Belleville Spring Washer
0022 842
49
Lever
6905 017
50
Lever
6905 016
51
Washer
6905 502
52
Washer
4151 209
53
Screw
0013 656
54
Bush
6912 512
55
Hex. Nut
0016 312
56
Washer
0017 291
57
Arm
6905 309
58
Screw, Pt Ka 40 X 10
0012 887
59
Screw
0010 364
60
Washer
0017 286
61
Self Locking Nut M 4
0016 309
62
Screw
0015 684
63
Clip
4224 218
64
Handlebar Holder
6905 018
65
Insulator
6905 308
66
Clamp
6905 104
67
Screw
0013 652
68
Self Locking Nut M8 Din 985 Ci.8
0016 213
69
Screw
0013 654
70
Screw
0013 653
71
Screw
0010 400
72
Nut
0016 311
73
Cap
6905 211
74
Cover
6912 301
75
Guiding
6912 302
82
Arm
6912 514
83
Hex. Nut
0016 310
84
Flat Washer 5.3 Din 9021 B
0017 287
85
Roller
1086 126
86
Stud Bolt
6912 515
87
Nut
0016 256
89
Screw
0010 101
90
Screw
0013 640
91
Washer
0017 849
92
"Wolf-Garten" Brand
0051 146
93
Guide-Rope
6925 114
117
Gum
6905 100
****
Bag With Accessories
6922 060
****
Safety Label
0051 224
****
Instruction Manual
0054 088
pos.
descripción
Número de pieza
20
Driving Wheel
6912 050
21
Washer
6905 501
22
Screw
0011 130
23
Toothed Wheel
4277 507
24
Washer
6912 505
26
Free Running
4277 505
27
Starter Dog
4277 504
28
Throttle Return Spring
4277 506
29
Spring Pincart
0018 806
30
Hub Cap
6912 506
31
Clip
6912 507
32
Washer
0017 282
33
Washer
6912 508
34
Lever
6912 015
35
Bearing
4253 109
42
Wheel, 180Mm Dia.
6966 040
43
Bushing
6905 500
44
Distance Ring
1086 107
76
Rear Flap
6905 305
77
Belt
6905 303
78
Rod
6905 304
79
Baffle Plate
6905 306
80
Deflector-Muffler
6905 307
81
Drive Belt 42Cm
6912 513
88
Washer
0017 121
118
Cover
6966 506
119
Washer
6966110
120
Screw
6966111
Wolf
Handtools
Hedge-shears
Secateurs
Grass-shears
Loppers
Tree Lopper
Tree care
Illumination, Ambiance
Battery-shears
Shredders
Saws
Grass-Trimmers
Reel-mowers
Spreaders / Portax
Irrigation
Scarifiers / Aerators
Mowers
Accu
Petrol
Without drive up to 42 cm
Without drive from 43 cm on
Drive up to 42 cm
Drive from 43 cm on
series 2
series 4
4.46 BA
Data Sheet
Upper Handlebar, Blade stop
Handlebar parts
4.46 BA
Gear
XE, XTE, XTL 35/40/45/50-I/C-ES
XE, XTE 35/40-50/55
series 6
Moto-Verte
Concept
Premio
Power Edition
Esprit
Others
Electric start / Touch 'n Mow
Electro
Ride-on Mowers
Petrol engines
Optional extras
Condiciones
(C) by motoruf