volver a
>
Roth / TORO
>
Ride-On Mowers
>
Traktor
>
267 H
>
505/72104
>
6900001
>
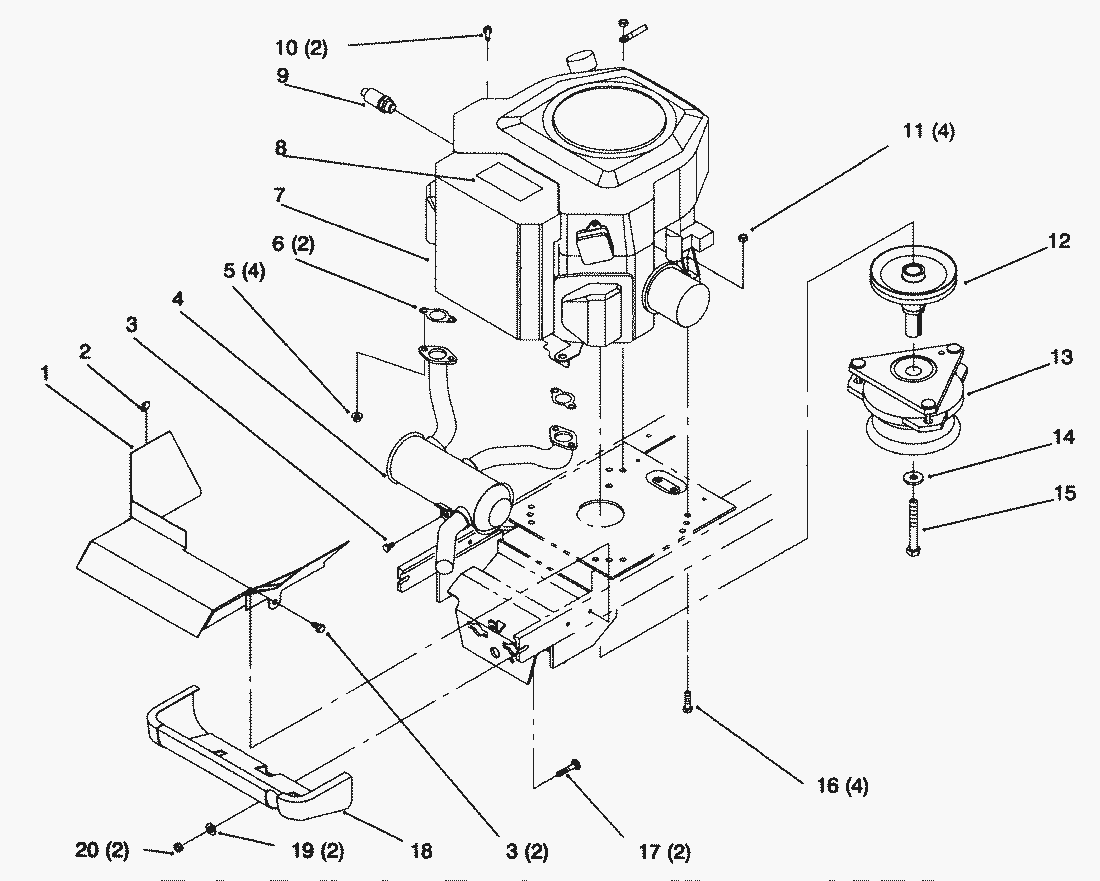
Twin Cylinder Engine, Muffler, and P.T.O.
Lista de repuestos para Toro Roth / TORO Twin Cylinder Engine, Muffler, and P.T.O.
pos.
descripción
Número de pieza
1
Muffler Baffle ASM
94-6950-03
2
Clip-Wire Retainer
702366
3
Screw-Wash. Hd., Tap.
32144-14
4
Muffler (Only On: 72103, 72083)
92-6861
5
Nut-HHF (Only On: 72103,72083)
92-6780
6
Gasket-Exhaust (Only On: 72103, 72083)
93-0350
7
Engine-Kohler 17 (Only On: 72085)
94-3331
7
Engine-Kohler 17 (Only On: 72104)
94-3332
8
Decal-Toro Power Plus 17
94-2971
9
Valve-Oil Drain (Only On: 72103, 72083)
92-6877
10
Screw-PPH (Only On: 72103, 72083)
32144-118
11
MUTTER
3296-29
12
Pulley (Only On: 72083, 72103)
92-6888
13
Clutch-PTO (Only On: 72103, 72083)
92-6885
13
Clutch-Electric PTO (Only On: 72046)
94-2514
14
Washer
112843
15
Screw-Hex. Hd.
9114466
16
Capscrew
322-9
17
Carriage Bolt
3231-25
18
Shield-Muffler (Only On: 72103)
92-6867-01
19
Flat Washer
3256-24
20
Locknut
3296-39
Toro
Roth / TORO
Ride-On Mowers
Traktor
264-6
246 HE
244-5
212-H
212-5
17-44 HXLE
16-44 HXL
16-38 HXL
16-38 XLE
15-44 HXL
15-38 HXL
14-38 HXL
14-38 XL
13-38 HXL
13-38 XL
13-32 XLE
12-38 HXL
12-38 XL
12-32 XL
264 H
265 H
267 H
505/72104
6900001
Hood and Grill
Dash
Steering Wheel and Tilt
Lower Steering
Front Axle
Seat
Fender and Footrest
Twin Cylinder Engine, Muffler, and P.T.O.
Clutch 92-6885
Battery
Hoodstand and Firewall
Fuel Tank and Hydro Reservoir
Lift Lever and HOC
Frame
Hydro Drive Components
Hydro Brake
Hydro Control
Hydro Transaxle
Cruise Control
Rear Wheel
Crankshaft
Crankcase
Oil Pan/Lubrication
Head/Valve/Breather
Ignition/Electrical
Blower Housing & Baffles
Start System
Fuel System
Engine Controls
Air Intake/Filtration
Exhaust
Transaxle Case
Center Case
Pump Shaft
EngineShaft
Range Shift
Bypass Return
Lever Damper
N-Centering
Brake Interlock
Differential Gear
Final Pinion
Axle Shaft
Brake
7900001
8900001
8900600
268 H
270 H
520 xi
520 Lxi
523 Dxi
Rider
Mower decks
Attachements
Hand operated
Robin
Condiciones
(C) by motoruf