volver a
>
Roth / TORO
>
Ride-On Mowers
>
Traktor
>
13-38 HXL
>
392/71213
>
59000001
>
Transaxle Assy.
Lista de repuestos para Toro Roth / TORO Transaxle Assy.
pos.
descripción
Número de pieza
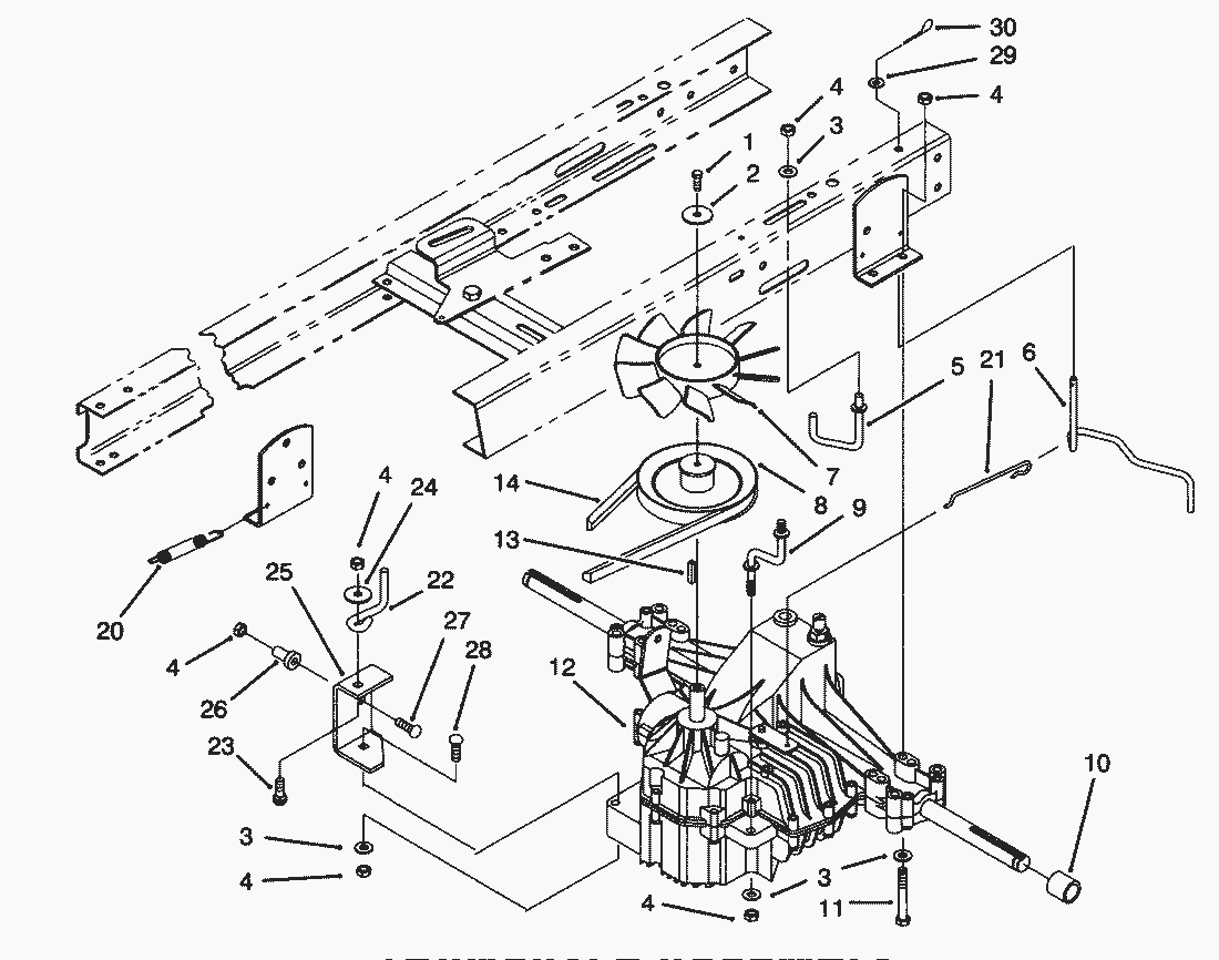
1
Screw-Hex Hd. Cap
48-7620
2
Washer-Fender
3256-58
3
Washer
3256-23
4
MUTTER
3296-29
5
Guide-Trans. Belt L.H.
88-5960
6
Lever-Bypass
92-8857
7
Fan-Hydro
115271
8
Pulley-Transaxle
88-6180
9
Strap-Torque
88-5620
10
Spacer-Wheel
88-5360
11
Screw-Cap Hex. Hd.
322-12
12
Transaxle
92-9790
13
Key-Square
80-6090
14
V-Belt-Transaxle
88-6280
20
Spring-Brake Return
26-6701
21
Wire-Bypass
92-8856
22
Guide-Trans. Belt
88-5460
23
Carriage Bolt
3230-2
24
Washer
5-4460
25
Bracket-Speed Control
92-6013
26
Bushing-Flanged
65-5080
27
Bolt-Carriage
3230-5
28
Bolt-Carriage
3230-7
29
Washer
3256-22
30
Hair Pin Cotter
3290-307
Toro
Roth / TORO
Ride-On Mowers
Traktor
264-6
246 HE
244-5
212-H
212-5
17-44 HXLE
16-44 HXL
16-38 HXL
16-38 XLE
15-44 HXL
15-38 HXL
14-38 HXL
14-38 XL
13-38 HXL
392/71213
59100001
59000001
Engine B&S Model 28M707-0122-01
HydroGearTransaxle Model 321-0500 (Cont.)
HydroGearTransaxle Model No. 321-0500 (Cont.)
HydroGearTransaxle Model No. 321-0500
HOC Assy.
Transaxle Assy.
Electrical Assy.
Speed Control & Rear Wheel Assy.
Engine Assy.
Clutch Assy.
Steering Assy.
Front Axle Assy.
Seat Assy.
Frame Assy.
Hood Assy.
4900001
13-38 XL
13-32 XLE
12-38 HXL
12-38 XL
12-32 XL
264 H
265 H
267 H
268 H
270 H
520 xi
520 Lxi
523 Dxi
Rider
Mower decks
Attachements
Hand operated
Robin
Condiciones
(C) by motoruf