volver a
>
Roth / TORO
>
Hand operated
>
Lawnmower
>
2-stroke SP
>
277
>
250000
>
ShortBlock
Lista de repuestos para Toro Roth / TORO ShortBlock
pos.
descripción
Número de pieza
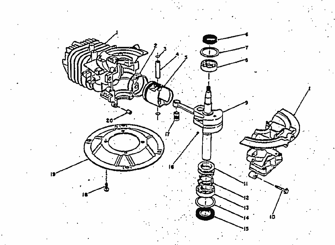
1
KURBELGEH. MIT ZYLINDER
81-2800
2
KOLBENRINGSATZ
81-0590
3
SICHERUNG
81-0620
4
KOLBENBOLZEN
81-0600
5
KOLBEN
81-0580
6
SIMMERRING
81-0720
7
SCHEIBE
81-0710
8
LAGER
81-0690
9
KURBELWELLE INNENGEWINDE
81-4600
10
SCHRAUBE
81-0540
11
REGLERRING
81-0770
12
REGLERHALTER
81-0750
13
LAGER
81-0700
14
SCHEIBE
81-0730
15
SIMMERRING
81-0740
16
STIFT
81-0760
17
PLEUELLAGER
81-0610
18
SCHRAUBE
81-0570
19
MOTORPLATTE
81-0560
20
STIFT
81-0520
2-TAKT-MOTOR OHNE TANK
12-5489
Toro
Roth / TORO
Ride-On Mowers
Hand operated
Sweeper
Snowthrower
Vac/Blower
Lawnmower
Grass Baggers
4-stroke SP
4-stroke
2-stroke SP
295/26643
295/26643 B
295/26640 BC
295/26640 B
287/20916B
277
320000
310000
300000
290000
280000
270000
260000
250000
Ignition
Flywheel+Ignition
Recoil Starter
Muffler
Engine Governor
ShortBlock
Motor
Gearbox
Mower Assy.
255/22700 BC
255/22700
239
237/22045
237/22045 B
237/22044 BC
237/22036
237/22035
234
224
222/16212 WG
2-stroke
Electric
Battery
Robin
Condiciones
(C) by motoruf