| pos. | descripción | Número de pieza | |
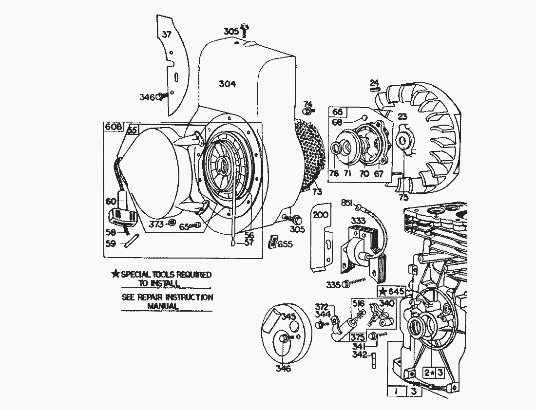
| 1 | Cylinder Assembly | 391977 |
| 2 | Bushing, Cylinder** | 297565 |
| 3 | Seal, Oil | 89660 |
| 23 | Flywheel, Magneto | 297229 |
| 24 | Key, Flywheel | 61760 |
| 37 | Guard-Flywheel | 222443 |
| 55 | Housing, Rewind Starter | 299431 |
| 56 | Pulley, Rewind Starter | 295871 |
| 57 | Spring, Rewind Starter | 294303 |
| 59 | Pin, Starter Grip | 230228 |
| 60 | Grip, Starter Rope | 66728 |
| 65 | Screw, Rewind Starter Housing Mtg. | 93067 |
| 66 | Clutch Assy., Rewind Starter | 298310 |
| 67 | Housing-Starter Clutch | 212131 |
| 68 | Ball, Clutch | 63770 |
| 70 | Ratchet, Rewind Starter | 298436 |
| 71 | Washer, Clutch Retainer | 221653 |
| 73 | Screen, Starter Pulley | 221923 |
| 74 | Screw, Sem | 93490 |
| 75 | Washer, Spring | 220865 |
| 76 | Washer, Ratchet Sealing | 68238 |
| 200 | Guide, Air | 221480 |
| 304 | Housing, Blower | 299410 |
| 305 | Screw, Blower Housing Mtg. | 93158 |
| 333 | Armature, Magneto | 298316 |
| 335 | Screw, Armature Mtg. Sem | 93414 |
| 340 | Spring, Breaker Arm | 26018 |
| 341 | Screw, Breaker Arm Mtg. Sem | 93381 |
| 342 | Plunger, Breaker Point | 65704 |
| 344 | Screw, Condenser Clamp Mtg. Sem | 93042 |
| 345 | Cover, Breaker Point & Condenser | 220366 |
| 346 | Screw-Sem | 93705 |
| 372 | Clamp, Condenser | 220477 |
| 373 | Nut-Hex. | 92987 |
| 375 | Breaker Points and Condenser Set Note: 299061 Ignition Kit Includes: | 294628 |
| 516 | Spring, Connector | 260374 |
| 608 | Starter Assy.-Rewind | 390463 |
| 645 | Bushing-Breaker Plunger | 23513 |
| 655 | Anchor-Spring | 222598 |
| 851 | Terminal-Ignition Cable | 221798 |