volver a
>
Roth / TORO
>
Ride-On Mowers
>
Mower decks
>
132cm Seit
>
573/78452
>
220000001
>
Pulley and Belt Assy.
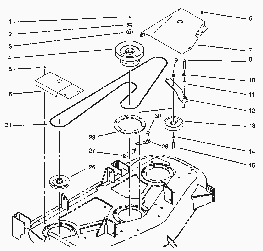
Lista de repuestos para Toro Roth / TORO Pulley and Belt Assy.
pos.
descripción
Número de pieza
1
Grease Fitting
302-2
2
Nut-Hex Jam
3220-7
3
Washer
3256-28
4
Pulley-Double
94-2035
5
Screw-Hex Thrd. Form.
46-8560
6
Cover RH
98-1618-01
7
Cover LH
98-1619-01
8
Hex Hd. Capscrew
323-11
9
Locknut
32128-21
10
Flat Washer
3256-3
11
Sleeve-Idler Pivot
51-3640
12
Arm
55-7640-03
13
Pulley-Flat
93-1622
14
Flat Washer
3256-24
15
Capscrew
323-8
26
Pulley
79-0620
27
Spring-Extension
51-3650
28
Plate-Spring
55-7650
29
Ring-Deck Support
27-7680-03
30
Carriage Bolt
3231-22
31
Belt-V
94-2501
Toro
Roth / TORO
Ride-On Mowers
Traktor
Rider
Mower decks
91cm Heck
97cm Seit
107cm Seit
112cm Seit
122cm Seit
132cm Seit
555/78252
573/78452
8900001
9900001
200000001
210000001
220000001
Reinforcement Plate Assy.
Reinforcement Plate Assy. (Cont.)
Pulley and Belt Assy.
Spindle and Blade Assy.
Deck Suspension Assy.
Pulley Box Assy.
Baffle Assy.
Decal Assy.
152cm Seit
Attachements
Hand operated
Robin
Condiciones
(C) by motoruf