volver a
>
Roth / TORO
>
Hand operated
>
Lawnmower
>
Battery
>
180/21040
>
7900001
>
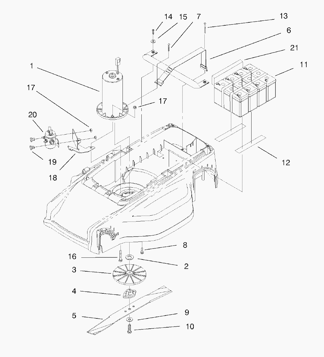
Motor, Batteries and Blade Assy.
Lista de repuestos para Toro Roth / TORO Motor, Batteries and Blade Assy.
pos.
descripción
Número de pieza
1
ASM-Motor 24 Volt
94-6918
2
Washer
93-3342
3
Fan
93-3340
4
Bushing
93-3341
5
Blade
93-3953
6
ASM-Battery Strap
95-5026
7
Screw-Hex Washer Hd.
32144-8
8
Screw-HWHTF
32144-44
9
Washer Belleville
3290-340
10
Bolt-Blade
93-3987
11
ASM-Battery (Incl. Ref
95-5163
12
Tape-Foam
94-1197
13
Screw-PPH
93-3986
14
Screw
94-4496
15
Washer
3256-49
16
Screw-Hex Washer Hd.
32144-110
17
STOPMUTTER
3296-56
18
Bracket-Solenoid
95-3027
19
Hex Flange Capscrew
3234-26
20
Solenoid-24 Volt
95-3255
21
Spacer-Foam
95-5180
Toro
Roth / TORO
Ride-On Mowers
Hand operated
Sweeper
Snowthrower
Vac/Blower
Lawnmower
Grass Baggers
4-stroke SP
4-stroke
2-stroke SP
2-stroke
Electric
Battery
180/21040
200000001
8900001
7900001
Electrical Schematic, Power Cord and Side Discharge Chute Assy.
Handle and Controls Assy.
Cover, Mulch Plug and Panel Assy.
Motor, Batteries and Blade Assy.
Deck, Liner and Wheel Assy.
Robin
Condiciones
(C) by motoruf